В этом примере показано, как смоделировать схему усилителя инвертирования с помощью Операционного усилителя (Операционный усилитель) блок и Мастер линейной схемы (LCW).
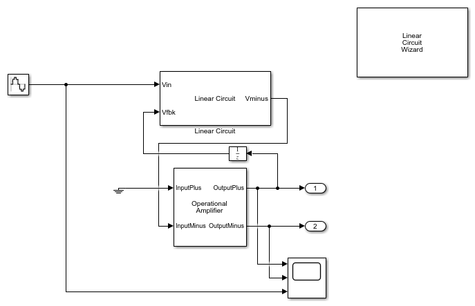
Схема усилителя инвертирования содержит Операционный усилитель и сеть обратной связи, состоящую из пассивных значений сопротивления. Усилитель инвертирования в этом примере моделируется с помощью блока Operational Amplifier и Мастера Линейной схемы, чтобы смоделировать сеть обратной связи. Мастер Линейной схемы использует список соединений SPICE, описывающий этап обратной связи от выхода Операционного усилителя к его входу.
Откройте модель Inverting_Amplifier присоединенный к этому примеру.
open_system('Inverting_Amplifier');

Блок Operationa Amplifier основан на Системе object™, который берет во входных параметрах от маски. Операционный усилитель может быть смоделирован двумя способами:
1) Двухполюсная Схема: параметры Схемы вводятся, которые переводят в двухполюсную схему.
2) Несколько Схема полюса: полюса Передаточной функции и нули вводятся, чтобы смоделировать любую схему Операционного усилителя.
Блок Linear Circuit Wizard может взять в списке соединений SPICE и сгенерировать блок линейной схемы. Можно задать имя файла списка соединений SPICE и нажать на кнопку блока Build/modify, чтобы создать блок схемы, который моделирует список соединений SPICE.
Схема усилителя инвертирования спроектирована с Операционным усилителем и сетью обратной связи, состоящей из двух резисторов R2 и R1.

Обратная связь от Операционного усилителя выход к входному терминалу моделируется как файл SPICE (R2 = 20 кОм, R1 = 2 кОма).
Усиление замкнутого цикла усилителя инвертирования является-R2/R1, который равен-10. Входные стимулы, данные этой модели, производятся сигнал, и следовательно частота дискретизации должна быть задана. Та же демонстрационная схема может быть обеспечена в блоке Операционного усилителя также.
Входной сигнал 0.1-вольтовой синусоиды с частотой на 1 кГц предоставляется модели схемы. Вход и соответствующий выход замечены на осциллографе.