Этот пример показывает простой способ смоделировать антиблокировочной тормозной системы (ABS) и использовать ее с ручными компонентами торможения. Модель симулирует для ABS разомкнутого контура и показывает ответ давлений, достигнутых в дисковых тормозах кронциркуля. Эта модель может быть использована в калибровке клапана релиза, применить клапан и аккумулятор для гидравлического блока управления ABS.
Следующий рисунок показывает модель системы ABS в разомкнутом контуре с тестовой обвязкой. Выход модели является графиком давлений в дисковых тормозах кронциркуля.

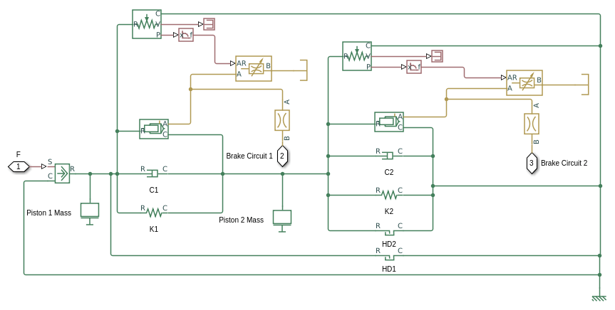
Эта подсистема показывает моделирование тандема первичный цилиндр.

Эта подсистема показывает моделирование ABS. Это содержит электронный блок управления (ECU) и подсистемы гидравлического блока управления (HCU).

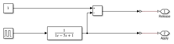
ECU предоставляет управляющие сигналы релизу и применять клапанам.

Подсистема HCU показывает, как смоделировать клапан релиза, применить клапан, насос и аккумулятор самым простым способом.

Эта подсистема показывает моделирование фиксированной передней стороны дискового тормоза кронциркуля правильная подсистема колеса. Пластины трения не моделируются в этой подсистеме, когда тело массы транспортного средства не присоединено к тормозам. Другие тормоза колес также моделируются таким же образом.

Модель имеет два входных параметров. Первый вход является силой, применился к тандему толкатель первичного цилиндра. Второй вход является командами ECU, применился к релизу, и примените клапан в подсистеме разомкнутого контура ABS. На основе данных входных параметров модель генерирует график давлений в цилиндрах кронциркуля тормозов.
