Этот пример показывает встроенную многоэлементную дизельную систему впрыска. Это содержит распредвал, насос лифта, 4 встроенных насоса инжектора и 4 инжектора.

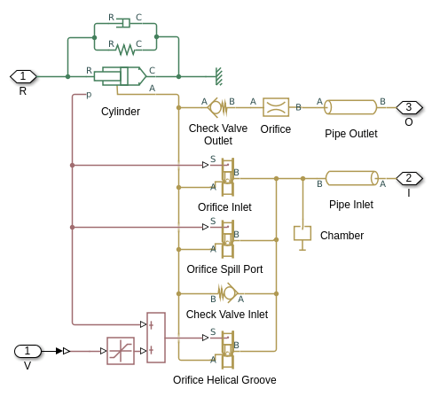
Дизельную систему впрыска, симулированную этой моделью, показывают в принципиальной схеме ниже.

Рисунок 1. Принципиальная схема системы впрыска
Структура системы воспроизводится от Х. Хайслера, Транспортного средства и Технологии Engine (второй выпуск), 1999, и категоризирована как встроенная многоэлементная система впрыска. Это состоит из следующих основных единиц:
Распредвал
Снимите насос
Встроенный насос инжектора с четырьмя насосными элементами, одним элементом на цилиндр
Инжекторы
Распредвал несет пять бегунков. Первый является эксцентриковым бегунком, чтобы привести в движение насос лифта. Остающиеся четыре предназначаются, чтобы управлять ныряльщиками насоса. Бегунки установлены таким способом, которым качающие элементы поставляют топливо в порядке увольнения и в правильный момент в цикле механизма операции. Насос лифта предоставляет жидкость к потреблению элементов насоса инжектора. Каждый элемент насоса состоит из управляемого бегунком ныряльщика, клапана доставки и блока регулятора. Цель регулятора состоит в том, чтобы управлять объемом топлива, поставленного ныряльщиком цилиндру. Это достигнуто путем вращения ныряльщика со спиральной канавкой относительно отверстия разлива. Все системные модули будут описаны более подробно в следующих разделах.
Цель симуляции состоит в том, чтобы исследовать целую работу системы. Цель диктует степень идеализации каждой модели в системе. Если бы цель была, например, клапаном доставки или расследованием инжектора, сумма учтенных факторов и осциллограф рассмотренного элемента отличалась бы.
Примечание: модель системы не представляет никакой конкретной системы впрыска. Все параметры были присвоены на основе практических факторов и не представляют никаких конкретных параметров производителя.
Модель распредвала создана пяти моделей бегунка. Существует четыре параболических бегунка профиля и один эксцентриковый бегунок. Каждый бегунок содержит замаскированную подсистему Simulink®, которая описывает профиль бегунка и генерирует профиль движения для источника положения, который создается из блоков Simscape™.
Симуляция профиля бегунка
Профиль движения сгенерирован в зависимости от угла вала, который измеряется с блоком Angle Sensor из библиотеки Pumps и Motors. Датчик преобразует измеренный угол в значение в диапазоне от нуля до 2*pi. После того, как угол цикла определяется, он передается подсистеме IF Simulink, которая вычисляет профиль. Бегунок, который управляет ныряльщиком элемента насоса, как предполагается, имеет параболический профиль, под которым последователь двигается вперед-назад на постоянном ускорении, можно следующим образом:

В результате в запуске расширяют угол, последователь запускает перемещение и достигает его ключевой позиции после того, как вал поворачивается, дополнительное расширяют угол. Последователь запускает, обратный ход в запуске отрекаются от угла, и это берет отрекаться угол, чтобы завершить это движение. Различие между запуском отрекается от угла, и (запустите, расширяют угол +, расширяют угол), устанавливает жить угол в полностью расширенном положении. Профиль реализован в подсистеме IF Simulink.
Последовательность увольнения для симулированного дизельного двигателя принята, чтобы быть 1-3-4-2. Последовательность операции бегунка показана на рисунке ниже. Расширение и возвращается, углы установлены в пи/4. Жить угол с полностью расширенным последователем установлен в 3*pi/2 рад.

Профиль эксцентрикового бегунка вычисляется с формулой

где e является эксцентриситетом.
Источник положения
Исходная модель положения, которая генерирует положение в механическом поступательном движении после Сигнала Simulink в его входе, создается из Идеального Поступательного Скоростного Исходного блока, блока PS Gain и блока Translational Motion Sensor, установленного в отрицательной обратной связи. Передаточная функция источника положения

где
T - Постоянная времени, равняйтесь 1/получать,
Усиление - Усиление блока PS Gain.
Усиление установлено в 1e6, что означает, что сигналы с частотами до 160 кГц передаются практически незатронутые.

Модель насоса лифта, который является насосом типа поршня-и-диафрагмы, создана Гидравлического Блока двигателя Одностороннего действия и двух блоков Запорного клапана. Запорные клапаны симулируют вход и клапаны выхода, установленные с обеих сторон насоса лифта (см. рисунок 1). Контакт между роликом стержня насоса и бегунком представлен блоком Translational Hard Stop. Блок Translational Spring симулирует две пружины в насосе, которые, как предполагается, обеспечивают постоянный контакт между роликом и бегунком.

Встроенный насос закачки является четырехэлементным насосным модулем. Каждый элемент предоставляет топливо к своему цилиндру. Все четыре элемента идентичны проектом и параметрами и симулированный с той же моделью под названием элемент Насоса закачки. Каждая модель элемента Насоса закачки элемента Насоса закачки содержит две подсистемы, названные Насосом и Инжектором, соответственно. Насос представляет поршень насоса и механизм управления насоса, в то время как Инжектор симулирует инжектор, установленный непосредственно на цилиндре механизма (см. рисунок 1).
Поршень насоса колеблется в барреле насоса, управляемом бегунком (см. рисунок 1). Ныряльщик симулирован с Гидравлическим Блоком двигателя Одностороннего действия. Поступательный Жесткий упор и Массовые блоки представляют контакт между роликом ныряльщика и массой ныряльщика, соответственно. Контакт обеспечен пружинным TS.
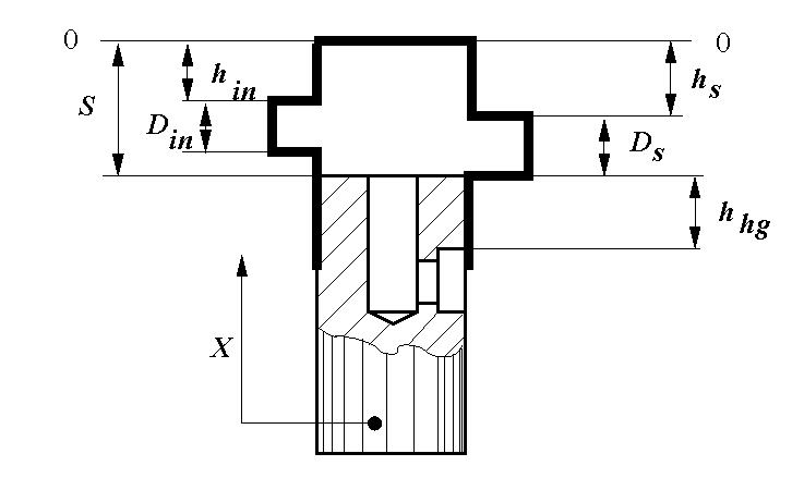
Когда ныряльщик спускается, емкость ныряльщика заполнена топливом, под давлением разработанным насосом лифта. Жидкость заполняет емкость через два отверстия, названные портом Inlet и портом Spill (см. рисунок 2, ниже).

Рисунок 2. Взаимодействие ныряльщика с отверстиями управления в барреле
После того, как ныряльщик двигает его ключевую позицию достаточно высоко, чтобы отключить оба отверстия от входной емкости, давление при выходе запускает создание. При определенном повышении инжектор в цилиндре механизма обеспечен, чтобы открыть и питать, начинает вводить в цилиндре (Рисунок 2, b).
Инжекционные остановки как спиральная канавка, сформированная о боковой поверхности ныряльщика, достигают порта Spill, который соединяет главную емкость с низкой барокамерой через отверстие, которое развертывают в ныряльщике (Рисунок 2, c). Можно управлять положением спиральной канавки относительно порта Spill путем вращения ныряльщика с ветвлением управления, таким образом регулирования объема топлива, введенного в цилиндре.
Модель механизма управления ныряльщика основана на следующих предположениях:
1. В схеме управления существует три отверстия переменного сечения: вставьте порт, порт разлива и отверстие, сформированное спиральной канавкой и портом разлива. Открытия входа и отверстий разлива зависят от движения ныряльщика, в то время как открытие отверстия порта разлива канавки является функцией движения ныряльщика и вращения ныряльщика. Ради простоты смещение, сгенерированное вращением ныряльщика, представлено как источник линейного движения, которое объединено с перемещением ныряльщика.
2. Рисунок ниже показывает все размерности, необходимые, чтобы параметрировать отверстия:

- Вставьте диаметр отверстия порта
- Пролейте диаметр отверстия порта
- Диапазон ныряльщика
- Расстояние между входным отверстием и главным положением ныряльщика
- Расстояние между отверстием порта разлива и главным положением ныряльщика
- Расстояние между отверстием порта разлива и верхним ребром спиральной канавки
3. В присвоении начальных открытий и ориентаций отверстия, ключевая позиция ныряльщика занята как источник, и движение в восходящем направлении рассматривается как движение в положительном направлении. Другими словами, ось X направлена вверх. Под этими предположениями вход и направления отверстия порта разлива должны быть установлены в Opens in negative direction, в то время как отверстие порта разлива канавки должно быть установлено в Opens in positive direction, поскольку это открывается, когда ныряльщик перемещается вверх. Приведенная ниже таблица показывает значения, присвоенные начальным открытиям и диаметрам отверстия.
Notation Name in parameter file Value Remarks S stroke 0.01 m D_in inlet_or_diameter 0.003 m D_s spill_or_diameter 0.0024 m h_in -stroke + inlet_or_diameter + 0.001 The inlet orifice is shifted upward by 1 mm with respect to the spill orifice h_s -stroke + spill_or_diameter h_hg spill_or_diameter The spill orifice is assumed to be fully opened at the top plunger position
4. Ныряльщик эффективный диапазон равняется

Входное отверстие обычно располагается выше, чем отверстие разлива. В примере это расстояние установлено в 1 мм. Путем вращения ныряльщика вы изменяете начальное открытие отверстия порта разлива канавки. Поскольку начальное открытие является параметром и не может быть динамически изменено, сдвиг начального открытия симулирован сложением эквивалентного линейного смещения поршня управления отверстия. Чем больше эквивалентный сигнал, тем раньше отверстие разлива открыто, таким образом уменьшив объем топлива, поставленного цилиндру. Максимальное значение эквивалентного сигнала равно эффективному диапазону. В этом значении отверстие разлива остается открытым все время.

Модель инжектора основана на Гидравлическом Блоке двигателя Одностороннего действия и блоке Needle Valve. Клапан иглы закрывается в исходном положении силой, разработанной к предварительно загруженной пружине. Когда сила, разработанная цилиндром, преодолевает упругую силу, инжектор открывает и позволяет топливу быть введенным в цилиндре. В примере инжектор собирается быть открытым в 1 000 панелей.
Графики ниже показа положения и скорости потока жидкости выхода инжектора качают 1 и инжектор 1. Эффект профиля бегунка показывают в смещении насоса инжектора 1. Во время второй половины диапазона бегунка топливо выходит из насоса инжектора и передает в инжектор. Топливо выходит из инжектора через клапан иглы. Инжектор имеет емкость с предварительно загруженной пружиной, которая действует, чтобы сохранить жидкость от насоса временно и продвинуть его из инжектора более гладко.
