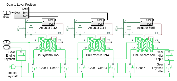
Этот пример показывает передачу с пятью скоростями с реверсором. Механизм вращает layshaft и шесть наборов выходных механизмов. Чтобы затронуть выбранный механизм, идеальные приводы перемещают селекторные рычаги, соединенные с двусторонними синхронизаторами. Положение селекторных рычагов определяет, какие механизмы соединяются с выходным валом.


График ниже показов скорости вала для механизма, загрузки и промежуточных механизмов. Когда передача переключает между механизмами, скорость загрузки совпадает со скоростью различных механизмов в передаче. Когда реверсор занят, скорость выходного вала отрицательна.

График ниже показов селекторные положения рычага для каждого из двусторонних синхронизаторов. Их положения диктуют, какой из механизмов занят, и определяет передаточное отношение для передачи.
