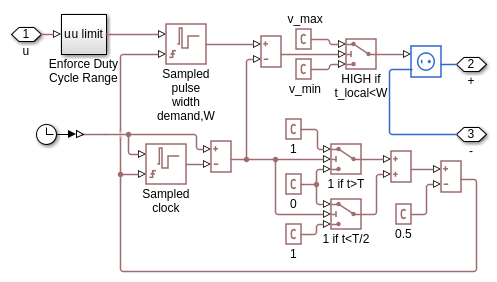
В этом примере показано, как блок Simscape™ Foundation Library PS Asynchronous Sample & Hold может использоваться, чтобы создать компоненты с более комплексными поведениями. Модель реализует управляемый источник напряжения PWM, где PWM вовремя (рабочий цикл) пропорционален входному u физического сигнала.
Блок PS Asynchronous Sample & Hold включает точное получение ребер сигнала PWM и более быстрой скорости симуляции, чем дискретная реализация. Эта модель должна быть запущена с помощью решателя переменного шага так, чтобы уравнения были решены в точно каждом PWM переключающееся событие. Это дает совершенное разрешение желаемого рабочего цикла. Выполнение фиксированного шага потребовало бы выполнения целой симуляции в размере шага, равном желаемому разрешению рабочего цикла.
Для альтернативной реализации дискретного времени смотрите Дискретное время Исходный пример Напряжения PWM, ssc_pwm_discrete. Версия дискретного времени лучше подходит для решателей фиксированного шага и оборудования в приложениях цикла.



Эти графики показывают выходное напряжение Асинхронного Источника Напряжения PWM, а также размера шага, используемого в процессе моделирования. Поскольку решатель переменного шага используется, большие шаги могут быть сделаны до запуска или конца импульса PWM достигнут.

Эти графики сравнивают результаты ssc_pwm_discrete и ssc_pwm_asynchronous. Модели производят почти тот же сигнал напряжения, но асинхронная модель может запуститься с решателем переменного шага и может сделать большие шаги. Это может привести к более быстрым симуляциям.
