В этом примере показано, как смоделировать Гамму механизм Стерлинга с помощью газа, тепловых, и механических компонентов Simscape™ и областей.
Стерлингские механизмы поглощают тепло из внешнего источника, чтобы частично преобразовать его в механическую энергию и рассеять остальных в холодном тепловом приемнике. Внешний источник тепла является основным отличием с двигателями внутреннего сгорания, которые производят тепло из реакций сгорания в газе в системе. В Стерлингских механизмах газ инертен (например, воздух, в этом случае).
Самые типичные проекты Стерлингских механизмов являются альфой, бетой и гамма настройками. В этом примере мы только моделируем гамма настройку, которая состоит из двух поршней, соединенных с трубопроводом прохода.
Первый поршень называется Displacer, который является гидроцилиндром двойного действия с двумя емкостями, каждый - нагреватель, поглощение тепла от пламени и другого является вентилятором, рассеивая тепло к окружающей среде. Полный объем displacer поршня является постоянным, несмотря на то, что потоки газа с вентилятора на нагреватель и наоборот как поршень возглавляют перемещения. Поток между ними через так называемый Регенератор. Регенератор является трубопроводом, который позволяет поток между вентилятором и нагревателем в поршне смещения. Это обычно реализуется как поршневая голова с меньшим радиусом, чем цилиндр, позволяя утечку.
Второй поршень называется поршнем Степени и является цилиндром одностороннего действия с переменным объемом, соединенным с displacer через трубопровод прохода. Этот поршень производит крутящий момент и степень.
И displacer и поршни степени соединяются через два механизма заводной рукоятки ползунка с маховиком. У заводной рукоятки displacer есть 90 задержек степени от поршня степени.

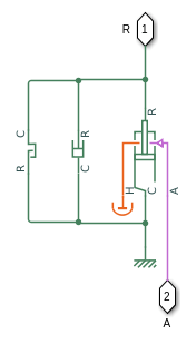
displacer поршень:

Регенератор:

Регенератор также проводит тепло с нагревателя на вентилятор.
Поршень степени:

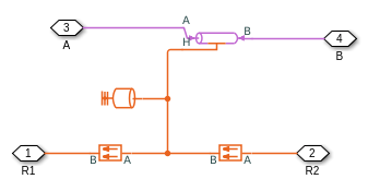
Заводные рукоятки ползунка и маховик:

Пользователь может принять решение запустить двигатель с импульсом крутящего момента и позволить ему ускориться до установившийся, или обеспечить угловую скорость путем комментария и некомментария источника крутящего момента и углового источника скорости.
Пламя и окружающие подсистемы содержат температурные источники и конвекцию тепла.
Большинство параметров в блоках Simscape™ этого примера хранилось как переменные в скрипте ssc_stirling_engine_params для легкой модификации. Отредактируйте скрипт, чтобы изменить значения параметров.
Модель симулирует 15 Стерлингского запуска механизма путем применения импульса в t = 5 с, чтобы установить маховик в начальном движении.

Ключевой график, чтобы рассмотреть в проекте механизма является схемой P-V термодинамического цикла. Это строит давление газа и объем в поршне степени во время оборота маховика. В установившемся эта кривая закрывается и циклична. Областью, заключенной кривой, является механизированный труд, обеспеченный во время одного цикла. Общей площадью под кривой является тепло, поглощенное во время одного цикла. Отношение между этими двумя является термодинамическим КПД цикла. Если мы умножаемся, работают на цикл (или тепло на цикл) с количеством циклов в секунду, мы получаем механическую энергию (или поглощенная тепловая мощность)
Work per cycle: 1.3447J Heat absorption per cycle: 11.3999J Thermodynamic efficiency: 11.80% Mechanical power: 38.7079W Thermal power absorbed: 328.1438W -----------------------

Другой ключевой показатель эффективности является кривой об/мин степени и кривой об/мин крутящего момента.


Большое преимущество наличия параметрированной физической модели состоит в том, что алгоритмы оптимизации могут использоваться, чтобы найти оптимальные расчетные параметры (для максимальной производительности или степени). Одна из возможных переменных проекта, чтобы оптимизировать является поршневым радиусом заводной рукоятки степени. В этом разделе будут сравнены два значения поршневого радиуса заводной рукоятки степени.
1st crank radius Work per cycle: 1.3447J Heat absorption per cycle: 11.3999J Thermodynamic efficiency: 11.80% Shaft speed: 1727.0831rpm Mechanical power: 38.7079W Thermal power absorbed: 328.1438W ----------------------- 2nd crank radius Work per cycle: 1.281J Heat absorption per cycle: 8.1212J Thermodynamic efficiency: 15.77% Shaft speed: 1614.6109rpm Mechanical power: 34.4706W Thermal power absorbed: 218.5438W -----------------------


Со вторым значением радиуса заводной рукоятки мы получаем более низкую скорость вала и более низкую степень, но более высокий термодинамический КПД. Этот подход мог использоваться в многомерном процессе оптимизации, чтобы найти глобальный оптимальный проект с генетическими алгоритмами, например.