Реализуйте однофазный диск асинхронного двигателя
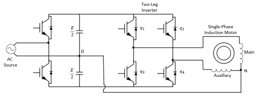
Блок Single-Phase Induction Motor Drive моделирует управляемый вектором однофазный диск машины. Конфигурация дисков состоит из выпрямителя полумоста, разделенной шины DC с двумя конденсаторами фильтра и инвертором 2D участка, который предоставляет обмотки для электродвигателя.
Однофазная асинхронная машина (SPIM), без ее запуска и рабочих конденсаторов, обработана как асимметричная двухфазная машина. Вспомогательные и основные обмотки доступны и находятся в квадратуре. Эта настройка обеспечивает хорошую эффективность и операцию в регенерации режима.

Однофазный асинхронный двигатель асимметричен из-за неравных сопротивлений и индуктивности основных и вспомогательных обмоток. Чтобы получить математическую модель двигателя постоянными параметрами (напряжение, текущее, и поток), необходимо преобразовать все переменные к стационарной системе координат (d-q) зафиксированный к статору.
Математическая модель
Эта схема показывает математическую модель машины.

Na и Nm представляют количество вспомогательных и основных обмоток статора, соответственно.
Уравнения, которые задают напряжение для модели (в стационарной системе координат d-q):
и
где:
Vqs является q - напряжение статора оси.
Rs является основным сопротивлением статора.
iqs является q - текущий статор оси.
ϕqs является q - потокосцепление статора оси.
Vds является d - напряжение статора оси.
Ra является вспомогательным сопротивлением статора.
ids является d - текущий статор оси.
ϕds является d - потокосцепление статора оси.
R'r является сопротивлением обмотки ротора, упомянул основную обмотку статора.
i'qr является q - текущий ротор оси упомянул основную обмотку статора.
ϕ'qr является q - потокосцепление ротора оси упомянуло основную обмотку статора.
k является отношением поворота Na к Nm.
ωr является ротором электрическая скорость вращения.
i'dr является d - текущий ротор оси упомянул основную обмотку статора.
ϕ'dr является d - потокосцепление ротора оси упомянуло основную обмотку статора.
Na является количеством вспомогательных обмоток статора.
Nm является количеством основных обмоток статора.
Уравнения, которые задают поток для модели (в стационарной системе координат d-q):
где:
Lls является индуктивностью утечки основной обмотки статора.
Lla является индуктивностью утечки вспомогательной обмотки статора.
Lms является индуктивностью намагничивания основной обмотки статора.
L'lr является индуктивностью утечки обмотки ротора, упомянул основную обмотку статора.
Электромагнитный крутящий момент, описанный в зависимости от потокосцеплений ротора и токов,
где:
Te является электромагнитным крутящим моментом.
P является количеством пар полюса.
Используя токи статора и потокосцепления ротора как переменные пространства состояний для модели SPIM, электромагнитное уравнение крутящего момента
Используя следующую замену переменной,
и
Поэтому электромагнитное уравнение крутящего момента может быть переписано как
В косвенном роторе, ориентированном на поток на управление, d - ось системы координат ориентирована вдоль вектора потокосцепления ротора на ϕ'r, затем
и
Электромагнитный крутящий момент приводит к
Отсюда, q - ось текущий компонент
Получившаяся скорость скольжения, ωs,
Отсюда, d - ось текущий компонент
где верхний индекс e указывает, что переменная отнесена в синхронную систему координат.
Эта блок-схема показывает ориентированное на поле управление.

Этот тип управления выбирает вектор напряжения из переключающейся таблицы, чтобы управлять выключателями питания в инверторе, чтобы получить необходимый поток статора и соответствующий крутящий момент двигателя. От уравнений двигателя в стационарной системе координат d-q, оцените поток статора и крутящий момент:
и
Принятие приближения
и с помощью переменных статора (потокосцепления и токи) как переменные пространства состояний модели SPIM, электромагнитным крутящим моментом дают
Используя векторное произведение, крутящий момент
это
где:
|ϕs | и |ϕr | являются величинами статора и векторов пробела потокосцепления ротора, соответственно.
δ является углом между векторами пробела.
Изменение в относительном перемещении ϕs и ϕr (заданный углом, δ) влияет на моторный мгновенный крутящий момент. Если падение напряжения на сопротивлении статора не использовано, потокосцепление статора непосредственно зависит от выходного напряжения инвертора.
Следующая схема показывает доступные векторы напряжения, которые соответствуют возможным состояниям инвертора и четырем отличным секторам в d-q плоскость для инвертора 2D участка.

Выбор соответствующих векторов напряжения инвертора может непосредственно изменить величину ϕs (управление потоком) и вращающаяся скорость ϕs (управление крутящим моментом) как показано в этой схеме сектора 1.

Эта блок-схема показывает управление прямого крутящего момента.

Предполагаемый поток и крутящий момент по сравнению со ссылками с помощью гистерезисного управления. digitalized выходные переменные и сектор положения потока статора используются, чтобы выбрать адаптированный вектор напряжения из переключающейся таблицы. Эта таблица показывает соответствующий вектор напряжения для инвертора, где Hϕ и HTe являются выходом потока и закручивают гистерезисные блоки
| Hϕ | HTe | Сектор 1 | Сектор 2 | Сектор 3 | Сектор 4 |
|---|---|---|---|---|---|
1 (Поток произошел), | 1 (Крутящий момент произошел), | V1 | V2 | V3 | V4 |
0 (Крутящий момент снижается), | V4 | V1 | V2 | V3 | |
0 (Поток снижается), | 1 (Крутящий момент произошел), | V2 | V3 | V4 | V1 |
0 (Крутящий момент снижается), | V3 | V4 | V1 | V2 |