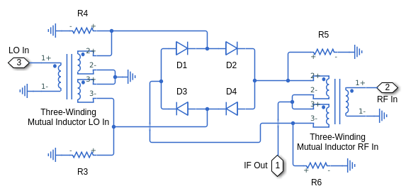
Эта модель показывает, как диодный звонок может использоваться, чтобы демодулировать модулируемый частотой сигнал. Вход RF имеет фиксированную частоту 9 МГц, и локальный генератор имеет фиксированную частоту 11 МГц. Следовательно модулируемый частотой сигнал является синусоидой 2 МГц. Этот компонент на 2 МГц ясно отображается в ответе IF. Второй компонент в ответе IF является суммой RF и локальных частот генератора i.e. 20 МГц.
Спектр показывает, что диодный кольцевой микшер вводит некоторые дополнительные нежелательные гармоники. Спектр может использоваться, чтобы определить, как увеличить поведенческую кольцевую модель микшера с дополнительными условиями, чтобы произвести абстрактную модель микшера, которая может использоваться в более сложной схеме



График ниже показов выход схемы и поведенческих моделей микшера.

Спектр частоты строит ниже показа, что поведенческие модели и модели схемы приводят к подобным результатам. Спектр из модели схемы показывает дополнительные нежелательные гармоники, которые не показывают в идеальной поведенческой модели.

