Этот пример показывает два способа создать модель интегральной схемы, которая может использоваться в сочетании с другими блоками Simscape™ Electrical™. Первый подход должен создать поведенческую модель с помощью блоков PS Библиотеки Основы Simscape и/или блоков Simulink®. Второе должно создать модель реализации от основных блоков Simscape Electrical. Чтобы посмотреть под масками и посмотреть детали, выберите соответствующий блок и введите ctrl-U.
Поведенческая модель имеет преимущество того, чтобы быть более простым и потенциально рабочим быстрее. Подход может быть расширен, чтобы объединить алгоритмы, как может быть реализован на PIC или ASIC. Обратите внимание на то, что модель включает задержку первого порядка, чтобы смоделировать задержку распространения на 1 нс. Во многих приложениях эта постоянная времени будет намного быстрее, чем полная динамика схемы и не может представлять интерес. Однако удаление его потенциально вводит алгебраический цикл, если входные параметры логического элемента зависят в так или иначе от логического элемента выход. Альтернатива должна реализовать алгоритм (логический элемент ИЛИ-НЕ в этом случае) использование только блоков PS, а не блоков Simulink.
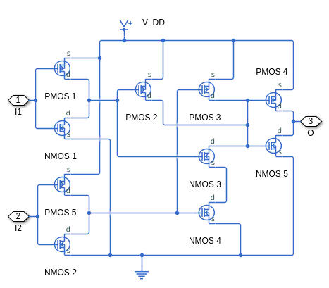
Модель реализации реализует представление фактических логических элементов MOSFET, используемых, чтобы реализовать функцию НЕ-ИЛИ. Обратите внимание на то, что несмотря на то, что это - более представительная модель существующего устройства, это все еще имеет ограничения. Ключевая проблема выбирает соответствующие параметры для блоков MOSFET на основе таблицы данных. Здесь все MOSFETS приняты, чтобы иметь те же параметры, которые будут не всегда иметь место. Основной недостаток использования модели реализации - то, что скорость симуляции, вероятно, будет намного медленнее, чем поведенческая модель.



Графики ниже показа вводы и выводы для двух реализаций схемы НЕ-ИЛИ. Поведенческая модель и модель реализации имеют почти идентичные выходные параметры.
