Этот пример показывает островную операцию основанной на инверторе микросетки с помощью метода управления свисанием.

Пример иллюстрирует операцию основанной на инверторе микросетки, отключенной от основной сетки (островной режим), с помощью метода управления свисанием. Американское Министерство энергетики задает микросетку как локальную энергетическую сетку с возможностью управления, что означает, что это может отключиться от традиционной сетки и действовать автономно.
Свисните управление является устойчивым методом, чтобы управлять автономной сеткой. На самом деле Активная мощность / Частота (P/F) и Реактивная мощность / Напряжение (Q/V) управление свисанием подражает работе синхронных генераторов в системе передачи. С методом управления свисанием PLL не требуется, чтобы достигать синхронизации в масштабе всей системы, потому что все инверторы достигают той же частоты. Кроме того, разделение власти среди каждого инвертора может быть достигнуто, поскольку каждый инвертор дает степень пропорционально своей способности.
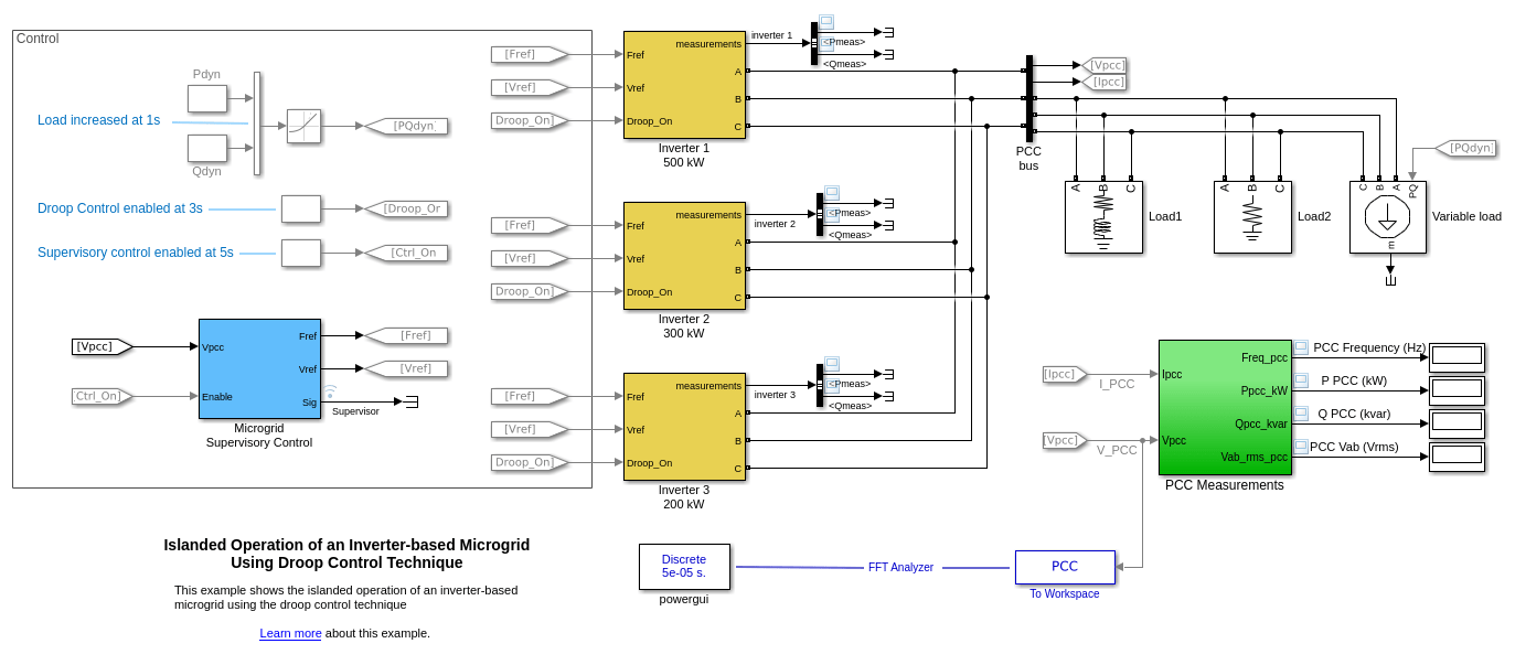
mocrogrid состоит из трех параллельных подсистем инверторов, с номинальными мощностями 500 кВт, 300 кВт и 200 кВт соответственно, соединенный с PCC (Точка общей Связи) шина. Модель динамической нагрузки используется, чтобы динамически изменить полную нагрузку микросетки. Система Диспетчерской управляющей системы Микросетки, когда включено, изменяет инверторы P/F и сетболы свисания Q/V для того, чтобы возвратить частоту микросетки и напряжение по их номинальной стоимости (60 Гц и 600 вольт соответственно).
Каждая подсистема инвертора содержит трехфазный двухуровневый конвертер степени, фильтр LC, 480/600V трансформатор, а также идеальный источник постоянного тока, чтобы представлять ссылку DC типичной системы генерации возобновляемой энергии (такой как массив PV, ветряной двигатель, система аккумулирования энергии батареи). Каждая подсистема также включает систему управления и генератор PWM, питающий инвертор.
Основные компоненты системы управления инвертора:
Управление свисанием: рисунок показывает характеристики свисания управления инвертором.

P/F свисания установлен в 1%, означая, что частоте микросетки позволяют варьироваться от 60,3 Гц (инвертор не производит активной энергии) к 59,7 Гц (инвертор производит свою номинальную активную энергию). Q/V свисания установлен в 4%, означая, что напряжению микросетки в шине PCC позволяют варьироваться от 612 Vrms (инвертор производит свою полную индуктивную энергию) к 588 Vrms (инвертор производит свою полную емкостную энергию). Обратите внимание на то, что Qmax задан как половина номинальной активной мощности Pnom.
Измерения: На основе значения частоты, данного управлением Свисанием, подсистема измерения вычисляет активную и реактивную энергию, произведенную инвертором. Это также вычисляет d-q компоненты трехфазных напряжений и токов в микросетке шина PCC.
Регуляторы напряжения: Ссылочное напряжение Vref, данный Управлением Свисанием, питается Регуляторы Напряжения. Регуляторы обрабатывают измеренные d-q напряжения и ссылочное напряжение Vref, чтобы сгенерировать ссылочные токи Id_ref и Iq_ref.
Текущие Регуляторы: Id_ref и ссылочные токи Iq_ref питаются Текущие Регуляторы. Регуляторы обрабатывают измеренные и ссылочные токи, чтобы произвести необходимые d-q напряжения (VdVq_conv) для инвертора. Обратите внимание на то, что динамика регуляторов извлекает выгоду из вычисления прямого распространения.
Генерация Vref: VdVq_conv масштабируются и преобразовываются к трехфазному Vref сигнала, кормящему генерирующимися импульсами модулятора PWM инвертор.
В 1 с общая загрузка микросетки увеличена от 450kW/100kvar до 850kW/200kvar. В 3 с управление свисанием включено на всех инверторах. Мы видим, что загрузка микросетки теперь совместно используется одинаково среди этих трех инверторов. В 5 с включена диспетчерская управляющая система. Частота затем медленно увеличивается до 60 Гц и линейное напряжение к 600 В.
Чтобы продемонстрировать удар инверторов начальная фаза несущей PWM на содержимом гармоники напряжения на шине PCC, откройте сначала Приложение FFT Analyzer, чтобы выполнить анализ БПФ фазы PCC напряжение на шине.
В Приложении, набор Структура параметром времени к PCC , параметр Сигнала к V_PCC, и параметр Размерности к 1 анализировать фазу PCC напряжение на шине. Установите Изменение масштаба на параметре к FFT window , параметр Времени начала к 7.9 , и параметр частоты Max к 7000. Нажмите Compute FFT. В графике БПФ максимальная гармоника происходит вокруг переключающейся частоты (2 700 Гц) и близко к 2%.
Теперь дважды кликните на Инверторе 2 подсистемы (на 300 кВт) и измените параметр начальной фазы Несущей в-90 градусов. Повторно выполните симуляцию и снова, выполните анализ БПФ фазы PCC напряжение. Необходимо видеть, что эта новая фаза несущей, устанавливающая значительно, уменьшает гармоническое содержимое вокруг переключающейся частоты (2 700 Гц). Это - то, вследствие того, что Инвертор, 1 фаза несущей установлена в +90, так переключающиеся гармоники, затем частично отменяется.
NREL сообщают: Дорожная карта Исследования на Формирующих Сетку Инверторах Яшен Лин, Джозеф Х. Это, Брайан Б. Джонсон, Джек Д. Фликер, Роберт Х. Лассетер, Уго Н. Вильегас Пико, SEO Болтливости-Su, Брайан Дж. Пьер и Абрахам Эллис
Бумага IEEE: Динамическая Операция и Управление Модуля мульти-DG Автономная Микросетка Хоссейн arimi-Davijani, Студенческий член и Олоранфеми Оджо, Старший член, 2011