Просмотрите требования, соединенные с моделью при помощи менеджера по Требованиям контекстное меню объекта модели и приложение.
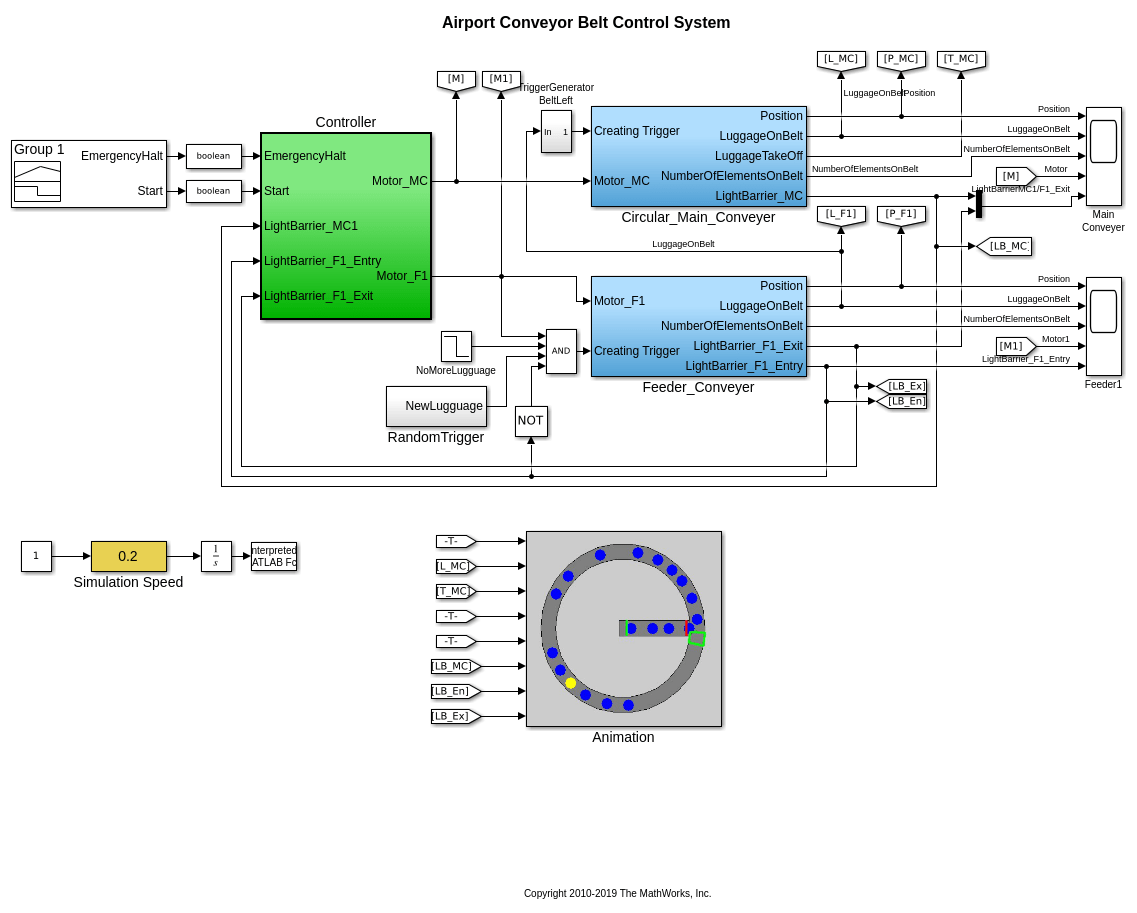
Эта модель показывает, как сгенерировать код для контроллера конвейерной ленты аэропорта. Откройте Подсистему контроллера, затем откройте диаграмму Stateflow в нем. Этот график реализует управляющую логику для запуска и остановки двигателя конвейерной ленты, в зависимости от входных параметров датчика.
open_system('plcdemo_airport_conveyor_requirements');

Можно просмотреть требования, соединенные с моделью при помощи * менеджер по Требованиям* приложение и при помощи меню контекста объекта на определенной модели.
Менеджер по требованиям приложение
Откройте менеджера по Требованиям приложение. Кликните по требованию в Браузере Требований. Соответствующий элемент модели подсвечен.

Контекстное меню объекта модели
Чтобы просмотреть требование для объекта модели специфичного, щелкните правой кнопкой по элементу и выберите Requirements> Open Outgoing Links. Например, чтобы просмотреть требования для Controller блок подсистемы, щелкните правой кнопкой по Controller блокируйте и выберите Requirements> Open Outgoing Links.

Соедините объекты модели (Simulink Requirements)
Requirements Management Interface (Simulink Requirements)