Считайте массу точки m приостановленной невесомым стержнем длины l под влиянием силы тяжести. Позиция массы может быть выражена в Декартовых координатах на (x, y).

Баланс силы массы дает уравнения движения в направлениях X и Y.

Позвольте (u, v) быть скоростями в (x, y) соответственно. Система может быть переписана как система ОДУ первого порядка

где F является силой в стержне. Система также обладает геометрическим ограничением

Дифференцируйтесь (7) дважды относительно времени t, чтобы прибыть в

Это отношение полезно, поскольку оно позволяет F решительному на каждом шаге для использования в моделировании кинематики системы.
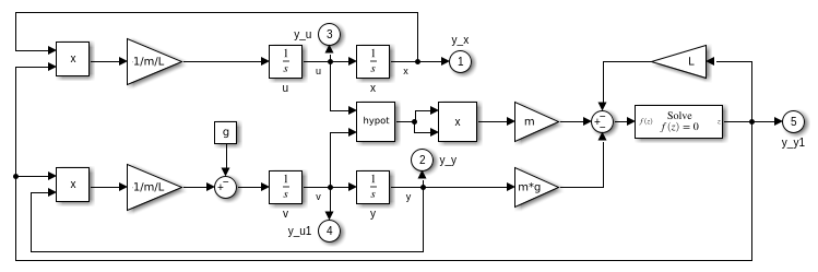
Система симулирована как показано в рисунке ниже

Уравнение (8) содержит один неизвестный F и имеет форму f (z) = 0 где
. Блок Algebraic Constraint ограничивает f (z) к 0 и решает для F в соответствии с (8).


Hairer, Эрнст, Кристиан Лубич и Мишель Рош. "Числовое Решение Дифференциально-алгебраических Систем Методами Рунге-Кутта". Читайте лекции Примечаниям в Математике. Издание 1409, Берлин: Springer-Verlag, 1989: стр 8-9.