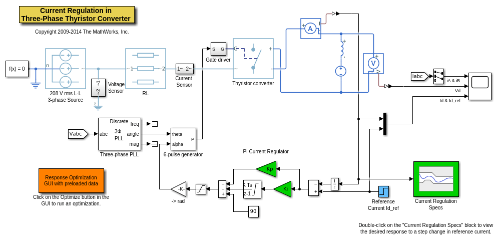
В этом примере показано, как использовать Simulink® Design Optimization™, чтобы оптимизировать параметры токового контроллера 3-фазового тиристорного конвертера. Модель использует блоки из Simscape™ и Simscape™ Electrical™.
3-фазовым тиристором управляет модулятор длительности импульса с переменным углом фазы, вычисленным ПИ-контроллером. PI Текущие усиления Регулятора настраивается, чтобы отследить ссылочные колебания постоянного тока и предела.
Откройте power_demo модель с помощью команды ниже и запуска симуляция. Симуляция производит неоптимизированное текущее изменение двигателя постоянного тока и исходных данных для оптимизации.
open_system('power_demo')

Дважды кликните блок Scope, чтобы просмотреть неоптимизированный текущий ответ. Обратите внимание на то, что две фазы 3-фазового текущего источника и выходное напряжение двигателя постоянного тока также отображены в этом блоке.
Дважды кликните Current Regulation Specs блокируйтесь, чтобы просмотреть ограничения на выход, текущий из двигателя постоянного тока.
Можно запустить Response Optimizer с помощью меню Apps в панели инструментов Simulink или sdotool команда в MATLAB®. Можно запустить предварительно сконфигурированную задачу оптимизации в Response Optimizer путем открытия сначала модели и путем двойного клика на оранжевом блоке в нижней части модели. От Response Optimizer нажмите кнопку Plot Model Response, чтобы симулировать модель и показать, как хорошо первоначальный проект удовлетворяет конструктивным требованиям.

Мы запускаем оптимизацию путем нажатия кнопки Optimize от Response Optimizer. График обновляется, чтобы указать, что конструктивным требованиям теперь удовлетворяют.


График теперь показывает, что финал оптимизировал текущий ответ.
% Close the model. bdclose('power_demo')