В этом примере показано, как смоделировать систему управления в ограниченной спутниковой системе. Спутниковая система состоит из маленького спутника, присоединенного длинной привязью к орбитальной платформе. Когда ограниченный спутник колеблется, он ведет себя как маятник, который показывает слишком много колебания. Чтобы стабилизировать маятник, система управления изменяет длину привязи путем наматывания его к ее максимальной длине, когда спутник посреди ее дуги (который уменьшает ее угловое ускорение), и путем наматывания его, когда спутник имеет равную нулю скорость вращения.

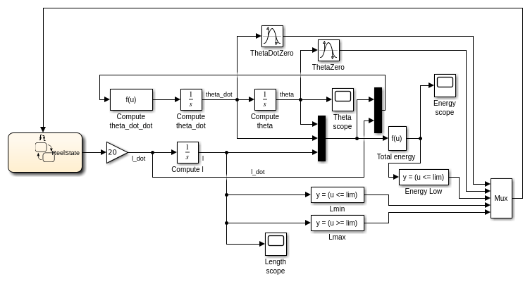
Stateflow® используется, чтобы управлять, когда привязь намотана или намотана с помощью входных событий от Simulink®.

Когда спутник посреди его колебания (
), ReelOut состояния становится активным. Когда спутник был намотан, насколько он может, ReelStop состояния становится активным. Когда скорость вращения спутника достигает нуля, ReelIn состояние становится активным. Когда привязь максимально коротка, ReelStop состояние становится активным еще раз. Наконец, если полная энергия спутника является слишком низкой, система деактивирована путем ввода Inactive состояние.

Дэбни, Джеймс Б. и Харман, Томас Л. Освоение Simulink, 2003.