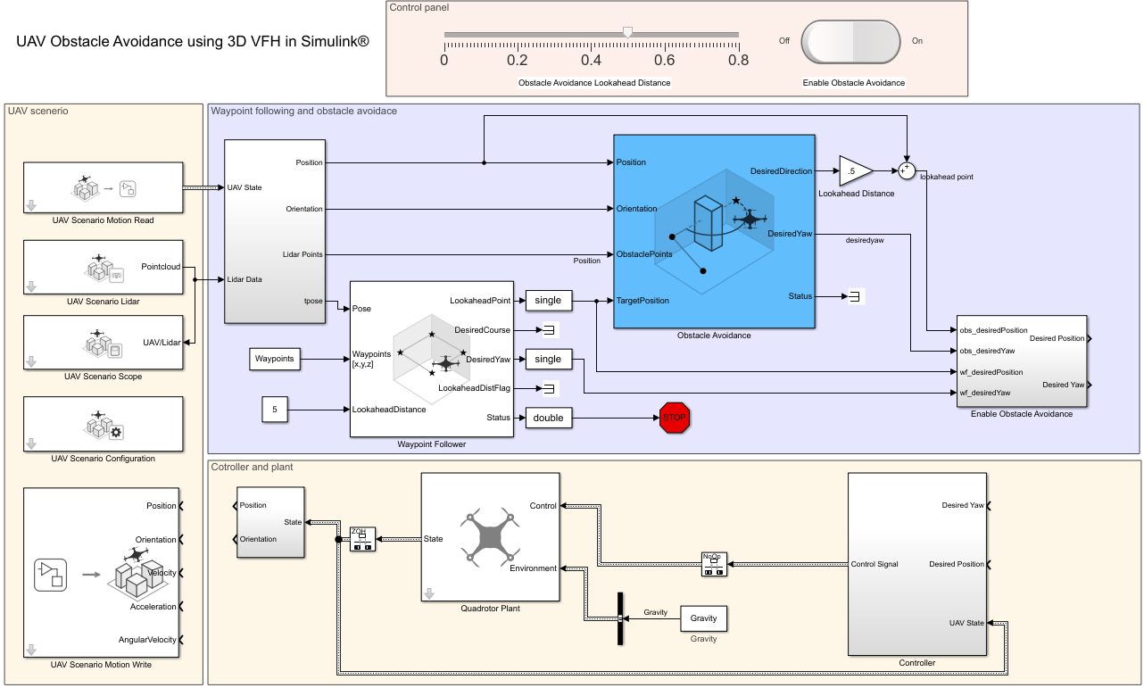
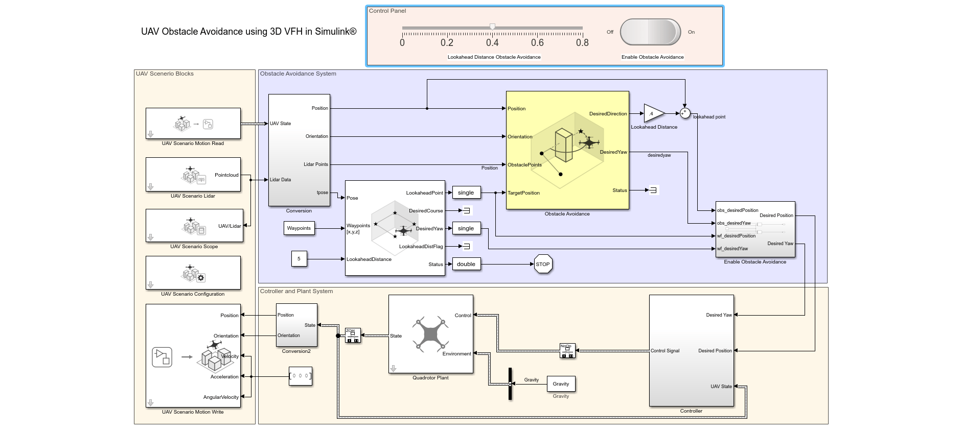
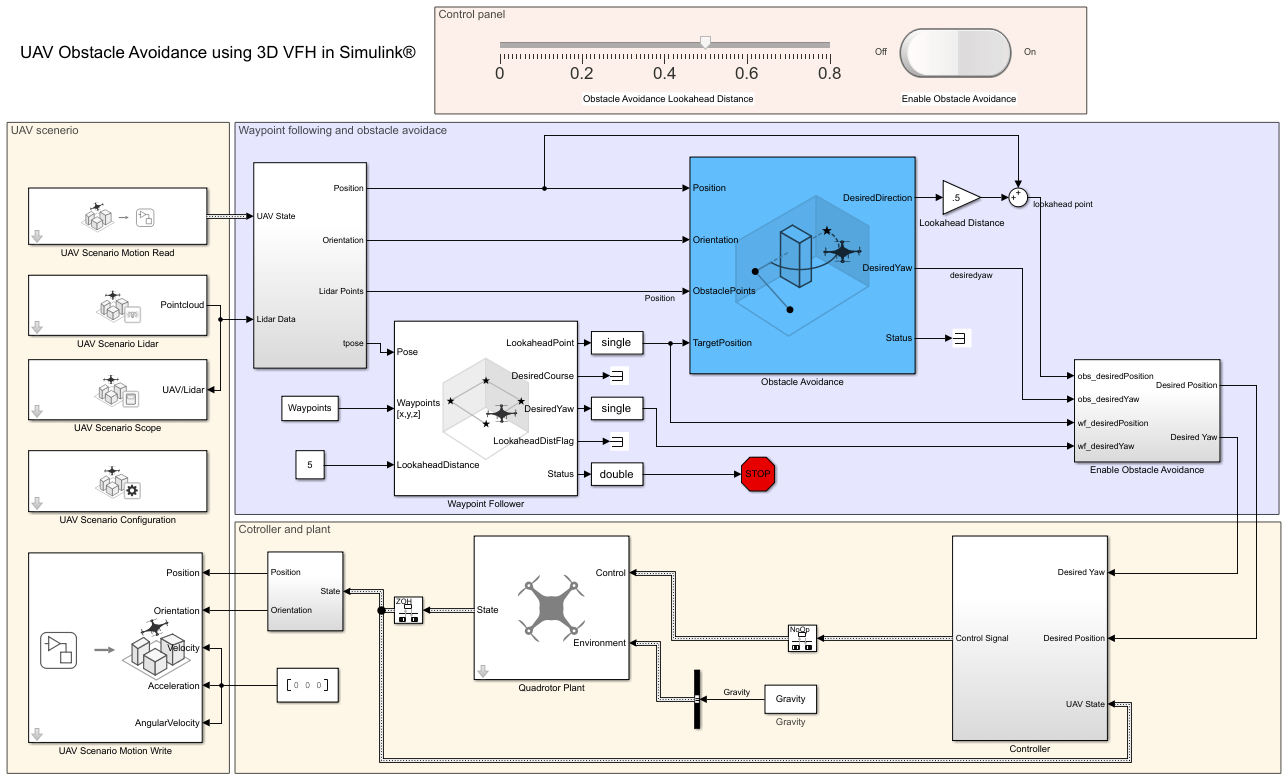
Эта модель реализует waypoint после наряду с предотвращением препятствия на UAV в симулированном сценарии. Модель берет набор waypoints и использует 3D VFH + алгоритм, чтобы обеспечить путь без препятствий.
Создайте сценарий UAV и установите его локальный источник.
Scenario = uavScenario("UpdateRate",100,"ReferenceLocation",[0 0 0]);
Добавьте маркер, чтобы указать на положение запуска UAV.
addMesh(Scenario,"cylinder",{[0 0 1] [0 .01]},[0 1 0]);Задайте исходное положение и ориентацию UAV на северо-востоке вниз (NED) система координат.
InitialPosition = [0 0 -7]; InitialOrientation = [0 0 0];
Создайте платформу UAV в сценарии.
platUAV = uavPlatform("UAV",Scenario, ... "ReferenceFrame","NED", ... "InitialPosition",InitialPosition, ... "InitialOrientation",eul2quat(InitialOrientation));
Добавьте mesh quadrotor для визуализации.
updateMesh(platUAV,"quadrotor",{1.2},[0 0 1],eul2tform([0 0 pi]));Задайте разрешение лидара.
AzimuthResolution = 0.5; ElevationResolution = 2;
Укажите диапазон лидара.
MaxRange = 7; AzimuthLimits = [-179 179]; ElevationLimits = [-15 15];
Создайте статистическую модель датчика, чтобы сгенерировать облака точек для датчика лидара.
LidarModel = uavLidarPointCloudGenerator("UpdateRate",10, ... "MaxRange",MaxRange, ... "RangeAccuracy",3, ... "AzimuthResolution",AzimuthResolution, ... "ElevationResolution",ElevationResolution, ... "AzimuthLimits",AzimuthLimits, ... "ElevationLimits",ElevationLimits, ... "HasOrganizedOutput",true);
Создайте датчик лидара и смонтируйте датчик на quadrotor.
uavSensor("Lidar",platUAV,LidarModel, ... "MountingLocation",[0 0 -0.4], ... "MountingAngles",[0 0 180]);
Предварительно просмотрите сценарий с помощью show3D функция.
show3D(Scenario);

Добавьте препятствия кубоида, представляя создания, к сценарию.
ObstaclePositions = [10 0; 20 10; 10 20]; % Locations of the obstacles ObstacleHeight = 15; % Height of the obstacles ObstaclesWidth = 3; % Width of the obstacles for i = 1:size(ObstaclePositions,1) addMesh(Scenario,"polygon", ... {[ObstaclePositions(i,1)-ObstaclesWidth/2 ObstaclePositions(i,2)-ObstaclesWidth/2; ... ObstaclePositions(i,1)+ObstaclesWidth/2 ObstaclePositions(i,2)-ObstaclesWidth/2; ... ObstaclePositions(i,1)+ObstaclesWidth/2 ObstaclePositions(i,2)+ObstaclesWidth/2; ... ObstaclePositions(i,1)-ObstaclesWidth/2 ObstaclePositions(i,2)+ObstaclesWidth/2], ... [0 ObstacleHeight]},0.651*ones(1,3)); end show3D(Scenario); legend("Start Position","Obstacles")

Модель состоит из этих основных компонентов:
UAV scenario — Конфигурирует сценарий и визуализирует траекторию.
Waypoint following and obstacle avoidance — Реализации waypoint после с предотвращением препятствия.
Controller and plant — Контроллер положения для UAV.
Control Panel — Используйте эту панель, чтобы включить или отключить предотвращение препятствия, а также изменить предварительное расстояние для предотвращения препятствия.
Откройте модель.
open_system("ObstacleAvoidanceDemo.slx");
![]()
![]()
![]()
![]()
![]()
Блоки сценария конфигурируют сценарий и визуализируют препятствия, траекторию и данные об облаке точек лидара.
![]()

Эта подсистема содержит эти блоки:![]()
![]()
Настройка Сценария UAV — Конфигурирует блоки сценария, чтобы использовать сгенерированный сценарий для симуляции.
Чтение Движения Сценария UAV — Чтения текущий UAV утверждают из сценария.
Лидар Сценария UAV — Считывает данные об облаке точек из сценария.
Запись Движения Сценария UAV — Обновления новое состояние UAV.
Осциллограф Сценария UAV — Визуализирует траекторию UAV и данные об облаке точек лидара.
Waypoint following and obstacle avoidance подсистема находит желаемое положение без препятствий и желаемое рыскание согласно текущему состоянию UAV и данным об облаке точек.
![]()
![]()

Эта подсистема включает эти блоки и подсистемы:
Последователь Waypoint — Вычисляет предварительную точку для UAV в направлении следующего waypoint.
Предотвращение препятствия — Использование 3D VFH + алгоритм, чтобы вычислить направление без препятствий и рыскание для рейса без коллизий и обновлений предварительная точка, вычисленная блоком Waypoint Follower.
Преобразование — Эта подсистема управляет частотой, на которой предотвращение препятствия используется во время рейса и другого типа данных, и преобразуйте преобразования.
Предварительный блок Distance — Constant, значение которого умножается на единичный вектор в желаемом направлении, и затем добавляется к текущему положению UAV, чтобы вычислить желаемое положение.
Включите Предотвращение Препятствия — Эта подсистема включает или отключает предотвращение препятствия.
'Waypoints' Набор waypoints, через который UAV, как ожидают, полетит.
Задайте waypoints для UAV.
Waypoints = [InitialPosition; 0 20 -7; 20 20 -7; 20 0 -7];
Добавьте маркеры, чтобы указать на waypoints.
for i = 2:size(Waypoints,1) addMesh(Scenario,"cylinder",{[Waypoints(i,2) Waypoints(i,1) 1] [0 0.1]},[1 0 0]); end show3D(Scenario); hold on plot3([InitialPosition(1,2); Waypoints(:,2)],[InitialPosition(1,2); Waypoints(:,1)],[-InitialPosition(1,3); -Waypoints(:,3)],"-g") legend(["Start Position","Obstacles","","","Waypoints","","","Direct Path"])

Controller and plant подсистема генерирует команды управления и обновляет состояние UAV на основе предварительной точки.
![]()
![]()
Эта подсистема включает эти блоки:
Controller — Эта подсистема вычисляет команды управления (крен, тангаж, рыскание и тяга), чтобы переместить UAV к желаемой позиции. Это использует несколько циклов ПИДа, чтобы реализовать управление положением.
Quadrotor Plant — Этот блок Model Руководства обновляет состояние UAV использование команд управления.
Преобразование — Эта подсистема извлекает положение и ориентацию от состояния UAV, и выполняет данные, и координата преобразовывает для визуализации.
Задайте параметры контроллера. Эти параметры основаны на подходе хита-и-испытания и могут быть настроены для более сглаженного рейса.
% Proportional Gains Px = 6; Py = 6; Pz = 6.5; % Derivative Gains Dx = 1.5; Dy = 1.5; Dz = 2.5; % Integral Gains Ix = 0; Iy = 0; Iz = 0; % Filter Coefficients Nx = 10; Ny = 10; Nz = 14.4947065605712;
Задайте силу тяжести, массу беспилотника и шаг расчета для блоков объекта и контроллера.
UAVSampleTime = 0.001; Gravity = 9.81; DroneMass = 0.1;
Переключатель включает или отключает обновления предварительной точки от блока Obstacle Avoidance.
Ползунок обновляется, предварительное расстояние использовалось для расчета предварительной точки.

![]()
![]()
На больших предварительных расстояниях рейс UAV быстрее, но имеет больший риск столкновения с препятствием.
В нижних значениях рейс медленнее, но имеет более низкий риск столкновения с препятствием.
Сконфигурируйте и запустите модель и наблюдайте движение UAV.
UAV летит через waypoints при предотвращении препятствий, и затем остановок симуляции.
Измените предварительное расстояние, чтобы изменить скорость UAV.
Измените параметры блока Obstacle Avoidance и обратите внимание на изменения в угле тангажа.
out = sim("ObstacleAvoidanceDemo.slx");
Постройте фактическую траекторию UAV и waypoints, чтобы показать эффект предотвращения препятствия на рейсе UAV.
hold on points = squeeze(out.trajectoryPoints(1,:,:))'; plot3(points(:,2),points(:,1),-points(:,3),"-r"); legend(["Start Position","Obstacles","","","Waypoints","","","Direct Path","UAV Trajectory"])
