Автомобили используют электронику для операций управления, таких как:
Открытие и закрытие окон и крыши с окошком
Корректировка зеркал и фар
Блокировка и разблокирование дверей
Эти системы подвергаются строгим ограничениям операции. Отказы могут вызвать опасный и возможно опасные для жизни ситуации. В результате тщательный дизайн и анализ необходимы перед развертыванием.
Этот пример фокусируется на дизайне системы окна со стеклоподъемником автомобиля, в частности, окна пассажирской стороны. Критический аспект этой системы - то, что она не может проявить силу больше чем 100 Н на объекте, когда окно закрывается. Когда система обнаруживает такой объект, она должна понизить окно приблизительно на 10 см.

Как часть процесса проектирования, пример рассматривает:
Количественные требования для системы управления окна, такие как синхронизация и требования силы
Системные требования, полученные в схемах действия
Определения данных для сигналов используются в схемах действия
Другие аспекты процесса проектирования, который содержит этот пример:
Управление компоненты системы
Создание модели
Проверка результатов системной симуляции
Генерация кода
В дополнение к Simulink этот пример использует эти дополнительные продукты MathWorks®:
Система DSP Toolbox™
Фиксированная точка Designer™
Simscape™ Multibody™
Simscape Electrical™
Simscape
Simulink® 3D Animation™
Simulink Real-Time™
Simulink Coverage™
Stateflow®
Количественные требования для управления:
Окно должно полностью открытый и полностью близкий в течение 4 с.
Если выпущен для между 200 мс и 1 с, окно должно полностью открытый. Если вниз команда дается для между 200 мс и 1 с, окно должно полностью близко.
Окно должно запустить движущиеся 200 мс после того, как команда будет дана.
Сила, чтобы обнаружить, когда объект присутствует, составляет меньше чем 100 Н.
Когда закрытие окна, если объект находится в пути, прекращает закрывать окно и понижает окно приблизительно на 10 см.
Схемы действия помогают вам графически получить спецификацию и понять, как система действует. Иерархическая структура помогает с анализом даже больших систем. В верхнем уровне схема контекста описывает системную среду и ее взаимодействие с системой при исследовании с точки зрения операций обмена данными и управления. Затем можно анализировать систему в схему действия с процессами и управлять спецификациями (CSPEC).
Процессы ведут иерархическое разложение. Вы задаете каждый процесс с помощью другой схемы действия или примитивной спецификации (PSPEC). Можно задать PSPEC во многих представлениях с формальным семантическим, таким как Диаграмма Simulink. Кроме того, схемы контекста графически получают контекст работы системы.
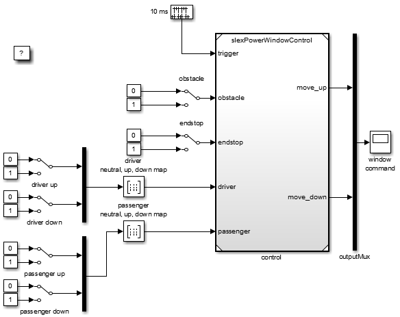
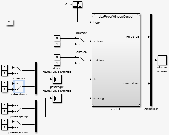
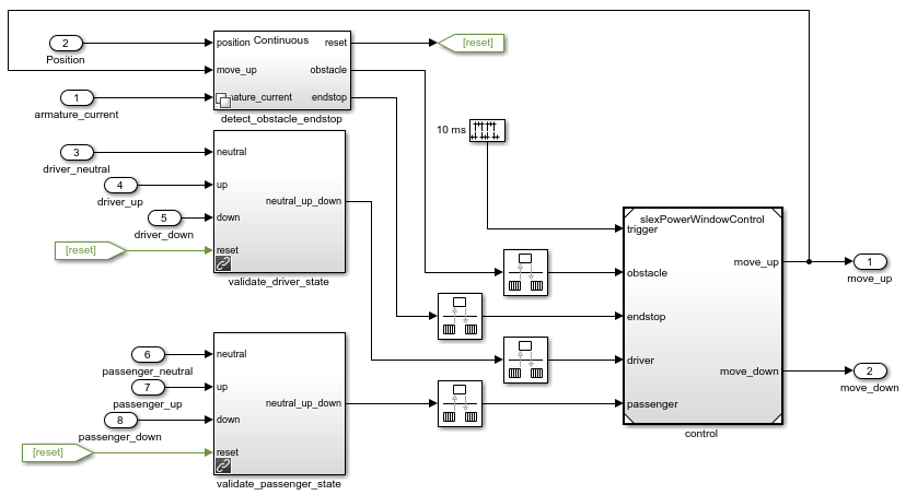
Фигура представляет схему контекста системы окна со стеклоподъемником. Квадратные поля получают среду, в этом случае, драйвер, пассажира и окно. И драйвер и пассажир могут отправить команды в окно, чтобы переместить его вверх и вниз. Контроллер выводит правильную команду, чтобы отправить к приводу окна (e. g., команда драйвера имеет приоритет над пассажирской командой). Кроме того, схема контролирует состояние оконной системы, чтобы установить, когда окно полностью открывается и закрывается и обнаружить, если существует объект между окном и кадром.

Круг (также известный как пузырь) представляет контроллер окна со стеклоподъемником. Круг является графическим обозначением для процесса. Процессы получают преобразование входных данных в выходные данные. Примитивный процесс может также сгенерировать. CSPECs обычно состоят из комбинационной или последовательной логики, чтобы вывести сигналы элемента управления выводом из элемента управления вводом.
Для реализации в окружении Simulink смотрите Реализацию Схемы Контекста: Система Окна со стеклоподъемником.
Управление окном со стеклоподъемником состоит из трех процессов и CSPEC. Два процесса подтверждают драйвер и пассажирский входной параметр, чтобы гарантировать, что их входной параметр значим, учитывая состояние системы. Например, если окно полностью открыто, команда MOVE DOWN не целесообразна. Остающийся процесс обнаруживает, если окно полностью открывается или полностью закрывается и если объект присутствует. CSPEC берет управляющие сигналы и выводит, переместить ли окно вверх или вниз (e. g., если объект присутствует, окно перемещается вниз в течение приблизительно одной секунды или пока это не достигает endstop).

Для реализации в окружении Simulink смотрите Реализацию Схемы Действия: Управление Окном со стеклоподъемником.
Каждый процесс в ПОДТВЕРЖДАТЬ диаграмме операций ДРАЙВЕРА примитивен и задан следующим PSPEC. В MAKE EXCLUSIVE PSPEC из соображений безопасности команда DOWN более приоритетна по сравнению с командой UP.

PSPEC 1.1.1: CHECK DOWN CHECKED_DOWN = DOWN and not RESET
PSPEC 1.1.2: CHECK UP CHECKED_UP = UP and not RESET
PSPEC 1.1.3: MAKE EXCLUSIVE
VALIDATED_DOWN = CHECKED_DOWN
VALIDATED_UP = CHECKED_UP and not CHECKED_DOWN
VALIDATED_NEUTRAL = (NEUTRAL and not (CHECKED_UP and not CHECKED_DOWN))
or not (CHECKED_UP or CHECKED_DOWN)Для реализации в окружении Simulink смотрите Реализацию Схемы Действия: Подтвердить.
Внутренности ПОДТВЕРЖДАТЬ процесса PASSENGER совпадают с ПОДТВЕРЖДАТЬ процессом ДРАЙВЕРА. Единственной разницей является различный ввод и вывод.

PSPEC 1.2.1: CHECK DOWN CHECKED_DOWN = DOWN and not RESET
PSPEC 1.2.2: CHECK UP CHECKED_UP = UP and not RESET
PSPEC 1.2.3: MAKE EXCLUSIVE
VALIDATED_DOWN = CHECKED_DOWN
VALIDATED_UP = CHECKED_UP and not CHECKED_DOWN
VALIDATED_NEUTRAL = (NEUTRAL and not (CHECKED_UP and not CHECKED_DOWN))
or not (CHECKED_UP or CHECKED_DOWN)Для реализации в окружении Simulink см. Схему Действия: Подтвердите Пассажира.
Третий процесс в схеме действия УПРАВЛЕНИЯ ОКНОМ СТЕПЕНИ обнаруживает присутствие препятствия или когда окно достигает своей верхней части или нижней части (ENDSTOP). Механизм обнаружения основан на арматуре, текущей из привода окна. Во время нормального функционирования этот ток в определенных границах. Когда окно достигает своей верхней части или нижней части, электродвигатель чертит большой ток (больше чем 15 А или меньше чем-15 А), чтобы попытаться выдержать его угловую скорость. Точно так же во время нормального функционирования ток составляет приблизительно 2 А или-2 А (в зависимости от того, открывается ли окно или закрывается). Когда существует объект, существует небольшое отклонение от этого значения. Чтобы сохранить силу окна на объекте меньше чем 100 Н, управление переключается на его неотложную операцию, когда это обнаруживает ток, который составляет меньше чем-2.5 А. Это операции необходимы только, когда окно свертывается, который соответствует отрицательному току в конкретном проводном соединении этой модели. ОБНАРУЖИТЬ схема действия OBSTACLE ENDSTOP воплощает эту функциональность.

CSPEC 1.3: DETECT OBSTACLE ENDSTOP RESET = OBSTACLE or ENDSTOP
PSPEC 1.3.1: DETECT ENDSTOP ENDSTOP = WINDOW_POSITION > ENDSTOP_MAX
PSPEC 1.3.2: DETECT OBSTACLE OBSTACLE = (WINDOW_POSITION > OBSTACLE_MAX) and MOVE_UP for 500 ms
Для реализации в окружении Simulink см. Схему Действия: Обнаружьте Препятствие Endstop.
Функциональное разложение однозначно задает каждый процесс своим разложением или примитивной спецификацией (PSPEC). Кроме того, это должно также официально задать сигналы в схемах действия. Используйте определения данных для этих спецификаций.
Следующие таблицы являются определениями данных для сигналов, используемых в схемах действия.
Для связанной схемы действия см. Схему Контекста: Система Окна со стеклоподъемником.
Схема контекста: системные определения данных окна со стеклоподъемником
| Сигнал | Тип информации | Непрерывный / Дискретный | Тип данных | Значения |
|---|---|---|---|---|
DRIVER_COMMAND | Данные | Дискретный | Агрегат |
|
PASSENGER_COMMAND | Данные | Дискретный | Агрегат |
|
WINDOW_POSITION | Данные | Непрерывный | Действительный | 0 к 0,4 м |
MOVE_UP | Управление | Дискретный | Булевская переменная |
|
MOVE_DOWN | Управление | Дискретный | Булевская переменная |
|
Для связанной схемы действия см. Схему Действия: Управление Окном со стеклоподъемником.
Схема действия: определения данных управления окном со стеклоподъемником
| Сигнал | Тип информации | Непрерывный / Дискретный | Тип данных | Значения |
|---|---|---|---|---|
DRIVER_COMMAND | Данные | Дискретный | Агрегат |
|
PASSENGER_COMMAND | Данные | Дискретный | Агрегат |
|
WINDOW_POSITION | Данные | Непрерывный | Действительный | 0 к 0,4 м |
MOVE_UP | Управление | Дискретный | Булевская переменная |
|
MOVE_DOWN | Управление | Дискретный | Булевская переменная |
|
Для связанной схемы действия см. Схему Действия: Подтвердите Драйвер.
Схема действия: подтвердите определения данных драйвера
| Сигнал | Тип информации | Непрерывный / Дискретный | Тип данных | Значения |
|---|---|---|---|---|
DRIVER_COMMAND | Данные | Дискретный | Агрегат |
|
PASSENGER_COMMAND | Данные | Дискретный | Агрегат |
|
WINDOW_POSITION | Данные | Непрерывный | Действительный | 0 к 0,4 м |
MOVE_UP | Управление | Дискретный | Булевская переменная |
|
MOVE_DOWN | Управление | Дискретный | Булевская переменная |
|
Для связанной схемы действия см. Схему Действия: Подтвердите Пассажира.
Схема действия: подтвердите пассажирские определения данных
| Сигнал | Тип информации | Непрерывный / Дискретный | Тип данных | Значения |
|---|---|---|---|---|
НЕЙТРАЛЬНЫЙ | Данные | Дискретный | Булевская переменная |
|
Данные | Дискретный | Булевская переменная |
| |
ВНИЗ | Данные | Дискретный | Булевская переменная |
|
CHECKED_UP | Данные | Дискретный | Булевская переменная |
|
CHECKED_DOWN | Данные | Дискретный | Булевская переменная |
|
Для связанной схемы действия см. Схему Действия: Обнаружьте Препятствие Endstop.
Схема действия: обнаружьте препятствие определения данных Endstop
| Сигнал | Тип информации | Непрерывный / Дискретный | Тип данных | Значения |
|---|---|---|---|---|
ENDSTOP_MIN | Данные | Постоянный | Действительный | 0,0 м |
ENDSTOP_MAX | Данные | Постоянный | Действительный | 0,4 м |
OBSTACLE_MAX | Данные | Постоянный | Действительный | 0,3 м |
Образцовый дизайн выполняет итерации, когда мы исследуем более подробные реализации. Для получения информации о том, как образцовый дизайн выполняет итерации, когда вы представляете больше детали, смотрите, Выполняют итерации на Дизайне.
MATLAB® и Simulink поддерживают Модельно-ориентированное проектирование для встроенной системы управления от начальной спецификации до генерации кода. Чтобы организовать крупные проекты и совместно использовать вашу работу с другими, используйте Проекты Simulink.
Пример Проекта Управления Окном со стеклоподъемником показывает, как можно использовать инструменты Mathworks и процесс Модельно-ориентированного проектирования, чтобы пойти от концепции до реализации для автомобильной системы окна со стеклоподъемником. Это использует Проекты Simulink организовать файлы и другие компоненты модели.
Кроме того, этот пример показывает, как соединить модели с документацией по системе.
Чтобы открыть проект Контроллера Окна со стеклоподъемником, в Окне Команды MATLAB, введите:
slexPowerWindowStart

Исследуйте папки проекта. В частности, отметьте папки задачи. Эта папка содержит скрипты, которые запускают частые задачи для модели. Для Проекта Контроллера Окна со стеклоподъемником, этих скриптов:
Настройте модель, чтобы управлять перемещением окна на сети области контроллера (CAN).
Настройте модель, чтобы использовать программное обеспечение Stateflow и Simulink для образцового дискретного события реактивное поведение и непрерывное поведение времени с моделью объекта управления младшего разряда.
Настройте модель с более подробной моделью объекта управления, которая включает эффекты степени в электрические и механические области. Модель объекта управления подтверждает силу, проявленную окном на захваченном объекте.
Настройте модель с моделью, которая включает другие эффекты, которые могут изменить модель, такую как квантование измерений.
Эти скрипты также моделируют модель. Чтобы только сконфигурировать модель, см. скрипты в configureModel папке.
Используйте модель покрытия увеличения, чтобы сгенерировать отчет покрытия модели.
Раздел Project Shortcuts содержит команды быстрого доступа, которые можно дважды кликнуть, чтобы выполнить общие задачи, такие как:
Добавьте проекты к путям MATLAB.
Выполните интерактивное тестирование.
Подтвердите тестирование модели с покрытием модели.
Откройте основную модель.
Моделируйте модель с различными настройками.
Сгенерируйте отчет покрытия модели для увеличенного покрытия модели.
Откройте модель, используемую для увеличения покрытия модели.
Эта тема описывает высокоуровневую спецификацию управления дискретного события для управления окном со стеклоподъемником.
Можно смоделировать управление дискретного события окна с диаграммой Stateflow. Диаграмма Stateflow является конечным автоматом с иерархией и параллелизмом. Этот конечный автомат содержит основные состояния системы окна со стеклоподъемником: авто, вниз, автовниз, отдых и чрезвычайная ситуация. Это моделирует изменения состояния и составляет приоритет команд драйвера по пассажирским командам. Это также включает экстренное поведение, которое активируется, когда программное обеспечение обнаруживает объект между окном и кадром при продвижении.
Начальная модель Simulink для управления окном со стеклоподъемником, slexPowerWindowControl, является контроллером дискретного события, который запускается на уровне данной частоты дискретизации.
В этой реализации откройте подсистему управления окном со стеклоподъемником и заметьте, что диаграмма Stateflow с управлением дискретного события формирует CSPEC, представленный наклоненной толстой панелью в правом нижнем углу. detect_obstacle_endstop подсистема инкапсулирует пороговые механизмы обнаружения.

Управление дискретного события является моделью Stateflow, которая расширяет понятие диаграммы изменения состояний с иерархией и параллелизмом. Изменения состояния из-за пассажирских команд инкапсулируются в супер состоянии, которое не соответствует активной команде драйвера.
Рассмотрите управление пассажирского окна. Пассажир или драйвер могут переместить это окно вверх и вниз.
Этот конечный автомат содержит основные состояния системы окна со стеклоподъемником: авто, вниз, автовниз, отдых и чрезвычайная ситуация.

Входной параметр управления. Модель slexPowerWindowCntlInteract включает этот входной параметр управления как переключатели. Дважды кликните эти переключатели, чтобы вручную управлять ими.

Протестируйте конечный автомат, который управляет окном со стеклоподъемником путем выполнения входных тестовых векторов и проверки, что он достигает желаемого внутреннего состояния и генерирует вывод. Окно со стеклоподъемником имеет следующие внешние входные параметры:
Пассажирский входной параметр
Драйвер вводится
Окно или вниз
Препятствие в окне
Каждый входной параметр состоит из вектора с этими входными параметрами.
Пассажирский входной параметр
| Элемент | Описание |
|---|---|
neutral | Пассажирский переключатель управления не подавлен. |
up | Пассажирский переключатель управления генерирует сигнал. |
down | Пассажирский переключатель управления генерирует вниз сигнал. |
Входной параметр драйвера
| Элемент | Описание |
|---|---|
neutral | Переключатель управления драйвером не подавлен. |
up | Переключатель управления драйвером генерирует сигнал. |
down | Переключатель управления драйвером генерирует вниз сигнал. |
Окно или вниз
| Элемент | Описание |
|---|---|
0 | Окно перемещается свободно между верхней частью или нижней частью. |
1 | Окно застревает наверху или нижняя часть из-за физических ограничений. |
Препятствие в окне
| Элемент | Описание |
|---|---|
0 | Окно перемещается свободно между верхней частью или нижней частью. |
1 | Окно имеет препятствие в кадре. |
Сгенерируйте пассажира и входные сигналы драйвера путем отображения вверх и вниз по сигналам согласно этой таблице:
| Вводы | Выходные параметры | |||
|---|---|---|---|---|
| вниз | вниз | нейтральный | ||
|
|
|
|
|
|
|
|
|
|
|
|
|
|
|
|
|
|
|
|
Входные параметры явным образом генерируют событие neutral от событий up и down, сгенерированных путем нажатия переключателя управления окном со стеклоподъемником. Входные параметры вводятся, когда таблица истинности в нейтральном пассажире, вниз сопоставляет и нейтральный драйвер, вниз сопоставляет.
Случай 1: Окно. Наблюдать поведение конечного автомата:
Откройте модель slexPowerWindowCntlInteract.
Запустите моделирование и затем дважды кликните, пассажир переключаются.

Если вы требуете у физического переключателя окна больше одной секунды, перемещений окна вплоть до, переключатель выпущен (или верхняя часть рамки окна достигнута, и событие endstop сгенерировано).
Дважды кликните выбранный пассажир переключаются, чтобы выпустить его.

Моделируйте модель.
Установка переключателя endstop генерирует endstop событие.

Случай 2: Окно Авто. Если вы нажимаете, физическое пассажирское окно переключаются в течение короткого периода времени (меньше, чем секунда), программное обеспечение активирует авто поведение, и окно продолжает перемещаться вверх.
Нажмите физическое пассажирское окно переключаются в течение короткого периода времени (меньше, чем секунда).
В конечном счете окно достигает верхней части кадра, и программное обеспечение генерирует событие endstop. Это событие кладет обратно конечный автомат к своему нейтральному состоянию.

Моделируйте модель.
Случай 3: Приоритет водительской стороны. Переключатель драйвера для пассажирского окна более приоритетен по сравнению с командами драйвера. Наблюдать поведение конечного автомата в этом случае:
Запустите моделирование, и затем переместитесь, система к состоянию passenger up путем двойного клика по пассажирскому окну переключаются.

Дважды кликните драйвер вниз переключаются.

Моделируйте модель.
Заметьте, как конечный автомат перемещается в часть управления драйвером, чтобы сгенерировать окно, вниз выведенное вместо окна вывод.
Дважды кликните управление драйвером к драйверу. Дважды кликните драйвер вниз переключаются.
Работоспособное состояние окна драйвера достигнуто, который генерирует окно вывод снова, i. e., windowUp = 1.

Чтобы наблюдать поведение состояния, когда объект будет между окном и кадром, дважды кликните переключатель препятствия.

Моделируйте модель.
На следующей частоте дискретизации конечный автомат перемещается в его состояние emergencyDown, чтобы понизить окно несколько дюймов. Как далеко программное обеспечение понижается, окно зависит от того, какой длины конечный автомат находится в состоянии emergencyDown. Это поведение является частью следующей фазы анализа.
Если драйвер или пассажирский переключатель окна все еще активны, перемещения конечного автомата в или неработоспособные состояния на следующую частоту дискретизации после отъезда чрезвычайного состояния. Если переключатель препятствия также все еще активен, программное обеспечение снова активирует чрезвычайное состояние в следующей частоте дискретизации.
Валидация Подсистемы Управления. Подтвердите управление дискретного события окна с помощью инструмента model coverage. Этот инструмент помогает вам определить степень, до которой образцовый тест осуществляет условные переходы контроллера. Это помогает оценить, взяты ли все переходы в управлении дискретного события, даны тест, и стали ли все пункты в условии, которое включает конкретный переход, верными. Несколько пунктов могут включить один переход, e. g., переход от чрезвычайной ситуации назад к нейтральному происходит, когда или 100 меток деления произошли или если endstop достигнут.
Чтобы достигнуть полного охвата, каждый пункт оценивает к истине и лжи для используемых тестов. Процент переходов, которые осуществляет тест, называется своим покрытием модели. Покрытие модели является мерой того, как полностью тест осуществляет модель.
Используя программное обеспечение Simulink Coverage, можно применить следующий тест к контроллеру окна со стеклоподъемником.
| Положение | Шаг | ||||||
|---|---|---|---|---|---|---|---|
| 0 | 1 | 2 | 3 | 4 | 5 | 6 | |
| Пассажир | 0 | 0 | 0 | 0 | 0 | 0 | 0 |
| Пассажир вниз | 0 | 0 | 0 | 1 | 0 | 1 | 1 |
| Драйвер | 0 | 0 | 1 | 0 | 1 | 0 | 1 |
| Драйвер вниз | 0 | 1 | 0 | 0 | 1 | 1 | 0 |
С этим тестом все переключатели неактивны во время 0. На регулярном 1 шаге с, состоянии одного или нескольких изменений переключателей. Например, после 1 с, драйвер вниз переключается, становится активным. Чтобы автоматически запустить эти входные векторы, замените ручные переключатели предписанными последовательностями входного параметра. Видеть предварительно созданную модель:
В Окне Команды MATLAB введите:
slexPowerWindowCntlCoverage

Моделируйте модель, чтобы сгенерировать отчет покрытия Simulink Coverage.
Для модели slexPowerWindowCntrlCoverage доклад показывает, что этот тест обрабатывает 100% результатов решения от нейтрального драйвера, вниз сопоставьте блок. Однако тест достигает только 50%-го покрытия для нейтрального пассажира, вниз сопоставьте блок. Это покрытие означает, что полное покрытие для slexPowerWindowCntrlCoverage составляет 45%, в то время как полное покрытие для модели slexPowerWindowControl составляет 42%. Несколько влияющих факторов для уровней покрытия:
Пассажир блокируется, не изменяется.
Endstop и блоки препятствия не изменяются.
Увеличьте Покрытие модели. Чтобы увеличить общее покрытие до 100%, необходимо учесть все возможные комбинации драйвера, пассажира, препятствия и endstop настроек. Когда вы удовлетворены поведением управления, можно создать систему окна со стеклоподъемником. Для получения дополнительной информации смотрите, Создают Модель Используя Модельно-ориентированное проектирование.
Этот пример увеличивает покрытие модели для валидации управления дискретного события окна. Чтобы запуститься, пример использует входные параметры от slexPowerWindowCntlCoverage как базовая линия для покрытия модели. Затем, чтобы далее осуществить контроль дискретного события над окном, это создает более входные наборы. Файл электронной таблицы, inputCntlCoverageIncrease.xlsx, содержит эти входные наборы с помощью одного входного набора на лист.
В примере служебная функция slexPowerWindowSpreadsheetGeneration, которая создает шаблон электронной таблицы из модели контроллера, slexPowerWindowControl, создает inputCntlCoverageIncrease.xlsx. В inputCntlCoverageIncrease.xlsx функция использует имена блока в модели контроллера как имена сигнала. slexPowerWindowSpreadsheetGeneration задает имена листа. Служебная функция slexWindowSpreadsheetAddInput заполняет inputCntlCoverageIncrease.xlsx с данными сигнала.
Имена листа этих входных наборов и их описаний:
| Покройте имя | Описание |
|---|---|
| Вводы регистрируются от |
| Вводы, регистрируемые от |
| Вводы регистрируются от |
| Вводы, регистрируемые от |
| Вводы, регистрируемые от |
| Драйвер кладет окно, и пассажир не принимает мер |
| Драйвер поднимает окно, и пассажир не принимает мер |
| Драйвер кладет окно в течение одной секунды (автовниз), и пассажир не принимает мер |
| Драйвер поднимает окно в течение одной секунды (авто), и пассажир не принимает мер |
| Пассажир кладет окно в течение одной секунды (автовниз), и драйвер не принимает мер |
| Пассажир поднимает окно в течение одной секунды (авто), и драйвер не принимает мер |
Чтобы автоматически запустить эти входные векторы, замените входные параметры к управлению дискретного события с блоком From Spreadsheet с помощью файла, inputCntlCoverageIncrease.xlsx. Этот файл содержит несколько входных наборов. Видеть предварительно созданную модель:
В Окне Команды MATLAB введите:
slexPowerWindowCntlCoverageIncrease

Чтобы сгенерировать отчет покрытия Simulink Coverage для нескольких, входные, набора дважды щелкают по подсистеме Покрытия Выполнения в модели.
Для модели slexPowerWindowCntrlCoverageIncrease доклад показывает, что использование нескольких входных наборов успешно повысило полное покрытие для модели slexPowerWindowControl с 42% до 78%. Уровни покрытия составляют меньше чем 100% из-за пропавших без вести входных наборов для:
Пассажирское работоспособное состояние
Драйвер вверх и вниз по состояниям
Пассажир, автоматический вниз и автоматические работоспособные состояния
Почему модельно-ориентированное проектирование использования?
Реализация схемы контекста: система окна со стеклоподъемником
Гибридная динамическая система: объедините управление Дискретного События и непрерывный завод
В Модельно-ориентированном проектировании системная модель в центре процесса разработки, от разработки требований, посредством реализации дизайна и тестирования. Используйте Модельно-ориентированное проектирование для:
Используйте общую среду проектирования через проектные группы.
Соедините проекты непосредственно с требованиями.
Интегрируйте тестирование с дизайном, чтобы постоянно идентифицировать и исправить ошибки.
Совершенствуйте алгоритмы посредством многодоменного моделирования.
Автоматически сгенерируйте код встроенного программного обеспечения.
Разработайте и тестовые наборы повторного использования.
Автоматически сгенерируйте документацию для модели.
Повторное использование разрабатывает, чтобы развернуть системы через несколько процессоров и аппаратных целей.
Для требований, представленных как схема контекста, см. Схему Контекста: Система Окна со стеклоподъемником.
Создайте модель Simulink, чтобы напомнить схему контекста.
Поместите поведение завода в одну подсистему.
Создайте две подсистемы, которые содержат драйвер и пассажирские переключатели.
Добавьте механизм управления, чтобы удобно переключиться между присутствием и отсутствием объекта.
Поместите управление в одну подсистему.
Соедините новые подсистемы.
Чтобы видеть реализацию этой модели, в Окне Команды MATLAB, введите:
slexPowerWindowStart

Можно использовать схему действия управления окном со стеклоподъемником (Схема Действия: Управление Окном со стеклоподъемником), чтобы анализировать контроллер окна со стеклоподъемником контекста схематически изображают в части. Эта схема показывает сигналы ввода и вывода, существующие в схеме контекста для более легкой трассировки до их источников.
Чтобы удовлетворить полные требования, управление окном со стеклоподъемником должно работать с валидацией драйвера и пассажирских входных параметров и обнаружить endstop.
Для требований, представленных как схема действия, см. Схему Действия: Управление Окном со стеклоподъемником.
Дважды кликните блок slexPowerWindowExample/power_window_control_system, чтобы открыть следующую подсистему:

Для требований, представленных как схемы действия, см. Схему Действия: Подтвердите Схему Драйвера и Действия: Подтвердите Пассажира.
Схема действия добавляет функциональность подтверждения правильности данных для драйвера и пассажирских команд, чтобы гарантировать правильную операцию. Например, когда окно достигает верхней части, программное обеспечение блокирует команду up. Реализация анализирует каждый процесс валидации в новых подсистемах. Рассмотрите валидацию команд драйвера (валидация пассажирских команд подобна). Проверьте, может ли модель выполнить up или команды down, согласно следующему:
Модель позволяет команду down только, когда окно не полностью открыто.
Модель позволяет команду up только, когда окно не полностью закрывается, и никакой объект не обнаруживается.
Третий процесс схемы действия проверяет, что программное обеспечение отправляет только одну из этих трех команд (neutral, up, down) к контроллеру. В фактической реализации и up и down могут быть одновременно верными (например, из-за переключателя возвращаемые эффекты).
От power_window_control_system подсистемы это - validate_driver_state подсистема:

От power_window_control_system подсистемы это - validate_passenger_state подсистема:

Для требований, представленных как схема действия, см. Схему Действия: Обнаружьте Препятствие Endstop.
В модели slexPowerWindowExample блок power_window_control_system/detect_obstacle_endstop реализует эту схему действия в непрерывном варианте блока Variant Subsystem. Во время итераций проектирования можно добавить дополнительные варианты.

Дважды кликните модель slexPowerWindowExample power_window_control_system/detect_obstacle_endstop/Continuous/verify_position блок:

После того, как вы разработаете и проверите управление дискретного события, интегрируйте его с непрерывно-разовым поведением завода. Этот шаг является первой итерацией дизайна с самой простой версией завода.
В Проекте Simulink перейдите к Файлам и нажмите Project Files. В configureModel папке запустите утилиту slexPowerWindowContinuous, чтобы открыть и инициализировать модель.

Блок window_system использует блок Variant Subsystem, чтобы допускать переменные уровни точности в моделировании завода. Дважды кликните блок window_system/Continuous/2nd_order_window_system, чтобы видеть непрерывный вариант.

Завод моделируется как дифференциальное уравнение второго порядка с пошаговыми изменениями в его входном параметре:
Когда диаграмма Stateflow генерирует windowUp, входной параметр равняется 1.
Когда диаграмма Stateflow генерирует windowDown, входной параметр –1.
В противном случае входной параметр 0.
Эта фаза позволяет анализ взаимодействия между поведением дискретного состояния события, его частотой дискретизации и непрерывным поведением перемещения окна. Существуют пороговые значения, чтобы сгенерировать верх и низ рамки окна:
endStop
Событие, когда препятствие присутствует, то есть, obstacle
Другие события
Дважды кликните модель slexPowerWindowExample power_window_control_system/detect_obstacle_endstop/Continuous/verify_position блок, чтобы видеть непрерывный вариант.

Когда вы запускаете утилиту slexPowerWindowContinuous configureModel, модель использует непрерывный решатель времени ode23 (Шемпин Богацков).
Структурный анализ системы приводит к:
Функциональное разложение системы
Определения данных со специфическими особенностями системных сигналов
Синхронизация ограничений
Структурный анализ может также включать архитектуру реализации (вне осциллографа этого обсуждения).
Реализация также добавляет механизм управления, чтобы удобно переключиться между присутствием и отсутствием объекта.
Ожидаемый Ответ Контроллера. Чтобы просмотреть перемещение окна, в Проекте Simulink в разделе PROJECT SHORTCUTS, дважды кликают SimHybridPlantLowOrder. Также можно запустить задачу slexPowerWindowContinuousSim.


Осциллограф положения показывает ожидаемый результат от контроллера. После 30 см модель генерирует событие obstacle и перемещения диаграммы Stateflow в ее состояние emergencyDown. В этом состоянии выводится windowDown, пока окно не понижается приблизительно на 10 см. Поскольку пассажирское окно переключается, все еще включено, окно запускает перемещение снова и этот процесс повторения. Остановите моделирование и откройте осциллограф положения, чтобы наблюдать колеблющийся процесс. В случае чрезвычайной ситуации управление дискретного события катится по окну приблизительно 10 см.
После начального анализа управления дискретного события и непрерывной динамики, можно использовать подробную модель объекта управления, чтобы оценить производительность в более реалистической ситуации. Лучше модели проекта в таком уровне детализации в домене питания, другими словами, как энергетические потоки. Несколько проблемно-ориентированных MathWorks blocksets могут помочь с этим.
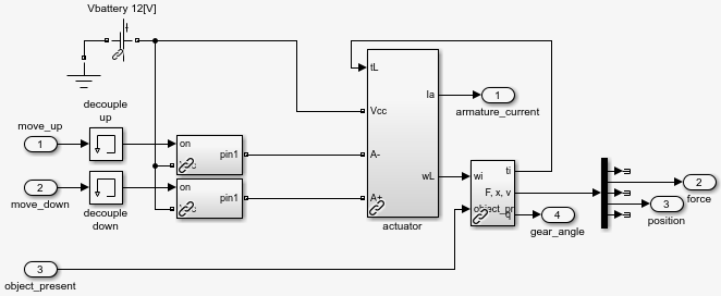
Чтобы учесть энергетические потоки, добавьте более подробный вариант, состоящий из силовой электроники и системы мультитела к window_system различной подсистеме.
Чтобы открыть модель и исследовать более подробный вариант завода, в Проекте Simulink, запускают configureModel slexPowerWindowPowerEffects.
Дважды кликните модель slexPowerWindowExample window_system/Power блок Effects - Visualization/detailed_window_system.

Подсистема Силовой электроники. Модель должна усилить управляющие сигналы, сгенерированные контроллером дискретного события, чтобы быть достаточно мощной, чтобы управлять двигателем постоянного тока, который перемещает окно.
Модули усиления моделируют это поведение. Они показывают, что переключатель или соединяет двигатель постоянного тока с напряжением батареи или землей. Путем соединения батареи наоборот, система генерирует отрицательное напряжение, и окно может переместиться вверх, вниз, или остаться тихим. Окно всегда управляется в максимальной мощности. Другими словами, никакой контроллер двигателя постоянного тока не применяет предписанную скорость.
Чтобы видеть реализацию, дважды кликните модель slexPowerWindowExample window_system/Power блок Effects - Visualization/detailed_window_system/amplification_up.

Система мультитела. Эта реализация моделирует окно с помощью блоков Simscape Multibody.
Чтобы видеть реализацию привода, дважды кликните модель slexPowerWindowExample window_system/Power блок Effects - Visualization/detailed_window_system/actuator.

Чтобы видеть реализацию окна, дважды кликните модель slexPowerWindowExample window_system/Power блок Effects - Visualization/detailed_window_system/plant.

Эта реализация использует блоки Simscape Multibody для тел, соединений и приводов. Модель окна состоит из:
Червячная передача
Рычаг, чтобы переместить держателя окна в вертикальное направление
Данные показывают, как механические детали перемещаются.

Выполните итерации на Дизайне. Важный эффект более подробной реализации состоит в том, что нет никакого доступного измерения положения окна. Вместо этого модель измеряет текущий двигатель постоянного тока и использует его, чтобы обнаружить endstops и видеть, присутствует ли препятствие. Следующий этап разработки системы анализирует управление, чтобы убедиться, что это не вызывает чрезмерную силу, когда препятствие присутствует.
В исходной системе дизайн удаляет препятствие и endstop обнаружение на основе положения окна и заменяет его на текущую реализацию. Это также соединяет процесс с контроллером и измерения положения и силы. Чтобы отразить различные используемые сигналы, необходимо изменить определение данных. Кроме того, заметьте, что из-за эффектов степени модули являются теперь усилителями.
PSPEC 1.3.1: DETECT ENDSTOP ENDSTOP = ARMATURE_CURRENT > ENDSTOP_MAX
PSPEC 1.3.2: DETECT OBSTACLE OBSTACLE = (ARMATURE_CURRENT > OBSTACLE_MAX) and MOVE_UP for 500 ms
PSPEC 1.3.3: ABSOLUTE VALUE ABSOLUTE_ARMATURE_CURRENT = abs(ARMATURE_CURRENT)
Эта таблица приводит дополнительный сигнал для Схемы Контекста: Системные определения данных Окна со стеклоподъемником.
Схема контекста: системные изменения определения данных окна со стеклоподъемником
| Сигнал | Тип информации | Непрерывный / Дискретный | Тип данных | Значения |
|---|---|---|---|---|
ARMATURE_CURRENT | Данные | Непрерывный | Действительный | – От 20 до 20 А |
Эта таблица приводит измененные сигналы для Схемы Действия: Обнаружьте Препятствие определения данных Endstop.
Схема действия: обнаружьте препятствие изменения определения данных Endstop
| Сигнал | Тип информации | Непрерывный / Постоянный | Тип данных | Значения |
|---|---|---|---|---|
ABSOLUTE_ARMATURE_CURRENT | Данные | Непрерывный | Действительный | От 0 до 20 А |
ENDSTOP_MAX | Данные | Постоянный | Действительный | 15 А |
OBSTACLE_MAX | Данные | Постоянный | Действительный | 2.5 A |
Чтобы видеть подсистему окна, дважды кликните модель slexPowerWindowExample window_system/Power блок Effects - Visualization/detailed_window_system/plant/window.

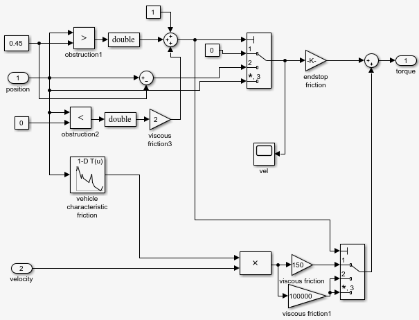
Реализация использует интерполяционную таблицу и добавляет шум, чтобы позволить оценку робастности управления. Чтобы видеть реализацию подсистемы трения, дважды кликните модель slexPowerWindowExample window_system/Power блок Effects - Visualization/detailed_window_system/plant/window/friction.

Идеализированный непрерывный завод предоставляет доступ к положению окна для генерации события endStop и obstacle. В более реалистической реализации модель должна сгенерировать эти события от доступных физических переменных. Для систем окна со стеклоподъемником эта физическая переменная обычно является текущей арматурой, Ia, двигателя постоянного тока, который управляет червячной передачей.
Когда окно перемещается, этот ток имеет приближенное значение 2 А. Когда вы включаете окно, модель чертит переходный ток, который может достигнуть значения приблизительно 10 А. Когда ток превышает 15 А, модель активирует endstop обнаружение. Модель чертит этот ток, когда угловая скорость двигателя сохранена в почти 0 несмотря на положительное или отрицательное входное напряжение.
Обнаружение присутствия объекта является более трудным в этой настройке. Поскольку проблемы безопасности ограничивают силу окна не больше, чем 100 Н, арматура, текущие намного меньше чем 10 А должны обнаружить объект. Однако это поведение конфликтует с переходными значениями, достигнутыми во время нормального функционирования.
Реализуйте закон об управлении, который отключает обнаружение объектов во время достигнутых переходных значений. Теперь, когда система обнаруживает арматуру текущие больше чем 2 А, она рассматривает объект присутствовать и вводит состояние emergencyDown управления дискретного события. Откройте окно scope силы (измерения находятся в ньютонах) проверять, что проявленная сила остается меньше чем 100 Н, когда объект присутствует, и окно инвертирует свою скорость.
В действительности намного более сложные законы об управлении возможны и реализованы. Например, можно реализовать основанное на нейронной сети изучение feedforward методы управления, чтобы эмулировать характеристику трения каждого отдельного механизма и изменений в зависимости от времени.
Если вам установили программное обеспечение Simulink 3D Animation, можно просмотреть geometrics системы в движении через мир виртуальной реальности. Если блок VR Sink еще не открыт в модели slexPowerWindowExample/window_world/Simulink_3D_Animation View, дважды кликните блок VR Sink.

Моделировать модель с жестким решателем:
В Проекте Simulink запустите задачу, slexPowerWindowPowerEffectsSim. Это пакетное задание устанавливает решатель на ode23tb (stiff/TR-BDF2).
В модели slexPowerWindowExample passenger_switch/Normal блок, набор пассажир переключаются на на.
В модели slexPowerWindowExample driver_switch/Normal блок, набор драйвер переключаются на прочь.
Моделируйте модель.
Между 10 мс и 1 с во времени симуляции, выключите блочного пассажира slexPowerWindowExample/passenger_switch/Normal, переключаются, чтобы инициировать авто поведение.

Наблюдайте, как держатель окна начинает перемещаться вертикально, чтобы закрыть окно. Когда модель сталкивается с объектом, она прокручивает окно вниз.
Дважды кликните модель slexPowerWindowExample passenger_switch/Normal, блочный драйвер вниз переключаются, чтобы скатиться по окну полностью и затем моделировать модель. В этом блоке, меньше чем в одном втором времени симуляции, выключают драйвер, вниз переключаются, чтобы инициировать автовниз поведение.

Когда окно достигнет нижней части кадра, остановите моделирование.
Посмотрите на измерение положения (в метрах) и в арматуре, текущей (Ia) измерение (в усилителях).
Абсолютное значение арматуры текущий переходный процесс во время нормального поведения не превышает 10 А. Модель обнаруживает препятствие, когда абсолютное значение арматуры, текущей требуемый переместить окно вверх, превышает 2,5 А (на самом деле, это - меньше чем-2.5 А). Во время нормального функционирования это - приблизительно 2 А. Вам придется масштабировать в осциллограф, чтобы видеть это измерение. Модель обнаруживает окно endstop, когда абсолютное значение текущей арматуры превышает 15 А.
Изменение в арматуре, текущей во время нормального функционирования, происходит из-за трения, которое включено путем обнаружения объединенных скоростей и положений и применения окна определенные коэффициенты.
Арматура, текущая, как используется в управлении окном со стеклоподъемником, является идеальным значением, которое доступно из-за использования модели привода. В более реалистической ситуации компоненты сбора данных должны измерить эту текущую стоимость.
Чтобы включать компоненты сбора данных, добавьте более реалистический вариант измерения к window_system различной подсистеме. Этот реалистический вариант измерения содержит блок создания условий сигнала, в котором ток выведен на основе измерения напряжения.
Чтобы открыть модель и сконфигурировать реалистическое измерение, в Проекте Simulink, запускают configureModel задачу slexPowerWindowRealisticArmature.
Чтобы просмотреть содержимое блока Realistic Armature - Communications Protocol, дважды кликните модель SlexPowerWindowExample window_system/Realistic Арматура - Коммуникации Protocol/detailed_window_system_with_DAQ.

Напряжение измерения в области значений аналого-цифрового конвертера (ADC), который дискретизирует на основе данного количества битов. Необходимо масштабировать получившееся значение на основе значения резистора и области значений ADC.
Включайте эти операции как вычисления фиксированной точки. Чтобы достигнуть необходимого разрешения с данной областью значений, 16 битов требуются вместо 8.
Изучите тот же сценарий:
В блоке slexPowerWindowExample/passenger_switch/Normal, набор пассажир переключаются.
Запустите моделирование.
Через какое-то время, в блоке slexPowerWindowExample/passenger_switch/Normal, выключите пассажира, переключаются.
Когда по окну скатились, щелкните, блочный драйвер slexPowerWindowExample/passenger_switch/Normal вниз переключаются.
Через какое-то время выключите блочный драйвер slexPowerWindowExample/passenger_switch/Normal, вниз переключаются.
Когда окно достигнет нижней части кадра, остановите моделирование.
Масштабируйте в armature_current окно scope и заметьте дискретизированный внешний вид.
Подобный элементу управления выводом окна со стеклоподъемником, аппаратные средства должны сгенерировать входные события. В этом случае аппаратные средства являются переключателями управления окном в двери и центральных панелях управления. Локальные процессоры генерируют эти события и затем передают их к контроллеру окна через шину CAN.
Чтобы включать эти события, добавьте различное, содержащее входной параметр от шины CAN и компонентов переключателя, которые генерируют события, поставленные на шине CAN переключателю драйвера, и пассажир переключают различные подсистемы. Чтобы открыть модель и сконфигурировать протоколы связи CAN, запустите configureModel задачу, slexPowerWindowCommunicationProtocolSim.
Чтобы видеть реализацию подсистемы переключателя, дважды кликните блок switch управления окном slexPowerWindowExample/driver_switch/Communication Protocol/driver.

Наблюдайте структуру, которая очень похожа на систему управления окна. Эта структура содержит a:
Модель объекта управления, которая представляет переключатель управления
Подсистема сбора данных, которая включает, среди прочего, компоненты создания условий сигнала
Управляющий модуль, чтобы сопоставить команды от физического переключателя до логических команд
Модуль CAN, чтобы отправить события на шину данных механизма
Можно добавить эффекты взаимопонимания, такие как другие системы с помощью шины CAN и большего количества реализма, подобного описанным фазам. Каждая фаза позволяет анализ контроллера дискретного события во все более и более реалистической ситуации. Когда у вас есть достаточно детали, можно автоматически сгенерировать код контроллера для любой определенной целевой платформы.
Можно сгенерировать код для разработанной модели управления, slexPowerWindowExample.

Отобразите частоты дискретизации контроллера. В Редакторе Simulink выберите Display> Sample Time> Colors. Заметьте, что контроллер запускается на уровне универсальной частоты дискретизации.

Щелкните правой кнопкой по блоку power_window_control_system и выберите C/C ++ Code> Build This Subsystem.
Мостермен, Питер Дж., Янош Сзтипэновитс и Себастьян Энджелл, “Автоматизированное Моделирование Мультипарадигмы в Технологии Систем управления”, Транзакции IEEE на Технологии Систем управления, Издании 12, Номере 2, 2004, стр 223–234.