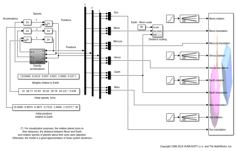
vrplanets пример показывает динамическую визуализацию первых 4 планет Солнечной системы, Луны, движущейся по кругу вокруг Земли и Sun, вращающего себя. Модель использует действительные свойства пространственных тел. Только относительные размеры планеты и расстояние между Землей и Луной настроены, чтобы обеспечить интересное представление.
Существует несколько точек зрения, заданных в виртуальной сцене - и статичны и присоединены к наблюдателю на Земле. Вы видите, что тела планеты не визуализируются как совершенные сферы. Эта модель была упрощена при помощи графического примитива Сферы VRML, который представляется этим путем. Если бы мы хотели сделать планеты более реалистичными, мы могли бы использовать более комплексный тип узла IndexedFaceSet.
Взаимные ускорения силы тяжести тел вычисляются с помощью матричного типа Simulink®.

