Этот пример показывает, как построить линеаризацию модели Simulink при конкретных условиях во время симуляции. Программное обеспечение Simulink Control Design обеспечивает блоки, которые можно добавить в модели Simulink, чтобы вычислить и построить линейные системы во время симуляции. В этом примере линейная система непрерывно размешиваемого химического реактора вычислена и построена на Диаграмме Боде как реакторные переходы через различные рабочие точки.
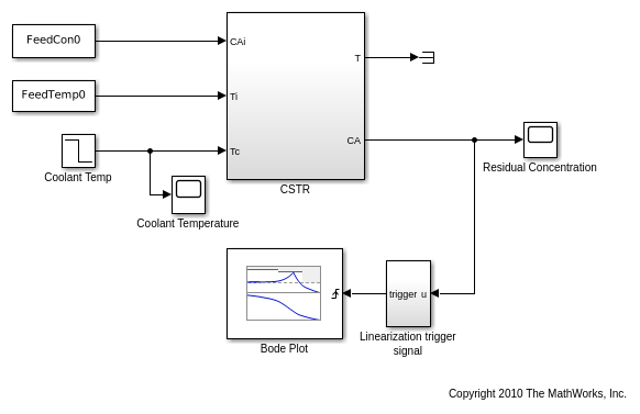
Откройте модель Simulink химического реактора:
open_system('scdcstr')

Реактор имеет три входных параметров и два выходных параметров:
FeedCon0, FeedTemp0 и блоки Coolant Temp моделируют концентрацию канала, питают температуру и входные параметры температуры хладагента соответственно.
Порты T и CA блока CSTR моделируют реакторную температурную и остаточную концентрацию выходные параметры соответственно.
Этот пример фокусируется на ответе от температуры хладагента, Coolant Temp, к остаточной концентрации, CA, когда концентрация канала и температура канала являются постоянными.
Для получения дополнительной информации о моделировании реакторов смотрите Seborg, D.E. и др., "Динамика процесса и Управление", 2-й Эд., Вайли, pp.34-36.
Реакторная модель содержит блок Bode Plot от библиотеки Simulink Control Design Linear Analysis Plots. Блок сконфигурирован с:
Вход линеаризации при температуре хладагента Coolant Temp.
Линеаризация вывод при остаточной концентрации CA.
Блок также сконфигурирован, чтобы выполнить линеаризацию на возрастающих ребрах внешнего триггерного сигнала. Триггерный сигнал вычисляется в блоке Linearization trigger signal, который производит возрастающее ребро, когда остаточная концентрация:
В значении устойчивого состояния 2
В узком диапазоне приблизительно 5
В значении устойчивого состояния 9
Двойной клик по блоку Bode Plot позволяет вам просмотреть настройку блока.

Нажатие на Show Plot в диалоговом окне Block Parameters открывает окно Bode Plot, которое показывает ответ вычисленной линейной системы от Coolant Temp до CA. Чтобы вычислить линейную систему и просмотреть ее ответ, моделируйте модель с помощью одного из следующего:
Нажмите кнопку Run в окне Bode Plot.
Выберите Simulation> Run в окне модели Simulink.
Введите следующую команду:
sim('scdcstr')

Диаграмма Боде показывает линеаризовавший реактор в трех рабочих точках, соответствующих триггерным сигналам, заданным в блоке Linearization trigger signal:
В 5 секунд линеаризация для низкой остаточной концентрации.
В 38 секунд линеаризация для высокой остаточной концентрации.
В 27 секунд линеаризация как реакторные переходы от минимума до высокой остаточной концентрации.
Линеаризация при низких и высоких остаточных концентрациях подобна, но линеаризация во время перехода имеет существенно отличающееся усиление DC и характеристики фазы. В низких частотах фаза отличается 180 градусами, указывая на присутствие или нестабильного полюса или нуля.
Вкладка Logging в блоке Bode Plot указывает, что вычисленные линейные системы сохранены как переменная рабочей области.

В линейные системы входят структура с полями time и values.
LinearReactor
LinearReactor =
struct with fields:
time: [3x1 double]
values: [1x1x3x1 ss]
blockName: 'scdcstr/Bode Plot'
Поле values хранит линейные системы как массив систем пространства состояний LTI (см. Массивы Моделей LTI) в документации Control System Toolbox для получения дополнительной информации).
Можно получить отдельные системы путем индексации в поле values.
P1 = LinearReactor.values(:,:,1); P2 = LinearReactor.values(:,:,2); P3 = LinearReactor.values(:,:,3);
Диаграмма Боде линейной системы во время 27 секунд, когда реакторные переходы от низко до высокой остаточной концентрации, указывает, что система могла быть нестабильной. Отображение линейных систем в нулевом полюсом формате подтверждает это:
zpk(P1) zpk(P2) zpk(P3)
ans =
From input "Coolant Temp" to output "CSTR/2":
-0.1028
----------------------
(s^2 + 2.215s + 2.415)
Continuous-time zero/pole/gain model.
ans =
From input "Coolant Temp" to output "CSTR/2":
-0.07514
---------------------
(s+0.7567) (s-0.3484)
Continuous-time zero/pole/gain model.
ans =
From input "Coolant Temp" to output "CSTR/2":
-0.020462
---------------------
(s+0.8542) (s+0.7528)
Continuous-time zero/pole/gain model.
Закройте модель Simulink:
bdclose('scdcstr') clear('LinearReactor','P1','P2','P3')