exponenta event banner

Управляйте системными данными

Импортируйте данные измерений, сгенерируйте симулированные данные, организуйте данные для использования в командной строке и в приложении

Анализ данных является основой мониторинга состояния и прогнозирующего обслуживания. Разработка алгоритмов для прогнозирующего обслуживания требует организации и анализа больших объемов данных при отслеживании системы и подготавливает данные, представляет.

Predictive Maintenance Toolbox™ обеспечивает инструменты для данных о датчике управления, хранимых локально и удаленно, а также для генерации симулированных данных путем выполнения модели Simulink®. Основной модуль для организации и управления многоаспектные наборы данных в Predictive Maintenance Toolbox является ансамблем. ensemble является набором наборов данных, созданных путем измерения или симуляции системы при различных условиях. Управляйте своими объектами datastore ансамбля использования ансамбля. Для получения дополнительной информации о том, как работают ансамбли и как использовать их, смотрите Ансамбли Данных для Мониторинга состояния и Прогнозирующего Обслуживания.

Приложение Diagnostic Feature Designer включает интерактивные инструменты для обработки данных и извлечения функций. Приложение принимает наборы данных в различных формах, консолидирует данные в рамках приложения и управляет теми данными внутренне во время сеанса. Для получения дополнительной информации о приложении смотрите, Исследуют Данные Ансамбля и Сравнивают Функции Используя Diagnostic Feature Designer.

Объекты

fileEnsembleDatastoreУправляйте данными ансамбля в пользовательском формате файла
simulationEnsembleDatastoreУправляйте данными ансамбля, сгенерированными generateSimulationEnsemble или путем логгирования данных моделирования в Simulink

Функции

generateSimulationEnsembleСгенерируйте данные ансамбля путем выполнения модели Simulink
readСчитайте членские данные из datastore ансамбля
writeToLastMemberReadЗапишите данные члену datastore ансамбля
hasdataОпределите, доступны ли данные для чтения
resetСброс Datastore к начальному состоянию
numpartitionsКоличество разделов datastore
partitionРазделите datastore
progress Определите, сколько данных было считано
tallСоздание tall array

Темы

Основы Datastore ансамбля

Ансамбли данных для мониторинга состояния и прогнозирующего обслуживания

Проект алгоритма с Predictive Maintenance Toolbox использует данные, организованные в ансамблях. Можно сгенерировать данные ансамбля из модели Simulink или создать ансамбли из существующих данных, хранимых на диске.

Сгенерируйте и используйте смоделированный ансамбль данных

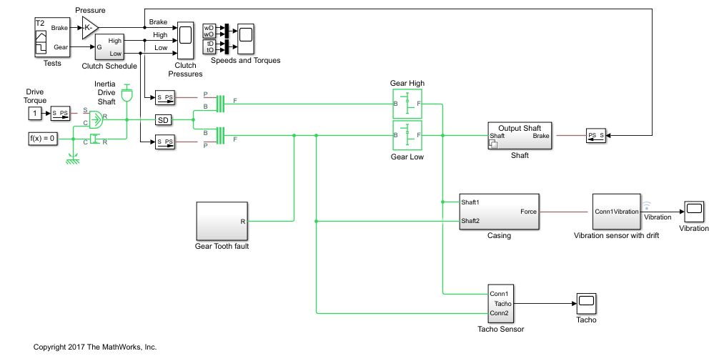
Если у вас есть модель Simulink вашей системы при условиях отказа, можно сгенерировать ансамбль симулированных данных для разработки алгоритмов прогнозирующего обслуживания.

Datastore ансамбля файла с результатами измерений

Используйте datastore ансамбля файла, чтобы справиться и взаимодействовать с большими наборами данных, собранных от операции вашей системы при различных условиях.

Хранилище ансамблей файлов с использованием данных в текстовых файлах

Создайте и используйте fileEnsembleDatastore объект управлять ансамблем данных, хранимых в формате простого текста.

Управление данными в Diagnostic Feature Designer

Исследуйте данные ансамбля и сравните функции Используя Diagnostic Feature Designer

Рабочий процесс для того, чтобы в интерактивном режиме исследовать и обработать данные ансамбля, проектируя и оценивая функции из тех данных, и экспортируя данные и выбранные функции.

Организуйте системные данные для Diagnostic Feature Designer

Организуйте измерения и информацию для нескольких систем в наборы данных, которые можно импортировать в приложение.

Импортируйте и визуализируйте данные ансамбля в Diagnostic Feature Designer

Импортируйте таблицу-участник ансамбля из своей рабочей области, задайте типы переменных и просмотрите данные с помощью интерактивных опций графического вывода.

Подготовьте матричные данные к Diagnostic Feature Designer

Преобразуйте матрицы одно участника в таблицу ансамбля для импорта в приложение.

Рекомендуемые примеры