Тип 1 IEEE линеаризовал управляющую скоростью паровую турбинную модель
Simscape / Электрический / Управление / Турбинные Регуляторы

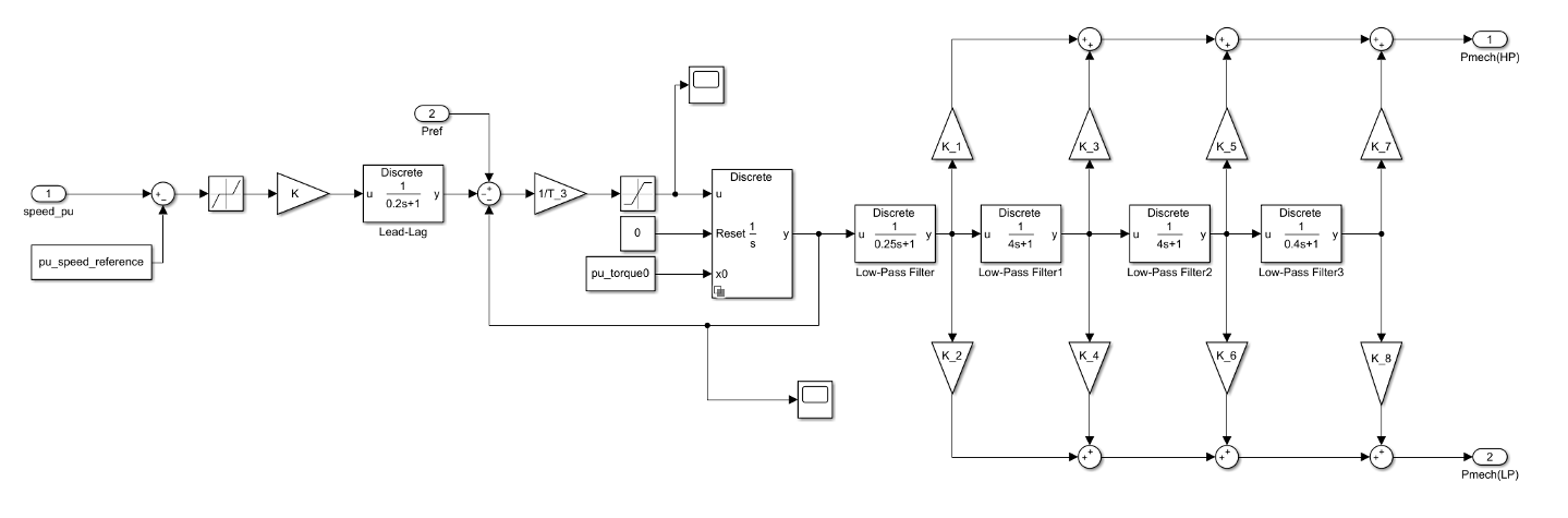
Блок Governor Type 1 моделирует паровую модель IEEEG1 турбинного регулятора модели IEEEG1.
Этот блок позволяет моделирование перекрестных составных модулей, и это имеет два набора турбинных частей:
LP Fraction, K_2, LP Fraction, K_4, LP Fraction, K_6, LP Fraction, K_8 для низкого давления (LP).
HP Fraction, K_1, HP Fraction, K_3, HP Fraction, K_5, HP Fraction, K_7 для с высоким давлением (HP).
Можно переключиться между непрерывными и дискретными реализациями блока при помощи параметра Sample time (-1 for inherited). Чтобы сконфигурировать регулятор в течение непрерывного времени, установите свойство Sample time (-1 for inherited) на 0. Чтобы сконфигурировать регулятор в течение дискретного времени, установите свойство Sample time (-1 for inherited) на положительное, ненулевое значение, или на -1 наследовать шаг расчета от восходящего блока.
Эта схема иллюстрирует полную структуру блока:

[1] Динамические модели для Пара и Гидро Турбин в Исследованиях Энергосистемы, Транзакциях IEEE на Аппарате Степени и Системах. Издание PAS-92, Номер 6, 1973, стр 1904–1915.
[2] Рабочая группа на Турбинном Регуляторе, Моделирующем, Динамических моделях для турбинных регуляторов в исследованиях энергосистемы, энергетическом Обществе Степени IEEE, январь 2013.
[3] Руководство IEEE для приложения турбинных систем регулятора для гидроэлектрических электростанций, станд. IEEE 1207-2011.