Физические системы могут быть описаны как ряд дифференциальных уравнений в неявной форме
, или в неявной форме пространства состояний 
Если
несингулярно, то система может быть легко преобразована в систему обыкновенных дифференциальных уравнений (ОДУ) и решена как таковая:

Много раз состояния системы появляются без прямого отношения к их производным, обычно представляя физические законы сохранения. Например:

В этом случае,
сингулярно и не может быть инвертирован. Этот класс систем обычно называется системами дескриптора, и уравнения называются дифференциально-алгебраическими уравнениями (ДАУ).
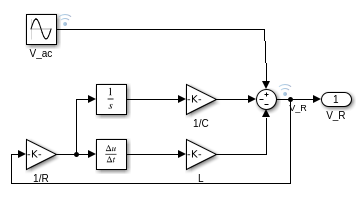
Рассмотрите простую схему серии RLC.

Из Закона о Напряжении Кирхгофа, падение напряжения через схему равен сумме падения напряжения через каждый из его элементов:

Из закона тока Кирхгофа:

где индексы
, и
обозначают сопротивление, индуктивность и емкость соответственно.

или 
или 
Смоделируйте систему в Simulink с
,
чтобы найти напряжение через резистор
. Чтобы использовать блок Descriptor State-Space, система может быть написана в неявном, или дескриптор, форма пространства состояний
как показано ниже.

где
вектор состояния.
Установите
, поскольку напряжение через резистор измеряется.

Сравните это с моделированием системы с алгебраическим циклом для того, чтобы найти
.

Симуляция обеих моделей приводит к идентичным результатам. Однако блок Descriptor State-Space позволяет вам делать более простую блок-схему и избегать алгебраических циклов.
