exponenta event banner

Преобразователи данных

Симулируйте регистр последовательного приближения (SAR) и высветите аналого-цифровые преобразователи данных (ADC)

Симулируйте и анализируйте показатели производительности аналого-цифровых преобразователей данных. Запустите с полных системных моделей типичных архитектур ADC, таких как ADC флэш-памяти или SAR. Измените параметры ADC, пока вы не достигнете своих желаемых системных технических требований. Используйте Измерения и Испытательные стенды, чтобы подтвердить ваш проект.

Блоки

развернуть все

Sampling Clock SourceСгенерируйте сигнал часов с апертурным дрожанием
Flash ADCADC N-bit с архитектурой флэш-памяти
SAR ADCN-bit основанный на регистре последовательного приближения (SAR) ADC
Binary Weighted DACDAC N-bit на основе R-2R взвесил архитектуру резистора
Segmented DACПреобразуйте большой цифровой вход в аналоговый сигнал с помощью расположения меньшего DACs

Темы

Сравните ADC SAR с идеальным ADC

Этот пример показывает сравнение ADC SAR от Mixed-Signal Blockset™ до идеальной модели ADC с нарушениями, представленными в Анализе Простого ADC с Нарушениями.

Эффект нарушения метастабильности в ADC Flash

В этом примере показано, как настроить Аналого-цифровой преобразователь флэш-памяти (ADC) путем добавления вероятности метастабильности как нарушения.

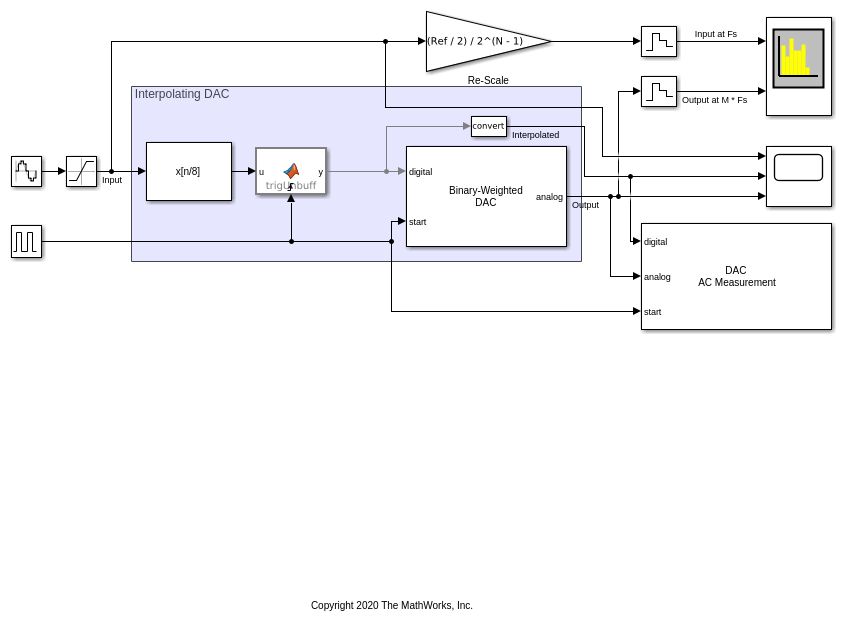
Сравните бинарный взвешенный DAC с идеальным DAC

Этот пример показывает сравнение Бинарного Взвешенного DAC от Mixed-Signal Blockset™ до идеальной модели DAC.

Рекомендуемые примеры