Режим моделирования частоты и времени ускоряет моделирование систем с одной номинальной частотой, позволяя увеличить максимальный размер шага для переменных решателей. Этот режим также позволяет выполнять фазорный анализ таких систем с помощью блоков в поддиапазоне «Периодические операторы» библиотеки «Физические сигналы».
В зависимости от задачи можно переключаться между режимами моделирования времени и частоты и времени без изменения модели. Например, используйте режим моделирования времени для изучения переходных эффектов, а затем переключитесь в частотно-временной режим для выполнения фазорного анализа модели.
Формула частотно-временного уравнения предназначена для линейных и линейных систем изменения параметров (LPV). Это ускоряет моделирование с использованием решателя с переменным шагом, поскольку размер шага решателя больше не ограничен периодом номинальной частоты.
Режим частотно-временного моделирования основан на изменении формулы уравнения для физической сети с номинальной частотой λ 0 путём деления её переменных на две категории:
Переменные времени, которые медленно изменяются относительно номинального периода 2δ/λ 0
Частотные переменные, которые являются синусоидальными и представляют форсированную характеристику на номинальной частоте, x = dx + axcos (start0t) + bxsin (start0t)
В режиме моделирования времени размер шага решателя обычно ограничивается небольшой долей периода номинальной частоты. В режиме частотно-временного моделирования представление частотных или быстрых переменных в виде синусоид позволяет решателю переменных выполнять гораздо большие шаги. Ускоряющийся эффект особенно объявлен в сложных машинных системах, которые используют трехфазовые блоки Simscape™ Electrical™.
При запуске модели в режиме частотно-временного моделирования программа автоматически обнаруживает номинальную частоту и определяет, какая из переменных является быстрой (частота), а какая медленной (время).
Для повышения производительности переменные времени в системе должны иметь медленную динамику. Если временные переменные имеют постоянные времени, сравнимые или меньшие, чем номинальный период частоты, частотно-временное моделирование такой системы будет медленным (из-за большого количества временных шагов, необходимых для разрешения этой динамики) и, возможно, неточным. В таких случаях используйте режим моделирования времени.
Инициализация переменных для формулирования уравнения частоты и времени выполняется по следующим правилам:
Для переменных времени и алгебраических переменных частоты сохраняются цели и приоритеты инициализации.
Для динамических частотных переменных приоритет инициализации переключается на None поскольку решатель использует синусоидальное стационарное приближение для этих переменных.
Формула частотно-временного уравнения предназначена для систем с одной номинальной частотой. Другими словами:
Модель должна иметь по крайней мере один синусоидальный источник в своей физической сети.
В случае множества синусоидальных источников все они должны работать на одной частоте.
Блоки вне физической сети, такие как блок синусоидальной волны, не считаются допустимыми синусоидальными источниками.
При попытке выполнения частотно-временного моделирования для модели, не удовлетворяющей приведенным выше критериям, появляется сообщение об ошибке.
В этом примере показано, как можно развернуть различные режимы моделирования в одной модели в зависимости от типа анализа, который требуется выполнить.
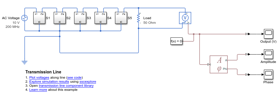
Модель линии передачи, используемая в этом примере, построена из 50 идентичных блоков, каждый блок представляет один сегмент Т-образного сечения. Для получения дополнительной информации см. раздел Линия передачи. Модель имеет один синусоидальный источник (напряжение переменного тока) и работает на номинальной частоте 200 МГц, что делает ее хорошим кандидатом для частотно-временного моделирования.
Откройте пример модели линии передачи путем ввода ssc_transmission_line в окне команд MATLAB ® .
Разверните подсистему датчика напряжения, которая состоит из блока датчика напряжения, блока конфигурации решателя и блока преобразователя PS-Simulink, подключенного к области.

Чтобы проанализировать переходное поведение модели, запустите ее в режиме моделирования времени.
Откройте диалоговое окно Блок конфигурации решателя (Solver Configuration block) и убедитесь, что для параметра Формула (Equation) задано значение Time. Моделирование модели.

По результатам моделирования можно наблюдать задержку передачи.
Для выполнения фазорного анализа переключитесь в режим частотно-временного моделирования.
Откройте диалоговое окно Блок конфигурации решателя (Solver Configuration block) и задайте для параметра Формула (Equation) значение Frequency and time. Моделирование модели.

Обратите внимание, что в частотно-временном режиме моделирование начинается в синусоидальном установившемся состоянии.
Чтобы определить амплитуду и фазу базовой частоты, подключите блок оценки гармоник PS (амплитуда, фаза) к выходу датчика напряжения. Добавьте соответствующие области.

Откройте диалоговое окно блока оценки гармоник PS (амплитуда, фаза) и задайте для параметра Базовая частота значение 200 MHz, для соответствия номинальной частоте модели. Также установите минимальную амплитуду для блока параметров фазового детектирования в значение V, для соответствия единице входного сигнала.
Дважды щелкните блок PS-Simulink Converter, подключенный к порту A блока оценки гармоник PS (амплитуда, фаза). Установите для параметра Output signal unit значение V.
Моделирование модели.


Записанные данные моделирования для частотных переменных содержат подузлы, которые позволяют исследовать мгновенное значение переменной, амплитуду, фазу и данные смещения отдельно.

Примечание
При использовании рабочего процесса потоковой передачи данных в инспектор данных моделирования записанные данные моделирования не содержат этих подузлов. Чтобы просмотреть дополнительные подузлы для переменных частоты, снимите флажок Запись данных в инспекторе данных моделирования (Record data in Simulation Data Inspector) и запустите моделирование повторно.
Модуль оценки гармоник PS (амплитуда, фаза) | Конфигурация решателя