Реализовать мультидиапазонный стабилизатор системы питания
Simscape/Electrical/Специализированные силовые системы/Электрические машины/Синхронное управление машиной
Примечание
Этот блок требует наличия лицензии на Toolbox™ системы управления. В противном случае при попытке моделирования модели, содержащей этот блок, возникает ошибка.
Возмущения, возникающие в энергосистеме, вызывают электромеханические колебания электрогенераторов. Эти колебания, также называемые перепадами мощности, должны эффективно гаситься для поддержания стабильности системы. Электромеханические колебания можно классифицировать по четырем основным категориям:
Локальные колебания: между блоком и остальной генерирующей станцией и между последней и остальной энергосистемой. Их частоты обычно находятся в диапазоне от 0,8 Гц до 4,0 Гц.
Межплантационные колебания: между двумя электрически близкими установками генерации. Частоты могут изменяться от 1 Гц до 2 Гц.
Межплощадные колебания: между двумя основными группами генерирующих установок. Частоты обычно находятся в диапазоне от 0,2 Гц до 0,8 Гц.
Глобальное колебание: характеризуется общим синфазным колебанием всех генераторов, обнаруженным в изолированной системе. Частота такого глобального режима обычно составляет менее 0,2 Гц.
Необходимость эффективного демпфирования такого широкого диапазона, почти два десятилетия, электромеханических колебаний мотивировала концепцию многополосного стабилизатора энергосистемы (MB-PSS).
Как показывает его название, структура MB-PSS основана на нескольких рабочих диапазонах. Используются три отдельные полосы, соответственно посвященные низко-, промежуточным и высокочастотным модам колебаний: нижняя полоса обычно связана с глобальным режимом энергосистемы, промежуточная - с межобластными режимами, а высокая - с локальными режимами.
Каждая из трех полос состоит из дифференциального полосового фильтра, коэффициента усиления и ограничителя (см. рисунок «Концептуальное представление»). Выходные сигналы трех полос суммируются и проходят через конечный ограничитель, формирующий выходной сигнал стабилизатора Vstab. Этот сигнал затем модулирует уставку регулятора напряжения генератора, чтобы улучшить демпфирование электромеханических колебаний.
Для обеспечения надежного демпфирования MB-PSS должна включать умеренное фазовое опережение на всех интересующих частотах, чтобы компенсировать внутреннее отставание между возбуждением поля и электрическим крутящим моментом, вызванным действием MB-PSS.
Концептуальное представление

Внутренние спецификации

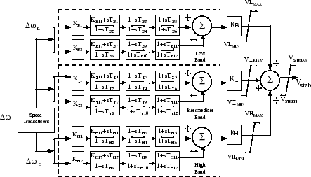
MB-PSS представлен моделью типа IEEE ® St 421,5 PSS 4B [2], показанной на рисунке под названием «Внутренние спецификации», со встроенными датчиками скорости, параметры которых фиксированы в соответствии со спецификациями производителя.
Как правило, только несколько блоков опережения-запаздывания на этом рисунке должны использоваться в данном приложении PSS. Для упрощения процесса настройки доступны два различных подхода:
Упрощенные настройки:
Для настройки блока стабилизатора многополосной системы питания используется только первый блок опережения-запаздывания каждого диапазона частот. Предполагается, что дифференциальные фильтры являются симметричными полосовыми фильтрами, соответственно настроенными на центральной частоте FL, FI и FH. Пиковая величина частотных откликов (см. рисунок «Концептуальное представление») может регулироваться независимо посредством трех коэффициентов усиления KL, KI и KH. Поэтому для упрощенной настройки MB-PSS требуется только шесть параметров.
Подробные настройки:
Проектировщик может свободно использовать всю гибкость, встроенную в структуру MB-PSS, для достижения нетривиальных схем контроллера и решения даже наиболее ограниченной проблемы (например, многомодульная установка, включающая в себя режим межмашинной связи, в дополнение к локальному режиму и режимам взаимодействия нескольких зон). В этом случае в диалоговом окне должны быть указаны все постоянные времени и коэффициенты усиления, отображаемые на рисунке «Внутренние спецификации».
Варианты: Simplified settings (по умолчанию) или Detailed settings.
Общее усиление K стабилизатора многополосной системы питания. По умолчанию: 1.0.
Центральная частота в герцах и пиковое усиление низкочастотного полосового фильтра. По умолчанию: [0.2 20].
Центральная частота в герцах и пиковое усиление полосового фильтра промежуточной частоты. По умолчанию: [0.9 25].
Центральная частота в герцах и пиковый коэффициент усиления высокочастотного полосового фильтра. По умолчанию: [12.0 145].
Ограничения, накладываемые на выход низко-, промежуточного и высокочастотного диапазонов, и ограничение VSmax, накладываемое на выход стабилизатора, все в pu. По умолчанию: [.075 .15 .15 .15].
Если этот флажок установлен, при нажатии кнопки «Применить» отображается график частотной характеристики стабилизатора. Значение по умолчанию очищено.
Выберите для построения графика величины частотной характеристики стабилизатора в дБ. Значение по умолчанию очищено. Этот параметр активируется при выборе параметра «Частотная характеристика графика».
Укажите частотный диапазон в Гц графика частотной характеристики стабилизатора. По умолчанию: logspace(-2,2,500). Этот параметр активируется при выборе параметра «Частотная характеристика графика».
Коэффициенты усиления положительной и отрицательной ветвей дифференциального фильтра в низкочастотном диапазоне и суммарный коэффициент усиления KL низкочастотного диапазона в pu. По умолчанию: [66 66 9.4].
Постоянные времени в секундах блоков опережения-запаздывания в положительной и отрицательной ветвях низкочастотного фильтра. По умолчанию: [1.667 2 0 0 0 0 2 2.4 0 0 0 0 1 1]. Необходимо указать следующие двенадцать временных констант и два коэффициента усиления:
[TB1 TB2 TB3 TB4 TB5 TB6 TB7 TB8 TB9 TB10 TB11 TB12 KB11 KB17]
Установите для KB11 значение 0, чтобы первый блок положительного ответвления фильтра стал блоком вымывания. Установите для KB11 значение 1, чтобы сделать блок блоком опережения-запаздывания.
Установите для KB17 значение 0, чтобы первый блок отрицательного ответвления фильтра стал блоком вымывания. Установите для KB17 значение 1, чтобы сделать блок блоком опережения-запаздывания.
Коэффициенты усиления положительной и отрицательной ветвей дифференциального фильтра в полосе промежуточной частоты и суммарный коэффициент усиления KI полосы промежуточной частоты в pu. По умолчанию: [66 66 47.6].
Постоянные времени в секундах блоков опережения-запаздывания в положительной и отрицательной ветвях фильтра промежуточной частоты. По умолчанию: [1 1 0.25 0.3 0 0 1 1 0.3 0.36 0 0 0 0]. Необходимо указать следующие двенадцать временных констант и два коэффициента усиления:
[TI1 TI2 TI3 TI4 TI5 TI6 TI7 TI8 TI9 TI10 TI11 TI12 KI11 KI17]
Установите для KI11 значение 0, чтобы первый блок положительного ответвления фильтра стал блоком вымывания. Установите для KI11 значение 1, чтобы сделать блок блоком опережения-запаздывания.
Установите для KI17 значение 0, чтобы первый блок отрицательного ответвления фильтра стал блоком вымывания. Установите для KI17 значение 1, чтобы сделать блок блоком опережения-запаздывания.
Коэффициенты усиления положительной и отрицательной ветвей дифференциального фильтра в высокочастотном диапазоне и суммарный коэффициент усиления KI высокочастотного диапазона в pu. По умолчанию: [66 66 233].
Постоянные времени в секундах блоков опережения-запаздывания в положительной и отрицательной ветвях высокочастотного фильтра. По умолчанию: [0.01 0.012 0 0 0 0 0.012 0.0144 0 0 0 0 1 1]. Необходимо указать следующие двенадцать временных констант и два коэффициента усиления:
[TH1 TH2 TH3 TH4 TH5 TH6 TH7 TH8 TH9 TH10 TH11 TH12 KH11 KH17]
Установите для KH11 значение 0, чтобы первый блок положительного ответвления фильтра стал блоком вымывания. Установите для KH11 значение 1, чтобы сделать блок блоком опережения-запаздывания.
Установите для KH17 значение 0, чтобы первый блок отрицательного ответвления фильтра стал блоком вымывания. Установите для KH17 значение 1, чтобы сделать блок блоком опережения-запаздывания.
Ограничения, накладываемые на выход низко-, промежуточного и высокочастотного диапазонов, и ограничение VSmax, накладываемое на выход стабилизатора, все в pu. По умолчанию: [.075 .15 .15 .15].
Если этот флажок установлен, при нажатии кнопки «Применить» отображается график частотной характеристики стабилизатора. Значение по умолчанию очищено.
Выберите для построения графика величины частотной характеристики стабилизатора в дБ. Значение по умолчанию очищено. Этот параметр активируется при выборе параметра «Частотная характеристика графика».
Укажите частотный диапазон в Гц графика частотной характеристики стабилизатора. По умолчанию: logspace(-2,2,500). Этот параметр активируется при выборе параметра «Частотная характеристика графика».
dwПодключите к первому входу синхронный сигнал отклонения скорости машины dw (в pu).
VstabВыходной сигнал представляет собой напряжение стабилизации в pu для подключения к входу vstab блока системы возбуждения, используемого для управления напряжением на клеммах блока.
См. справочный текст power_PSS пример модели.
[1] Грондин, Р., И. Камва, Л. Соульерес, Дж. Потвин и Р. Шампань, «Подход к проектированию PSS для повышения переходной стабильности посредством дополнительного демпфирования общей низкой частоты», IEEE Transactions on Power Systems, 8 (3), август 1993, pp. 954-963.
[2] IEEE рекомендовал практику для моделей систем возбуждения для исследований устойчивости энергосистемы: IEEE St. 421.5-2002 (Раздел 9).