Конструкция на основе модели может значительно снизить затраты, связанные с разработкой системы. Разработка моделей для сложных систем, таких как электромобили, включает следующие этапы:
Определение функциональных характеристик
Проектирование системы
Тесты и проверка
Внедрение
В этом тематическом исследовании рассматриваются первые две фазы и показано, как моделирование может помочь разработчику системы в принятии решений. Симуляция - это очень сложная статья. Она может представлять простую модель с точностью, которая может быть аргументированной, в то время как сложные модели могут быть представлены с точной точностью, очень близкой к реальности. Разработчик моделей всегда должен идти на компромисс между сложностью моделей и требуемой точностью. Конечно, всегда предпочтительно иметь сверхточную модель, но параметры, требуемые этими моделями, обычно трудно определить, особенно на первых фазах разработки системы. Кроме того, моделирование этих точных моделей происходит очень медленно.
Поэтому необходимо использовать различные уровни детализации моделей моделирования. Сначала разработчику системы потребуется модель первого уровня, чтобы получить обзор всего потока питания в системе. Это поможет в проектировании различных элементов системы в соответствии с требованиями к потоку энергии. Затем требуется более точная модель для того, чтобы регулировать различные системы, точно настраивать параметры системы управления энергией и проектировать силовые электронные преобразователи. Наконец, детальная модель позволит проверить поведение системы с высокой степенью точности и при необходимости выполнить другие корректировки.
Исследуемая архитектура системы основана на Toyota Prius THSII:

Более точно, исследование сосредоточено на различных подробных уровнях модели электрической системы.
Используемая модель батареи является базовой моделью от Simscape™ Electrical™ Специализированная библиотека Энергосистем и требует немногих параметров. Рассматривается батарея NiMH 201 В, 6,5 А· ч (так же, как та, что используется в Toyota Prius). Для этой модели нет необходимости использовать другой детализированный уровень, поскольку он очень прост в использовании и обеспечивает хорошую точность.
Упрощенная электрическая модель основана на принципе баланса мощности на различных элементах. Обратите внимание, что эти упрощенные модели имеют энергоэффективность 100%.
Для преобразователя постоянного тока предполагается, что напряжение шины постоянного тока, которое питает двигатель и генератор, поддерживается постоянным регулятором. Для этой модели требуется шина постоянного тока 500 В. Напряжение на стороне шины постоянного тока поддерживается постоянным с использованием источника постоянного напряжения. Из принципа баланса мощности от батареи запрашивается соответствующий ток. Фильтр необходим для разрыва алгебраического цикла. Ниже приведена упрощенная модель преобразователя постоянного тока:

Электродвигатель прикладывает механический крутящий момент к системе. Требуемый крутящий момент определяется системой управления энергией. Предполагается, что регулятор крутящего момента имеет такую конструкцию, что опорный крутящий момент непосредственно прикладывается к валу двигателя. Измеряя скорость вала и напряжение шины постоянного тока, можно с помощью принципа баланса мощности определить соответствующий ток шины постоянного тока. Ниже приведена упрощенная модель электродвигателя:

Генератор представлен в точности как электродвигатель. Отрицательный крутящий момент запрашивается системой управления энергией для выработки электроэнергии. Поскольку предполагается, что система управления генератором является идеальной, опорный крутящий момент непосредственно прикладывается к механической системе. Соответствующий ток выводится с использованием принципа баланса мощности.
Моделирование упрощенной электрической системы является полезным, поскольку оно показывает рабочие характеристики системы управления энергией, механической системы и различных электрических компонентов. Фактически, короткое время моделирования (приблизительно в 0,7 раза больше реального времени в нормальном режиме) позволяет быстро корректировать систему управления энергией для улучшения рабочих характеристик. Для этой фазы моделирования положение ускорителя устанавливают равным 100% и получают следующие результаты:


Следует отметить, что в этой фазе моделирования невозможно определить ток статора для двигателя и генератора; это объясняет, почему эти токи являются нулями. Упрощенная модель теперь может помочь в определении размеров каждого компонента электрической системы. Следующий раздел посвящен архитектуре каждого компонента, включая электрические машины и различные регуляторы.
На этом этапе моделирования повышается уровень точности. Выбираются различные архитектуры электрических машин и регуляторов.
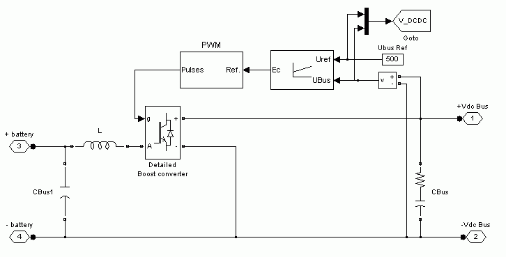
Преобразователь среднего значения постоянного тока использует регулятор напряжения, основанный на контроллере пропорционального интегратора (PI), для поддержания напряжения шины постоянного тока равным опорному напряжению (500 В). Моделирование позволяет выбирать индуктор и конденсаторы и регулировать параметры PI-контроллера для получения результатов, аналогичных упрощенной модели. Ниже приведена модель преобразователя постоянного тока:

При использовании преобразователя среднего значения для повышающего преобразователя требуется только рабочий цикл. Напряжение батареи устанавливается повышающим преобразователем на основе рабочего цикла и напряжения шины постоянного тока. На стороне высокого напряжения ток шины постоянного тока устанавливается на основе рабочего цикла и тока батареи. Дополнительные сведения об этой системе см. в разделе Двухквадрантный дисковод постоянного тока Chopper.

Двигатель представляет собой синхронную машину с постоянным магнитом (PMSM). По результатам упрощенной модели определяется потребность в двигателе. Он должен иметь возможность производить максимальный крутящий момент 400 Нм и максимальную мощность 50 кВт до 6000 об/мин (эта скорость получается при моделировании упрощенной модели в течение 60 секунд, чтобы транспортное средство достигало 160 км/ч).
Управление двигателем осуществляется с помощью векторного управления. Поскольку машина использует внутренний ротор постоянного магнита, можно использовать момент сопротивления для увеличения общего выходного крутящего момента и работы на очень высокой скорости. Дополнительные сведения об этой конфигурации см. в разделе ac6_IPMSM пример. Электропривод состоит из двигателя, инвертора и векторного контроллера.

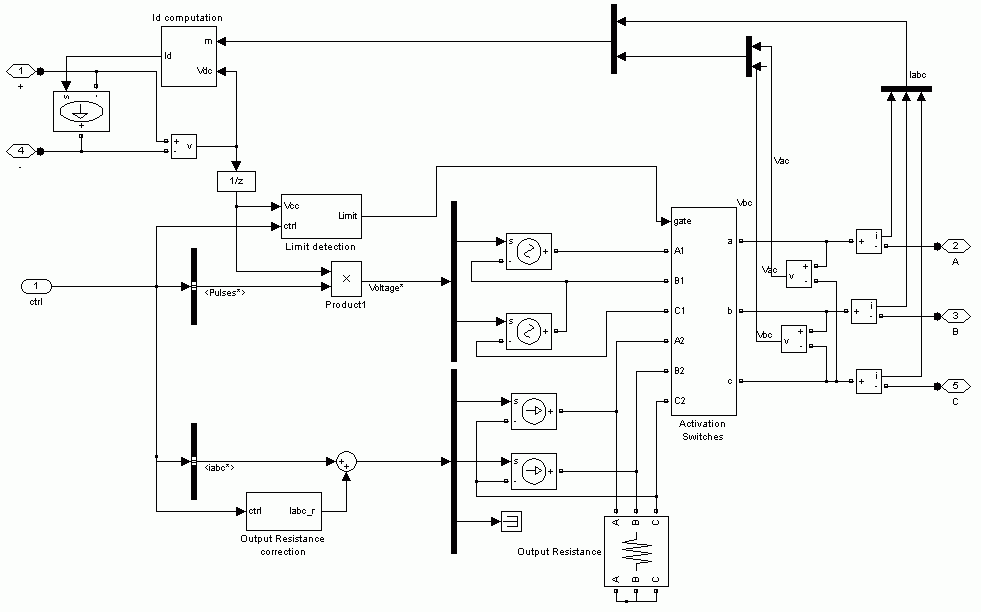
Аналогично модели преобразователя постоянного тока инвертор представлен моделью среднего значения, и эффект переключения силовых полупроводников не учитывается. Опорные токи (от векторного контроллера) непосредственно подаются на двигатель через управляемые источники тока. Кроме того, этот инвертор позволяет моделировать ток насыщения, когда напряжение шины постоянного тока недостаточно велико для питания двигателя (при заданной скорости и крутящем моменте). Ниже приведена модель средней стоимости:

При нормальной работе для питания машины используются источники тока. В режиме насыщения вместо него используются источники напряжения. Дополнительные сведения об этой системе см. в разделе Синхронный привод двигателя PM.
Генератор также является синхронной машиной с постоянным магнитом. По результатам упрощенной модели она должна обеспечивать максимальную мощность 30 кВт и максимальную скорость 15 000 об/мин. Векторный контроллер используется для обеспечения правильной работы генератора. В качестве необъективной полюсной машины используется классический способ управления (id = 0) во всей рабочей области. Ниже приведена модель всей системы:

Модель среднего значения идентична как для двигателя, так и для генератора.
Моделирование модели среднего значения позволило произвести размерность электрических компонентов (индуктора, конденсатора, двигателя и генератора) и настройку различных систем контроллеров. На этом этапе теперь можно четко визуализировать электрические сигналы. Это помогает в точной настройке регуляторов и системы управления энергией. Более длительное время моделирования (в 16 раз больше реального времени в нормальном режиме и в 3,5 раза больше реального времени в режиме ускорителя) позволяет более точно представлять поведение электрической системы. Ниже приведены результаты работы различных систем:


На этой фазе моделирования модели средних значений преобразователей заменяются силовыми полупроводниковыми переключателями. Также определяется способ генерации сигналов с широтно-импульсной модуляцией (ШИМ).
Для подробной модели преобразователя постоянного тока выходной сигнал PI-контроллера посылается на широтно-импульсный модулятор, который выбирает последовательность импульсов, необходимую для поддержания напряжения шины постоянного тока близко к опорному значению. Сигналы ШИМ затем посылаются непосредственно на полупроводниковый переключатель с одним ответвлением питания.

Для детальной модели этих элементов инвертор среднего значения заменяется на 3-х ножные силовые полупроводниковые переключатели, состоящие из 6 пар IGBT/диод. Выходной сигнал векторного контроллера посылается в контроллер гистерезиса, который генерирует требуемые сигналы ШИМ. Дополнительные сведения об этих системах см. в разделе Синхронный привод двигателя PM.
Моделирование детальной модели дает много информации относительно преобразователей мощности. Фактически он позволяет выбирать способ генерации ШИМ, регулировать частоту переключения (для преобразователя постоянного тока) и настраивать полосу гистерезиса регулятора тока, необходимого для векторного управления (двигатель и генератор). Кроме того, это позволяет определять размеры преобразователей, поскольку мгновенные значения токов точно известны. Выбор силовых полупроводниковых переключателей и определение размеров теплоотводов могут быть сделаны впоследствии.
В более широком представлении это моделирование помогает с высокой точностью проверить работу электрической цепи и позволяет обнаруживать любые проблемы, вызванные нестабильностью, избыточным напряжением или избыточным током. Эта высокая степень точности достигается, конечно, по цене более длительного времени вычисления. Фактически, время моделирования примерно в 90 раз больше реального времени в режиме ускорителя. Ниже приведены результаты работы различных систем:


Что касается точности, то механические сигналы (скорость и крутящий момент транспортного средства) и электрические сигналы (средняя мощность от различных элементов) очень близки для всех трех моделей. Фактически погрешность скорости транспортного средства составляет менее 2 км/ч и 1,5 км/ч для упрощенной и средней моделей значений, соответственно. Что касается мощности двигателя, то динамика упрощенной и средней стоимостных моделей также близка к детальной модели. Основное отличие заключается в высокочастотной составляющей, присутствующей в подробных модельных сигналах из-за частоты переключения инвертора. Максимальная погрешность двух моделей меньше 5000 Вт (ниже 10%), а средняя погрешность ниже 5%.

Что касается крутящего момента транспортного средства, то эти три модели находятся очень близко друг к другу с максимальной погрешностью 5%. Внимательно рассматривая различия (правая фигура), следует отметить, что упрощенная модель мгновенно реагирует на опорный крутящий момент, требуемый системой управления энергией. Для модели среднего значения крутящий момент постепенно увеличивается до требуемого крутящего момента с большей точностью по сравнению с детализированной моделью. Подробная модель также характеризуется высокочастотным сигналом, генерируемым частотой переключения электрической системы.

Что касается сигналов батареи, упрощенная и средняя модели значений точно соответствуют динамике детализированной модели без высокочастотной составляющей.

Одно из основных различий между упрощенной и средней моделями значений заключается в электрических сигналах от двигателя и генератора. Фактически упрощенная модель не может представлять двигатель или ток генератора. Разница между средним значением и детализированными моделями заключается в наличии высокочастотной составляющей в детализированной модели. Амплитуда токов является абсолютно одинаковой для двух моделей, тогда как фаза может быть разной из-за изменений механической скорости.

Вот таблица, в которой обобщены различия между различными подробными уровнями:

В заключение следует отметить, что выбранный уровень точности зависит от стадии разработки, над которой работает инженер. Например, в начале процесса системный инженер хочет смоделировать свою систему, чтобы иметь представление о том, как она работает, с целью эффективной корректировки системы управления энергией. Моделирование упрощенной модели помогает определить скорости, крутящие моменты и электрические мощности, имеющиеся в системе. Поскольку эта модель требует меньше времени вычисления (менее чем в 1 раз больше реального времени), можно изучить несколько конфигураций и получить результаты, близкие к реальности, за очень короткое время.
Впоследствии модель среднего значения позволяет инженеру-электрику проектировать различные системы управления и выбирать двигатель и генератор на основе результатов упрощенной модели. Время моделирования (менее чем в 4 раза больше реального времени в режиме ускорителя) является приемлемым. Это позволяет проверить поведение системы и настроить как систему управления, так и систему управления энергией.
Наконец, специалист по силовой электронике может использовать детальную модель для выбора компонентов силовых полупроводников на основе мгновенных и средних значений токов и напряжений. Потери могут быть оценены (для конструкции теплоотвода), частота переключения может быть отрегулирована, чтобы гарантировать, что электромагнитные помехи (EMI) не повлияют на другие системы. Кроме того, полное моделирование детальной модели позволяет проверить поведение различных элементов в системе и при необходимости точно настроить систему управления энергией. Конечно, этот высокий уровень точности достигается при большем времени вычисления, примерно в 90 раз превышающем реальное время. Но это большое время все еще приемлемо по сравнению со временем, необходимым в экспериментальной установке.
Очевидно, что при разработке детализированной модели или модели среднего значения можно изолировать некоторые блоки, такие как преобразователь постоянного тока или приводы двигателя и генератора, чтобы предварительно отрегулировать каждую систему. Блок можно добавить в полную модель, если она работает правильно.
Наконец, когда имитационная модель завершена, она представляет реальность с высокой степенью точности. Следующая фаза, которая состоит из реализации системы экспериментально, может быть выполнена с меньшим временем и при меньших затратах.