Повышение номинальных характеристик и улучшение рабочих характеристик полупроводниковых устройств с собственной коммутацией сделали возможной передачу высокого напряжения постоянного тока (HVDC) на основе преобразователя с источником напряжения (VSC). Две технологии, предлагаемые производителями - HVDC Light [1] и HVDCplus [2].
Пример, описанный в этом разделе, иллюстрирует моделирование линии передачи высоковольтного постоянного тока (VSC-HVDC) с принудительной коммутацией. Цели этого примера состоят в том, чтобы продемонстрировать использование Simscape™ Electrical™ Специализированные блоки Энергосистем в моделировании связи передачи HVDC на основе трехуровневого Neutral Point Clamped (NPC) конвертеры VSC с единственной фазой основанное на перевозчике переключение Sinusoidal Pulse Width Modulation (SPWM). Возмущения применяются для проверки динамических характеристик системы.
Основной характеристикой передачи VSC-HVDC является возможность независимого управления потоком реактивной и реальной мощности в каждой системе переменного тока, к которой она подключена, в точке общей связи (PCC). В отличие от передачи HVDC с линейной коммутацией полярность напряжения линии связи постоянного тока остается неизменной, при этом ток постоянного тока изменяется на противоположный для изменения направления потока мощности.
Канал HVDC, описанный в этом примере, доступен в power_hvdc_vsc модель. Команду можно выполнить, введя в окне MATLAB ® Command Window следующее :power_hvdc_vsc. Загрузите эту модель и сохраните ее в рабочей папке как case5 позволяет вносить дальнейшие изменения в исходную систему. Эта модель представляет канал передачи VSC-HVDC напряжением 200 МВА, +/- 100 кВ.
Системы 230 кВ, 2000 МВА переменного тока (подсистемы системы 1 переменного тока и системы 2 переменного тока) моделируются демпфированными L-R эквивалентами с углом 80 градусов на основной частоте (50 Гц) и на третьей гармонике. Преобразователи VSC представляют собой трехуровневые мостовые блоки, использующие IGBT/диоды. Относительная легкость, с которой можно управлять БТИЗ, и его пригодность для высокочастотного переключения сделали это устройство лучшим выбором по сравнению с ГТО и тиристорами. Откройте подсистемы Station 1 и Station 2, чтобы увидеть, как они построены.
Трансформатор преобразователя (Wye заземленный/Delta) используется для обеспечения оптимального преобразования напряжения. Настоящее устройство обмотки блокирует тройные гармоники, создаваемые преобразователем. Переключатель отводов трансформатора или насыщение не моделируются. Положение отводов, скорее, находится в фиксированном положении, определяемом коэффициентом умножения, применяемым к первичному номинальному напряжению преобразовательных трансформаторов. Коэффициенты умножения выбраны так, чтобы иметь коэффициент модуляции около 0,85 (отношения трансформаторов 0,915 на стороне выпрямителя и 1,015 на стороне инвертора). Реактор преобразователя и реактивное сопротивление утечки трансформатора обеспечивают сдвиг выходного напряжения VSC по фазе и амплитуде относительно системы переменного тока и позволяют управлять выходом активной и реактивной мощности преобразователя.
Для соответствия спецификациям гармоник системы переменного тока фильтры переменного тока являются неотъемлемой частью схемы. Они могут быть соединены как шунтирующие элементы на стороне системы переменного тока или на стороне преобразователя трансформатора. Поскольку существуют только высокочастотные гармоники, шунтирующая фильтрация, следовательно, относительно мала по сравнению с номинальным значением преобразователя. Достаточно с фильтром верхних частот и не нужны настроенные фильтры. Более поздняя компоновка используется в нашей модели, и конвертерный реактор, устройство с воздушным сердечником, отделяет основную частоту (шину фильтра) от необработанного сигнала ШИМ (шину преобразователя). Генерация гармоник переменного тока [4] в основном зависит от:
Тип модуляции (например, однофазная или трехфазная несущая, пространственный вектор и т.д.)
Индекс частоты p = частота несущей/частота модулятора (например, p = 1350/50 = 27)
Индекс модуляции m = основное выходное напряжение преобразователя/полюса в полюсное напряжение постоянного тока
Главные гармонические напряжения генерируются на и вокруг кратных Р. Шунтирующие фильтры переменного тока имеют 27-й и 54-й высокие проходы, суммарно 40 Мвар. Чтобы проиллюстрировать действие фильтра переменного тока, мы провели анализ БПФ в установившемся состоянии напряжения фазы A преобразователя и напряжения фазы A шины фильтра, используя блок Powergui. Результаты показаны в анализе напряжения фазы А и БПФ: (a) Шина преобразователя (b) Шина фильтра.
Анализ напряжения фазы А и БПФ: (a) Шина преобразователя (b) Шина фильтра

Конденсаторы постоянного тока резервуара подключены к клеммам VSC. Они оказывают влияние на динамику системы и пульсацию напряжения на стороне постоянного тока. Размер конденсатора определяется постоянной времени, соответствующей времени, которое требуется для зарядки конденсатора до базового напряжения (100 кВ), если он заряжен базовым током (1 кА). Это дает
start= C· Zбаза = 70e-6· 100 = 7 мс
с Zbase = 100kV/1 кА
Фильтры на стороне постоянного тока, блокирующие высокочастотные, настраиваются на 3-ю гармонику, т.е. основную гармонику, присутствующую в положительном и отрицательном полюсных напряжениях. Показано, что ток реактивного преобразователя генерирует относительно большую третью гармонику как в положительном, так и в отрицательном полюсном напряжении [3], но не в общем напряжении постоянного тока. Гармоники постоянного тока также могут быть гармониками нулевой последовательности (нечетные кратные 3), передаваемыми на сторону постоянного тока (например, через заземленные фильтры переменного тока). Сглаживающий реактор соединен последовательно на каждом полюсном выводе.
Для поддержания баланса на стороне постоянного тока уровень разности между полюсными напряжениями должен регулироваться и поддерживаться равным нулю (см. блок управления балансом напряжения постоянного тока в блоке контроллера VSC).
Выпрямитель и инвертор соединены между собой кабелем протяженностью 75 км (2 секции). Использование подземного кабеля типично для линий VSC-HVDC. Автоматический выключатель используется для наложения трехфазного замыкания на землю на стороне инвертора переменного тока. Трехфазный программируемый блок источника напряжения используется в системе станции 1 для применения проволочек напряжения.
Обзор системы управления преобразователем VSC и интерфейса с основным каналом показывает обзорную схему системы управления VSC и ее интерфейса с основным каналом [3].
Обзор системы управления преобразователем VSC и интерфейса с основной схемой

Конструкции контроллера преобразователя 1 и преобразователя 2 идентичны. Два контроллера независимы друг от друга без связи между ними. Каждый преобразователь имеет две степени свободы. В нашем случае они используются для контроля:
P и Q на станции 1 (выпрямитель)
Udc и Q на станции 2 (инвертор).
Управление напряжением переменного тока также возможно в качестве альтернативы Q. Это требует дополнительного регулятора, который не реализован в нашей модели.
Откройте подсистему контроллера VSC для просмотра подробной информации.
Время выборки модели контроллера (Ts_Control) составляет 74,06 мкс, что в десять раз больше времени имитации выборки. Последний выбирается равным одной сотой периода несущей ШИМ (т.е. 0,01/1350 с), что дает приемлемую точность моделирования. Элементы питания, сглаживающие фильтры и блок генератора ШИМ используют основное время выборки (Ts_Power) 7,406 мкс. Для нашей модели выбран несинхронизированный режим работы ШИМ.
Нормированные дискретизированные напряжения и токи (в pu) подаются на контроллер.
Блок преобразований Кларка преобразует трёхфазные величины в компоненты вектора пространства α и β (действительная и мнимая часть). Измерения сигнала (U и I) на первичной стороне вращаются на ± pi/6 в соответствии с подключением трансформатора (YD11 или YD1), чтобы иметь одинаковый опорный кадр с сигналом, измеренным на вторичной стороне трансформатора (см. блок CLARK YD ).
Блок преобразований dq вычисляет величины прямой оси «d» и квадратичной оси «q» (двухосный вращающийся опорный кадр) из величин α и β.
Блок вычисления сигнала вычисляет и фильтрует величины, используемые контроллером (например, активная и реактивная мощность, индекс модуляции, постоянный ток и напряжение и т.д.).
Блок фазовой автоподстройки частоты измеряет системную частоту и обеспечивает фазовый синхронный угол Λ (точнее [sin (Start), cos (Start)]) для блока dq Преобразований. В установившемся состоянии sin (Start) находится в фазе с фундаментальной (положительной последовательностью) α - составляющей и фазой A напряжения PCC ( Uabc).
Контур активной и реактивной мощности и напряжения содержит регуляторы внешнего контура, которые вычисляют опорное значение вектора тока (Iref_dq) преобразователя, который является входом во внутренний контур тока. Режимами управления являются: по оси «d» либо активный поток мощности на РСС, либо напряжение постоянного тока «полюс-полюс»; на оси «q» - поток реактивной мощности на РСС. Следует отметить, что можно было бы также добавить режим управления напряжением переменного тока в PCC на оси «q». Основные функции контура активной и реактивной мощности и напряжения описаны ниже.
Блок регулятора реактивной мощности комбинирует PI-управление с управлением прямой связью для увеличения отклика на скорость. Во избежание срабатывания интегратора выполняются следующие действия: ошибка сбрасывается в ноль, когда измеренное напряжение РСС меньше постоянной величины (т.е. при возмущении переменного тока); когда выход регулятора ограничен, ошибка ограничения подается обратно с правым знаком на вход интегратора. Блок управления напряжением переменного тока, основанный на двух регуляторах PI, переопределяет регулятор реактивной мощности для поддержания напряжения PCC переменного тока в безопасном диапазоне, особенно в установившемся состоянии.
Блок управления активной мощностью аналогичен блоку управления реактивной мощностью. Дополнительный блок Ramping наклоняет порядок питания к требуемому значению с регулируемой скоростью при снятии блокировки управления. Когда преобразователь заблокирован, нормированное значение сбрасывается в нуль. Блок управления напряжением постоянного тока, основанный на двух регуляторах PI, переопределяет активный регулятор мощности для поддержания напряжения постоянного тока в защищенном диапазоне, особенно во время возмущения в системе переменного тока станции, управляющей напряжением постоянного тока.
В блоке регулятора постоянного напряжения используется PI-регулятор. Этот блок активизируется, когда блок активного управления питанием отключен. Выходной сигнал блока является опорным значением для «d» составляющей вектора тока преобразователя для блока ограничения опорного тока.
Блок вычисления опорных токов преобразует опорные токи активной и реактивной мощности, рассчитанные регуляторами P и Q, в опорные токи в соответствии с измеренным (пространственным вектором) напряжением на шине фильтра.
Текущий опорный вектор ограничен максимально допустимым значением (т.е. зависит от оборудования) блоком «Ограничение текущего опорного сигнала». В режиме управления мощностью равное масштабирование применяется к активной и реактивной опорной мощности при наложении предела. В режиме управления напряжением постоянного тока более высокий приоритет отдается активной мощности, когда устанавливается предел для эффективного управления напряжением.
Основные функции блока внутреннего токового контура описаны ниже.
Блок управления током переменного тока отслеживает опорный вектор тока (компоненты «d» и «q») с помощью схемы прямой передачи для достижения быстрого управления током при изменениях нагрузки и возмущениях (например, чтобы отказы короткого замыкания не превышали эталонные значения) [3] [5] [6]. По существу, оно состоит в знании U_dq векторных напряжений и вычислении того, какими должны быть напряжения преобразователя, путем сложения падений напряжения из-за токов по импедансу между напряжениями U и PWM-VSC. Используются уравнения состояния, представляющие динамику токов VSC (аппроксимация производится пренебрежением фильтрами переменного тока). Компоненты «d» и «q» разъединяются для получения двух независимых моделей растений первого порядка. Пропорциональная интегральная (PI) обратная связь тока преобразователя используется для уменьшения погрешности до нуля в установившемся состоянии. Выходной сигнал блока управления током переменного тока представляет собой неограниченный вектор опорного напряжения Vref_dq_tmp.
Блок кондиционирования опорного напряжения учитывает фактическое напряжение постоянного тока и теоретическое максимальное пиковое значение основного напряжения фазы моста по отношению к напряжению постоянного тока для генерации нового оптимизированного вектора опорного напряжения. В нашей модели (т.е. трехуровневой NPC с PWM на основе несущей) отношение между максимальным основным пиковым напряжением фазы и общим напряжением постоянного тока (т.е. для индекса модуляции 1) составляет 3) = 0,816. При выборе номинального линейного напряжения 100 кВ на вторичной шине трансформатора и номинального общего постоянного напряжения 200 кВ номинальный индекс модуляции будет равен 0,816. Теоретически преобразователь должен быть способен генерировать до 1/0,816 или 1,23 pu, когда индекс модуляции равен 1. Этот запас напряжения важен для генерирования значительного емкостного тока преобразователя (т.е. потока реактивной мощности в систему переменного тока).
Блок ограничения опорного напряжения ограничивает амплитуду вектора опорного напряжения до 1,0, поскольку чрезмерная модуляция не желательна.
Блоки обратного преобразования dq и обратного преобразования Кларка необходимы для генерации трехфазных ссылок напряжения на ШИМ.
Управление балансом напряжения постоянного тока может быть включено или отключено. Разность между напряжениями на стороне постоянного тока (положительными и отрицательными) регулируется для поддержания постоянной стороны трехуровневого моста сбалансированной (т.е. равных полюсных напряжений) в устойчивом состоянии. Небольшие отклонения между полюсными напряжениями могут возникать при изменениях тока активного/реактивного преобразователя или из-за нелинейности при отсутствии точности при выполнении широтно-импульсного модулированного мостового напряжения. Кроме того, отклонения между полюсными напряжениями могут быть обусловлены внутренним дисбалансом импеданса компонентов схемы.
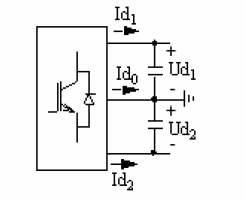
Ток середины DC Id0 определяет различие Ud0 между верхними и более низкими напряжениями постоянного тока (напряжения постоянного тока и Ток Три-Левель-Бридж).
Напряжения и токи постоянного тока трехуровневого моста

=−C⋅ddt (Ud0)
Изменяя время проводимости переключателей в полюсе, можно изменять среднее значение тока средней точки постоянного тока Id0 и тем самым управлять Ud0 разностного напряжения. Например, положительная разность (Ud0 ≥ 0) может быть уменьшена до нуля, если амплитуда опорного напряжения, которое генерирует положительный ток средней точки, увеличивается одновременно с уменьшением амплитуды опорного напряжения, которое генерирует отрицательный ток средней точки постоянного тока. Это делается путем добавления компонента смещения к синусоидальному опорному напряжению. Следовательно, напряжение моста становится искаженным, и для ограничения эффекта искажения управление должно быть медленным. Наконец, для повышения производительности эта функция должна быть активирована в станции, контролирующей напряжение постоянного тока.
В следующих разделах динамические характеристики системы передачи проверяются путем моделирования и наблюдения
Динамическая реакция на ступенчатые изменения, применяемые к основным ссылкам регулятора, например, активная/реактивная мощность и напряжение постоянного тока
Восстановление после незначительных и сильных возмущений в системе переменного тока
Подробное описание процедуры получения этих и других результатов см. в разделе Информация о модели.
Ответы на шаг запуска и P&Q на станции 1

Запуск и отклик на шаг Udc на станции 2

Преобразователь станции 2, управляющий напряжением постоянного тока, сначала разблокируется при t = 0,1. Затем станция 1, управляющая преобразователем активной мощности, разблокируется при t = 0,3 с и мощность медленно нарастает до 1 pu. Стационарное состояние достигается приблизительно на t = 1,3 с при напряжении постоянного тока и мощности 1,0 pu (200 кВ, 200 МВт). Оба преобразователя управляют потоком реактивной мощности до нулевого значения в станции 1 и до 20 Mvar (-0,1 pu) в системе станции 2.
После достижения установившегося состояния на эталонную активную мощность в преобразователе 1 (t = 1,5 с) подается шаг -0,1 pu, а затем шаг -0,1 pu подается на эталонную реактивную мощность (t = 2,0 с). На станции 2 шаг -0,05 pu применяется к опорному напряжению постоянного тока. Наблюдается динамическая реакция регуляторов. Время стабилизации составляет приблизительно 0,3. Система управления пытается разъединить отклики активной и реактивной мощности. Обратите внимание на более или менее взаимное влияние регуляторов.
Из установившегося состояния незначительное и сильное возмущение выполняются в станционных системах 1 и 2 соответственно. На шине станции 1 сначала прикладывается трехфазное провисание напряжения, затем после восстановления системы на шине станции 2 - трехфазное замыкание на землю. Восстановление системы от возмущений должно быть быстрым и стабильным. Основные формы сигналов из областей воспроизводятся на двух рисунках ниже.
Шаг напряжения в системе переменного тока 1

Шаг переменного напряжения (-0,1 pu) прикладывается при t = 1,5 с в течение 0,14 с (7 циклов) на станции 1. Результаты показывают, что отклонение активной и реактивной мощности от предварительного возмущения составляет менее 0,09 pu и 0,2 pu соответственно. Время восстановления составляет менее 0,3 с, и устойчивое состояние достигается до следующего инициирования возмущения.
Неисправность возникает при t = 2,1 с в течение 0,12 с (6 циклов) на станции 2.
Трехфазное замыкание на землю на шине станции 2

Следует отметить, что во время трехфазного отказа передаваемая мощность постоянного тока почти останавливается, и напряжение постоянного тока имеет тенденцию к увеличению (1,2 pu), поскольку емкость стороны постоянного тока чрезмерно заряжается. Специальная функция (переопределение управления напряжением постоянного тока) в активном управлении мощностью (на станции 1) пытается ограничить напряжение постоянного тока в пределах фиксированного диапазона. Система восстанавливается хорошо после сбоя, в пределах 0,5 с. Обратите внимание на затухающие колебания (около 10 Гц) реактивной мощности.
[1] Веймерс, Л. «Новая технология для лучшей окружающей среды», Обзор энергетики, IEEE ®, том 18, выпуск 8, август 1998 г.
[2] Schettler F., Huang H. и Christl N. «Системы передачи HVDC с использованием преобразователей источников напряжения - дизайн и приложения», IEEE Power Engineering Society Summer Meeting, июль 2000.
[3] Линдберг, Андерс «PWM и управление двух и трех уровней высоковольтных преобразователей», дипломная работа Licentiate, ISSN-1100-1615, TRITA-EHE 9501, Королевский технологический институт, Швеция, 1995.
[4] Сэдаба, Алонсо, О., П. Сэнчис Герпайд, Дж. Лопес Танерна, я. Муноз Моралес, Л. Марройо Пэломо, «Гармоника напряжения, Произведенная 3-уровневыми Конвертерами Используя Естественную Выборку PWM», Конференция специалиста по Силовой электронике, 2001, IEEE 32-й Ежегодник, 17-21 июня 2001, издание 3, стр 1561-1565.
[5] Lu, Weixing, Boon-Teck Ooi, «Оптимальное получение и агрегирование энергии морского ветра с помощью многостанционного источника напряжения HVDC», IEEE Trans. Power Delivery, том 18, стр. 201-206, январь 2003.
[6] Сан, К., П. В. Лен, М.Р. Iravani, J.A. Martinez, «Эталонная система для цифрового моделирования во временной области D-STATCOM с широтно-импульсной модуляцией», IEEE Trans. Power Delivery, том 17, стр. 1113-1120, октябрь 2002.