Электрическая система топливного элемента
Simscape/Электрооборудование/Источники

Блок топливных элементов моделирует топливный элемент, который преобразует химическую энергию водорода в электрическую энергию.
Эта химическая реакция определяет электрическую конверсию:
с этими каталитическими подреакциями:

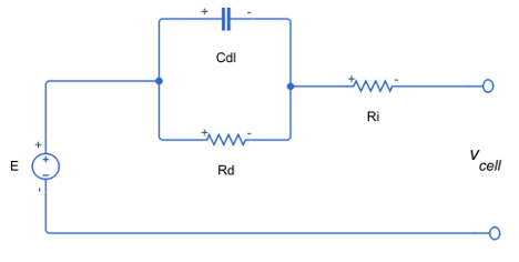
Батарея топливных элементов содержит несколько последовательно соединенных топливных элементов. На этом рисунке показана эквивалентная схема одного топливного элемента.

где:
Vcell - напряжение ячейки.
Ри - внутреннее сопротивление.
Rd - сумма сопротивлений активации и концентрации.
Cdl - параллельная емкость RC, которая учитывает динамику времени в ячейке.
Можно использовать параметр Точность модели (Model fidelity), чтобы задать для блока топливного элемента два различных уровня точности:
Simplified - nominal conditions - Блок вычисляет напряжение Нернста при номинальном условии температуры и давления.
Detailed with physical inputs - Блок вычисляет напряжение Нернста с учетом давлений и расхода топлива и воздуха.
Если для параметра «Точность модели» задано значение Simplified - nominal conditionsблок топливного элемента вычисляет напряжение Нернста, E, при номинальном условии температуры и давления, как определено следующими уравнениями:
startdvddt + vd) = iFC
где:
Eoc - напряжение разомкнутой цепи.
N - количество ячеек на модуль.
Nunit - это модули (серии).
А - склон Тафеля, в вольтах.
i0 - номинальный обменный ток.
CdlRd.
Если для параметра «Точность модели» задано значение Detailed with physical inputsблок топливного элемента вычисляет напряжение Нернста, E, путем учета давлений и расхода топлива и воздуха.
Эти уравнения определяют скорости использования водорода, UH2 и кислорода, UO2
где:
Ve - тепловое напряжение при комнатной температуре.
pfuel - давление подачи топлива, в bar.
qfuel - расход топлива.
xH2 - концентрация водорода в топливе.
пара - давление подачи воздуха, в bar.
qair - расход воздуха.
xO2 - концентрация кислорода в воздухе.
Эти уравнения определяют парциальные давления:
где xH2O - концентрация пара в воздухе.
Затем блок вычисляет напряжение Нернста как

где:
RTnomz0Fln (pnH2pnO212).
iFCi0) - электрокинетический термин для активации.
iFC) - электрокинетический термин для концентрации.
pnH2pnO212))).
Kc - постоянная напряжения при номинальном состоянии работы.
Tnom - значение параметра Номинальная температура.
z - число движущихся электронов в секунду.
z0 - число движущихся электронов в секунду при значении параметра Номинальный ток обмена.
F - постоянная Фарадея.
R - универсальная газовая постоянная.
pnH2 - номинальное давление водорода, в bar.
pnO2 - номинальное давление кислорода, в bar.
∗298 - наклон Тафеля в зависимости от температуры.
ilim - значение текущего параметра свертывания.
Напряжение 1.229 представляет стандартный потенциал ячейки для уравнения Нернста.
Блок вычисляет рассеиваемую мощность или тепло, выделяемое в топливном элементе, используя это уравнение.
+ vd21Rd
где:
iFC2ΔG - общая скорость обращения электронов, вmol/s.
ΔS - реакция энтропийного топливного элемента, в kJ/(mol*K).
ΔG - реакция свободного топливного элемента Гиббса, в kJ/mol.
Раздел «Переменные» интерфейса блока используется для установки приоритетов и начальных целевых значений для переменных блока перед моделированием. Дополнительные сведения см. в разделе Установка приоритета и начальной цели для переменных блока.
Блок топливных элементов не допускает электролиза.
[1] Сделайте, T.C., и др. «Стратегия управления энергией экскаватора топливных элементов PEM с суперконденсатором/батарейным гибридным источником питания». Энергии 12, № 22, (ноябрь 2019). DOI.org (Crossref), дой: 10.3390/en13010136.
[2] Motapon, Souleman N., O. Tremblay и L. Dessaint, «Общая модель топливных элементов для моделирования транспортных средств на топливных элементах». 2009 IEEE Vehicle Power and Propulsion Conference, Dearborn, MI, 2009, pp. 1722-1729, doi: 10.1109/VPPC.2009.5289692
[3] Хиршенхофер, J. H.,, D.B. Stauffer, R.R. Энглман и М.Г. Клетт. Справочник по топливным элементам (4-е изд.). Управление ископаемой энергии Министерства энергетики США, 1988.
[4] Лармини, Джеймс и Эндрю Дики. Системы топливных элементов. Западный Сассекс, Англия: John Wiley & Sons, Ltd,., 2003. https://doi.org/10.1002/9781118878330.