Однополюсный многополюсный переключатель
Радиочастотный блок/оболочка цепи/соединения

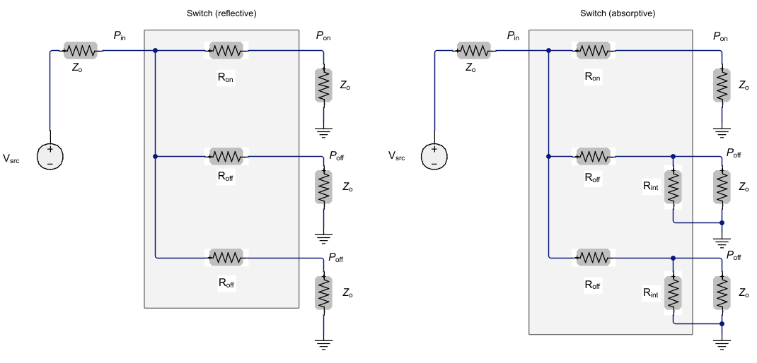
Блок SPnT моделирует однополюсный многополюсный переключатель. Этот блок поддерживает как отражающие, так и поглощающие переключатели. Для коммутатора можно указать от двух до восьми портов вывода. Управляющий сигнал - это сигнал Simulink ®, подключенный к Ctl порт блока. Управляющий сигнал определяет, какой выходной порт передает входной сигнал. При вводе в Ctl порт находится между одним и числом выходных портов, Ctl значение сигнала округляется до ближайшего целого числа. Выходной порт, соответствующий целочисленному значению, передает данные. Если скругленный Ctl значение сигнала не соответствует ни одному из выходных портов, тогда все выходные порты выключаются.
[1] Разави, Бехзад. Микроэлектроника РФ. Река Верхнее Седло, Нью-Джерси: Прентис Холл, 2011.
SPDT | SPST | Выключатель