Модельная линия передачи
Радиочастотный блок/оболочка цепи/элементы

Блок «Линия передачи» используется для моделирования линий передачи на основе задержки, скошенных и распределенных линий передачи. Параметры диалогового окна Маска (Mask) автоматически изменяются для адаптации выбора типа модели.
Model type - Модельный тип линии электропередачиDelay-based and lossless (по умолчанию) | Delay-based and lossy | Lumped parameter L-section | Lumped parameter Pi-section | Coaxial | Coplanar waveguide | Microstrip | Two-wire | Parallel-plate | Equation-based | RLCGТип модели линии электропередачи:
Delay-based and lossless - линия передачи основана на задержке, но без потерь.
Delay-based and lossy - линия передачи основана на задержке и имеет место потеря.
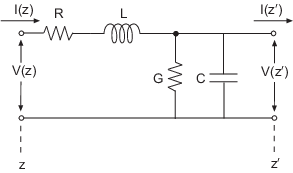
Lumped parameter L-section - линия передачи в виде ряда L-образных секций РЛГК.

Lumped parameter Pi-section - линия передачи в виде ряда пи-секций РЛГК.

Coaxial - линия передачи как коаксиальная линия передачи. Коаксиальная линия передачи показана в поперечном сечении на следующем рисунке. Его физические характеристики включают радиус внутреннего проводника, а и радиус внешнего проводника b.

Coplanar waveguide - линия передачи в виде копланарного волновода. Копланарная волноводная линия передачи показана в поперечном сечении на следующем рисунке. Его физические характеристики включают в себя ширину проводника, w, толщину проводника, t, ширину щели, s, высоту подложки, d и относительную постоянную диэлектрической проницаемости

Microstrip - линия передачи как микрополосковая линия передачи. Микрополосковая линия передачи показана в поперечном сечении на следующем рисунке. Его физические характеристики включают в себя ширину микрополосковой полосы, w, толщину микрополосковой полосы, t, высоту подложки, d и относительную постоянную диэлектрической проницаемости

Two-wire - линия передачи как двухпроводная линия передачи. Двухпроводная линия передачи показана в поперечном сечении на следующем рисунке. Его физические характеристики включают радиус проводов, а, разделение или физическое расстояние между центрами проводов, S, и относительную диэлектрическую проницаемость и проницаемость проводов Привязки (References). Программное обеспечение RF Blockset™ Equivalent Baseband предполагает, что относительная диэлектрическая проницаемость и проницаемость одинаковы.

Parallel plate –
линия передачи как параллельно-пластинчатая линия передачи. Линия передачи с параллельной пластиной показана в поперечном сечении на следующем рисунке. Его физические характеристики включают ширину пластины w и разделение пластины d. Ссылки.

Equation based –
линия передачи как линия передачи на основе уравнения. Линия передачи, которая может быть с потерями или без потерь, рассматривается как двухпортовая линейная сеть.
RLCG –
линия передачи как линия передачи RLCG. Эта линия описана в диалоговом окне блока с точки зрения ее частотно-зависимого сопротивления, индуктивности, емкости и проводимости. Линия передачи, которая может быть с потерями или без потерь, рассматривается как двухпортовая линейная сеть.

Transmission delay - Задержка в линии электропередачи4.7e-9 s (по умолчанию) | вещественный скалярЗадержка в линии передачи, заданная как действительный скаляр в s, миллисекунды, микросекунды или наносекунды.
Чтобы включить этот параметр, выберите один из следующих вариантов:
Delay-based and lossless в типе модели.
Delay-based and lossy в типе модели.
Characteristic impedance - Импеданс линии передачи50 Ohm (по умолчанию) | вещественный скалярИмпеданс линии передачи, заданный как действительный скаляр в Ohm, kOhm, MOhm, или GOhm.
Чтобы включить этот параметр, выберите один из следующих вариантов:
Delay-based and lossless, Delay-based and lossy, или Equation-based в типе модели.
Lumped parameter L-section или Lumped parameter Pi-section в типе модели и By characterisitc impedance and capacitance в параметризации.
Resistance per unit length - Сопротивление на единицу длины линии электропередачи0.3 Ohm/m (по умолчанию) | положительный скалярСопротивление на единицу длины линии передачи, указанное как положительный скаляр в Ohm/m, kOhm/m, MOhm/m, или GOhm/m.
Чтобы включить этот параметр, выберите один из следующих вариантов:
Delay-based and lossy или RLCG в типе модели.
Lumped parameter L-section или Lumped parameter Pi-section в типе модели и By characterisitc impedance and capacitance в параметризации.
Line length - Физическая длина линии передачи1 cm (по умолчанию) | положительный скалярФизическая длина линии передачи или l, указанная как положительный скаляр в m, cm, mm, um, in, или ft.
Чтобы включить этот параметр, выберите один из следующих вариантов:
Delay-based and lossy, Coaxial, Coplanar waveguide, Microstrip, или Two-wire, Parallel-plate, Equation-based, или RLCG в типе модели.
Lumped parameter L-section или Lumped parameter Pi-section в типе модели и By characterisitc impedance and capacitance или By inductance and capacitance в параметризации.
Number of segments - Количество сегментов в линии электропередачи10 (по умолчанию) | положительный скалярКоличество сегментов в линии передачи, указанное как положительный скаляр.
Чтобы включить этот параметр, выберите один из следующих вариантов:
Delay-based and lossy в типе модели.
Lumped parameter L-section или Lumped parameter Pi-section в типе модели и By characterisitc impedance and capacitance или By inductance and capacitance в параметризации.
Parameterization - тип параметров для моделирования сегментов в линии передачи;By characterisitc impedance and capacitance (по умолчанию) | By inductance and capacitanceТип параметров для моделирования сегментов в линии передачи, указанный как By characterisitc impedance and capacitance или By inductance and capacitance.
Чтобы включить этот параметр, выберите Lumped parameter L-section или Lumped parameter Pi-section в типе модели.
Capacitance per unit length - Емкость на единицу длины линии передачи94e-12 F/m (по умолчанию) | положительный скалярЕмкость на единицу длины линии передачи, заданная как положительный скаляр в F/m, mF/m, uF/m, nF/m, или pF/m.
Чтобы включить этот параметр, выберите Lumped parameter L-section, Lumped parameter Pi-section, или RLCG в типе модели.
Conductance per unit length - Проводимость на единицу длины линии электропередачи5e-6 S/m (по умолчанию) | положительный скалярПроводимость на единицу длины линии передачи, указанная как положительный скаляр в S/m, mS/m, uS/m, или nS/m.
Чтобы включить этот параметр, выберите Lumped parameter L-section, Lumped parameter Pi-section, или RLCG в типе модели.
Inductance per unit length - Индуктивность на единицу длины линии передачи235e-9 H/m (по умолчанию) | положительный скалярИндуктивность на единицу длины линии передачи, заданная как положительный скаляр в H/m, mH/m, uH/m, или nH/m.
Чтобы включить этот параметр, выберите один из следующих вариантов:
Lumped parameter L-section, или Lumped parameter Pi-section в типе модели и By inductance and capacitance в параметризации.
RLCG в типе модели
Outer radius - Внешний радиус коаксиальной линии передачи2.57 mm (по умолчанию) | положительный скалярВнешний радиус коаксиальной линии передачи, указанный как положительный скаляр в m, cm, mm, um, in, или ft.
Чтобы включить этот параметр, выберите Coaxial в типе модели.
Inner radius - Внутренний радиус коаксиальной линии передачи2.57 mm (по умолчанию) | положительный скалярВнутренний радиус коаксиальной линии передачи, заданный как положительный скаляр в m, cm, mm, um, in, или ft.
Чтобы включить этот параметр, выберите Coaxial в типе модели.
Relative permeability constant - Относительная проницаемость диэлектрика1 (по умолчанию) | скалярОтносительная проницаемость диэлектрика, определяемая как скаляр.
Чтобы включить этот параметр, выберите Coaxial, Two-wire, или Parallel-plate в типе модели.
Relative permittivity constant - Относительная диэлектрическая проницаемость2.2 (по умолчанию) | скалярОтносительная диэлектрическая проницаемость, заданная как скаляр.
Чтобы включить этот параметр, выберите Coaxial, Coplanar waveguide, Microstrip, Two-wire, или Parallel-plate в типе модели.
Loss Tangent of dielectric - Тангенс угла потери диэлектрика0 (по умолчанию) | скалярТангенс угла потери диэлектрика, заданный как скаляр.
Чтобы включить этот параметр, выберите Coaxial, Coplanar waveguide, Microstrip, Two-wire, или Parallel-plate в типе модели.
Conductivity of conductor - Проводимость проводникаinf (по умолчанию) | скалярПроводимость проводника, заданная как скаляр в S/m, mS/m, uS/m, или nS/m.
Чтобы включить этот параметр, выберите Coaxial, Coplanar waveguide, Microstrip, Two-wire или Parallel-plate в типе модели.
Stub mode - Тип заглушкиNot a stub (по умолчанию) | Shunt | SeriesТип заглушки, указанный как Not a stub, Shunt, или Series. См. Расчеты параметров для линии передачи с заглушкой.
Чтобы включить этот параметр, выберите Coaxial, Coplanar waveguide, Microstrip
Two-wire, Parallel-plate, Equation-based, или RLCG в типе модели.
Termination of stub - Тип оконечного устройства для заглушкиOpen (по умолчанию) | ShortТип окончания для заглушки, указанный как Open или Short.
Чтобы включить этот параметр, выберите Series или Shunt в режиме «Заглушка».
Conductor width - Физическая ширина проводника0.6 mm (по умолчанию) | положительный скалярФизическая ширина проводника, заданная как положительный скаляр в m, cm, mm, um, in, или ft.
Чтобы включить этот параметр, выберите Coplanar waveguide в типе модели.
Slot width - Физическая ширина слота0.2 mm (по умолчанию) | положительный скалярФизическая ширина слота, заданная как положительный скаляр в m, cm, mm, um, in, или ft.
Чтобы включить этот параметр, выберите Coplanar waveguide в типе модели.
Substrate height - Толщина диэлектрика, на котором находится проводник0.635 mm (по умолчанию) | положительный скалярТолщина диэлектрика, на котором находится проводник, заданная как положительный скаляр в m, cm, mm, um, in, или ft.
Чтобы включить этот параметр, выберите Coplanar waveguide или Microstrip в типе модели.
Strip thickness - Физическая толщина проводника5 um (по умолчанию) | положительный скалярФизическая толщина проводника, заданная как положительный скаляр в m, cm, mm, um, in, или ft.
Чтобы включить этот параметр, выберите Coplanar waveguide или Microstrip в типе модели.
Strip Width - Ширина микрополосковой линии передачи0.6 mm (по умолчанию) | положительный скалярШирина микрополосковой линии передачи, заданная как положительный скаляр в m, cm, mm, um, in, или ft.
Чтобы включить этот параметр, выберите Microstrip в типе модели.
Wire radius - Радиус проводящих проводов двухпроводной линии передачи0.67 mm (по умолчанию) | положительный скалярРадиус проводящих проводов двухпроводной линии передачи, указанный как положительный скаляр в m, cm, mm, um, in, или ft.
Чтобы включить этот параметр, выберите Two-wire в типе модели.
Wire separation - Физическое расстояние между проводящими проводами двухпроводной линии передачи1.62 mm (по умолчанию) | положительный скалярФизическое расстояние между проводящими проводами двухпроводной линии передачи, указанное как положительный скаляр в m, cm, mm, um, in, или ft.
Чтобы включить этот параметр, выберите Two-wire в типе модели.
Plate width - Ширина параллельно-пластинчатой линии передачи5 mm (по умолчанию) | положительный скалярШирина линии передачи с параллельной пластиной, заданная как положительный скаляр в m, cm, mm, um, in, или ft.
Чтобы включить этот параметр, выберите Parallel-plate в типе модели.
Plate separation - Толщина диэлектрических разделительных пластин1 mm (по умолчанию) | положительный скалярТолщина диэлектрика, разделяющего пластины, заданная как положительный скаляр в m, cm, mm, um, in, или ft.
Чтобы включить этот параметр, выберите Parallel-plate в типе модели.
Phase velocity (m/s) - скорость распространения равномерной плоской волны на линии передачи;299792458 (по умолчанию) | положительный скалярСкорость распространения равномерной плоской волны на линии передачи, заданная как положительный скаляр в метрах в секунду
Чтобы включить этот параметр, выберите Equation-based в типе модели.
Loss (dB/m) - Снижение силы сигнала при его прохождении по линии передачи0 (по умолчанию) | положительный скалярУменьшение силы сигнала при его прохождении по линии передачи, определяемое как положительный скаляр в метрах в секунду
Чтобы включить этот параметр, выберите Equation-based в типе модели.
Frequency - Частота моделирования1e9 (по умолчанию) | положительный скалярЧастота моделирования, заданная как положительный скаляр или вектор в Hz, kHz, MHz, или GHz.
Чтобы включить этот параметр, выберите Equation-based или RLCG в типе модели.
Interpolation method - Метод интерполяции, используемый для расчета значений на частотах моделированияLinear (по умолчанию) | Spline | CubicМетод интерполяции, используемый для расчета значений на частотах моделирования, указанных как Linear, Spline, или Cubic.
Чтобы включить этот параметр, выберите Equation-based или RLCG в типе модели.
Ground and hide negative terminals - Клеммы наземных ВЧ-цепейon (по умолчанию) | offВыберите этот параметр для внутреннего заземления и скрытия отрицательных клемм. Чтобы открыть отрицательные клеммы, очистите этот параметр. Открывая эти клеммы, можно соединить их с другими частями модели.
По умолчанию этот параметр выбран.
Примечание
Вкладка «Параметры моделирования» активирована для всех опций линии передачи, за исключением Delay-based and lossless, Delay-based and lossy, Lumped parameter L-section, и Lumped parameter pi-section.
Modeling Options - Опции для моделирования S-параметровFrequency domain (по умолчанию) | Time domain (rationalfit)Опции для моделирования S-параметров, указанные как:
Frequency domain - вычисляет импульсную характеристику основной полосы частот для каждой несущей частоты независимо. Эта техника основана на свертке. Существует возможность задания длительности импульсной характеристики. Дополнительные сведения см. в разделе Сравнение параметров моделирования во временной и частотной областях для S-параметров.
Time domain (rationalfit) - вычисляет аналитическую рациональную модель, которая аппроксимирует весь диапазон данных.
Для блоков усилителей и S-параметров значением по умолчанию является Time domain (rationalfit). Для блока «Линия передачи» значением по умолчанию является Frequency domain.
Automatically estimate impulse response duration - Автоматический расчет длительности импульсной реакцииoff (по умолчанию) | onВыберите Автоматически оценивать длительность импульсной характеристики для автоматического вычисления длительности импульсной характеристики. Снимите флажок, чтобы указать длительность импульсной характеристики.
Чтобы включить этот параметр, выберите Frequency domain в параметрах моделирования.
Impulse response duration - Вручную указать длительность импульсной характеристики0 s (по умолчанию) | положительный скалярВручную укажите длительность импульсной характеристики, заданную как положительный скаляр в s, ms, us, или ns.
Чтобы включить этот параметр, снимите флажок Автоматически оценивать длительность импульсной характеристики.
Fitting options - Варианты подгонки для рациональной установкиShare all poles (по умолчанию) | Share poles by columns | Fit individuallyВарианты подгонки для рациональной посадки, указанные как Share all poles, Share poles by columns, или Fit individually.
Для блока «Усилитель» значением по умолчанию является Fit individually. Для блока S-параметров и блока линии передачи значением по умолчанию является Share all poles.
Чтобы включить этот параметр, выберите Time domain (rationalfit) в параметрах моделирования.
Relative error desired (dB) - Относительная погрешность, приемлемая в рациональном выводе-40 (по умолчанию) | вещественный скалярОтносительная погрешность, приемлемая в рациональном выводе, заданная как действительный скаляр в децибелах.
Чтобы включить этот параметр, выберите Time domain (rationalfit) в параметрах моделирования.
Rational fitting results - Значения обоснованных расчетовПоказывает значения количества независимых посадок, количества требуемых полюсов и достигнутой относительной ошибки (дБ).
При моделировании с использованием Time domain, График в Visualization на закладках отображаются данные, определенные в Data Source и значения в rationalfit функция.
Чтобы включить этот параметр, выберите Time domain (rationalfit) в параметрах моделирования.
Для вычисления ABCD-параметров используются следующие дополнительные уравнения.
+ j
где
C=2πε′ln (ba)
В этих уравнениях:
а - радиус внутреннего проводника.
b - радиус внешнего проводника.
startcond - проводимость в проводнике.
λ - проницаемость диэлектрика.
start- диэлектрическая проницаемость диэлектрика.
ε ″ является воображаемой частью ε, ε ″ = ε0εrtan δ, где:
α0 - диэлектрическая проницаемость свободного пространства.
αr - значение параметра Константа относительной диэлектрической проницаемости.
tan δ - тангенс потерь значения диэлектрического параметра.
δcond - глубина кожи проводника, которую блок вычисляет как .
f - вектор частот внутреннего моделирования.
Z0 - заданный характеристический импеданс.
k - вектор, элементы которого соответствуют элементам входного вектора, freq. Блок вычисляет k по заданным параметрам как k = αa + iβ, где αa - коэффициент ослабления, а β - волновое число. Коэффициент ослабления αa связан с указанными потерями, α, на
10α/20)
Волновое число β связано с заданной фазовой скоростью, Vp, на
2.dfVp
Фазовая скорость VP также известна как скорость распространения волны.
При моделировании распределенных линий передачи блок сначала вычисляет ABCD-параметры на наборе внутренних частот. ABCD-параметры преобразуются в S-параметры для моделирования.
Блок вычисляет ABCD-параметры из физической длины линии передачи d и комплексной константы распространения k, используя следующий набор уравнений:
e − kd2 * Z0D = ekd + e − kd2
Если в диалоговом окне маски для параметра режима «Заглушка» задано значение Shunt, двухпортовая сеть состоит из линии передачи последовательно с заглушкой. Заглушку можно завершить коротким замыканием или разомкнутой цепью, как показано на следующем рисунке.

Zin - входной импеданс шунтирующей цепи. ABCD-параметры для шлейфа шунта рассчитываются как
1/ZinD = 1
Если в диалоговом окне маски для параметра режима «Заглушка» задано значение Seriesдвухпортовая сеть содержит последовательную линию передачи. Можно завершить эту линию коротким замыканием или разомкнутой цепью, как показано здесь.

Zin - входной импеданс последовательной цепи. ABCD-параметры для шлейфа серии:
= 0D = 1
В общем, блоки, которые влияют на задержку модели, зависят от истории сигнала. Можно минимизировать числовые ошибки, возникающие из-за отсутствия истории сигналов в начале моделирования. Для этого на панели Решатель (Solver) диалогового окна Параметры конфигурации (Configuration Parameters) можно указать начальный размер шага. Для моделей с блоками линии передачи на основе задержки используйте начальный размер шага, который меньше значения параметра Задержка (Delay).
[1] Сассман-Форт, С. Э., и Дж. К. Хантган. «SPICE Реализация моделей линий передачи с потерями и диодов Шоттки». Транзакции IEEE по микроволновой теории и техники.Vol. 36, No.1, январь 1988.
[2] Позар, Дэвид М. Микроволновая инженерия. Хобокен, Нью-Джерси: John Wiley & Sons, Inc., 2005.
[3] Гупта, К. К., Рамеш Гарг, Индер Бахл и Пракаш Бхартия. Microstrip Lines and Slotlines, 2-е издание, Норвуд, Массачусетс: Artech House, Inc., 1996.
[4] Людвиг, Рейнгольд и Павел Бретчко. RF Circuit Design: теория и применение. Энглвуд Клиффс: Нью-Джерси: Прентис-Холл, 2000.
[5] Правда, Кеннет М. «Линии передачи данных и их характеристики». National Semiconductor Application Note 806, апрель 1992 года.
1. Если смысл перевода понятен, то лучше оставьте как есть и не придирайтесь к словам, синонимам и тому подобному. О вкусах не спорим.
2. Не дополняйте перевод комментариями “от себя”. В исправлении не должно появляться дополнительных смыслов и комментариев, отсутствующих в оригинале. Такие правки не получится интегрировать в алгоритме автоматического перевода.
3. Сохраняйте структуру оригинального текста - например, не разбивайте одно предложение на два.
4. Не имеет смысла однотипное исправление перевода какого-то термина во всех предложениях. Исправляйте только в одном месте. Когда Вашу правку одобрят, это исправление будет алгоритмически распространено и на другие части документации.
5. По иным вопросам, например если надо исправить заблокированное для перевода слово, обратитесь к редакторам через форму технической поддержки.
