NA-MAAB - Нет рекомендаций
JMAAB - a, b
Все
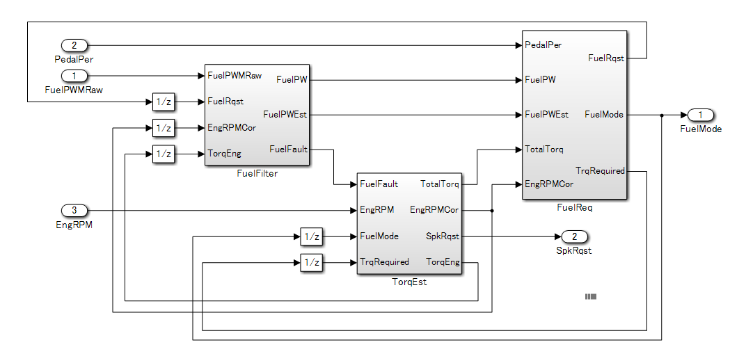
Минимум одна сигнальная линия должна соединять две структурные подсистемы.
При наличии двухстороннего сигнального соединения между двумя структурными подсистемами (A и B) каждое направление должно быть соединено по крайней мере с одной сигнальной линией.
Использование блоков Перейти к (Goto) и Из (From) для создания шин или подключения сигналов к блоку объединения.
Неприменимо


Сигналы, не используемые в структурной подсистеме, должны быть введены в структурную подсистему. Эти сигналы не должны выдаваться в другие структурные подсистемы или основные блоки.
Неприменимо

Сигналы, которые не используются в подсистеме, подключаются во избежание пересечения сигнальных линий.

Субидентификатор a:
Разъяснение соединений структурных подсистем и порядка выполнения.
Субидентификатор b:
Исключение ненужных соединений проясняет взаимосвязь между соединениями.
Отклонение от правила может привести к путанице из-за неиспользуемых входных/выходных сигналов.
Проверка модуля Model Advisor: Проверка соединений между структурными подсистемами (Simulink Check)
R2020a
Руководство JMAAB jc_0171, которое доступно в Руководстве по моделированию алгоритмов управления с использованием MATLAB, Simulink и Stateflow на веб-сайте MathWorks ®.