Можно создать автономную модель для модели, разработанной с помощью Design Model Architecture. Фрагмент модели изолирует компоненты модели и соответствующие сигналы для отладки и уточнения.
Для отладки и уточнения подсистемы модели создайте автономную модель. Автономная модель изолирует подсистему и соответствующие сигналы. Поведение подсистемы можно наблюдать без моделирования всей исходной модели.
Примечание
Нельзя разделять виртуальные подсистемы. Чтобы изолировать виртуальную подсистему, сначала преобразуйте ее в атомарную подсистему.
Чтобы наблюдать за поведением моделирования подсистемы, включите записанные входные сигналы в автономную модель. При настройке фрагмента модели укажите временное окно моделирования. Для больших моделей наблюдение за поведением подсистемы в отдельной модели может сэкономить время по сравнению с компиляцией и запуском всей исходной модели.
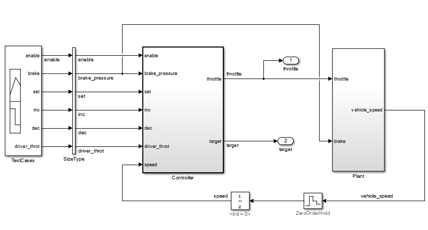
В этом примере показано, как включить эффекты моделирования для подсистемы Controller системы круиз-контроля.

Чтобы открыть Диспетчер фрагментов модели (Model Slice Manager), на вкладке Приложения (Apps) в разделе Проверка модели (Model Verification), Проверка (Validation) и галерея тестов (Test gallery) щелкните Модель (Model) Срезатель (Slicer).
Чтобы выбрать начальную точку для анализа зависимостей, щелкните правой кнопкой мыши блок, сигнал или порт и выберите «Модель» «Срез» > «Добавить как начальную точку».
Чтобы изолировать подсистему в модели среза, щелкните ее правой кнопкой мыши и выберите «Модель среза» > «Компонент среза».
В примере модели выбор компонента Slice для подсистемы Controller ограничивает анализ зависимостей путем между начальной точкой (выходом дросселя) и подсистемой Controller.

Для определения временного окна моделирования:
В окне Диспетчер фрагментов модели (Model Slice Manager) выберите Окно времени моделирования (Simulation time window).
Нажмите кнопку моделирования прогона.![]()
Введите время остановки моделирования и нажмите «ОК».

Срез модели анализирует зависимости модели для интервала моделирования.
Чтобы извлечь подсистему и записанные сигналы, нажмите кнопку Generate slice. Введите имя файла для разделенной модели.
На основе анализа зависимостей блок Signal Builder подает входные сигналы в подсистему.
В показанной модели среза блок построителя сигналов модели среза содержит один тестовый случай, представляющий входы сигналов в подсистему контроллера для времени моделирования 0-45 секунд.

Для функционального тестирования ссылочной модели можно создать фрагмент ссылочной модели, рассматривая ее как модель с разомкнутым контуром. Упрощенную ссылочную модель с разомкнутым контуром можно изолировать входными данными, создаваемыми при моделировании системы с замкнутым контуром.
В этом примере показано, как разрезать ссылочный контроллер модели отказоустойчивой системы управления топливом для функционального тестирования. Для создания упрощенной модели со ссылками с разомкнутым контуром для отладки и уточнения создается фрагмент контроллера со ссылками.
Шаг 1: Открытие модели
Модель отказоустойчивой топливной системы управления содержит ссылочный контроллер модели fuel_rate_control.
open_system('sldvSlicerdemo_fuelsys');

Шаг 2: Нарезать ссылочную модель
Для анализа fuel_rate_control ссылочная модель разрезается для создания автономной модели с разомкнутым контуром. Чтобы открыть диспетчер фрагментов модели, выберите «Приложения» > «Проверка модели», «Проверка» и «Тест» > «Срез модели» или щелкните правой кнопкой мыши значок fuel_rate_control и выберите Модель (Model) Срез (Slice) > Компонент срезания (Slice component). При открытии Диспетчера сечений модели (Model Slice Manager) модель компилируется. Затем необходимо настроить свойства среза модели.
Примечание.Режим моделирования sldvSlicerdemo_fuelsys модель является Accelerator режим. При разрезании ссылочной модели программа настраивает режим моделирования на Normal и возвращает его в исходный режим моделирования при выходе из среза модели.
Шаг 3: Выбор начальной точки
Откройте окно fuel_rate_control модель, щелкните правой кнопкой мыши fuel-rate порт и выберите Модель (Model) Срез (Slice) > Добавить (Add) в качестве начальной точки. Срез модели выделяет родительские конструкции, которые влияют на fuel_rate.

Шаг 4: Создание фрагмента
О. В диалоговом окне Диспетчер фрагментов модели (Model Slice Manager) выберите окно Время моделирования (Simulation time).
b. Щелкните Выполнить моделирование (Run simulation).
C. В поле «Время остановки» введите 20. Нажмите кнопку ОК.
d. Щелкните Создать фрагмент (Generate Slice). Программное обеспечение моделирует ссылочную модель разреза с использованием входных данных замкнутого контура sldvSlicerdemo_fuelsys модель.

Для разделенной модели в окне Signal Builder отображается один тестовый пример, представляющий сигналы, вводимые в ссылочную модель для времени моделирования 0-20 секунд.


Выделение функциональных зависимостей | Особенности и ограничения срезателя модели