NA-MAAB - Нет рекомендаций
JMAAB - a, b
Все
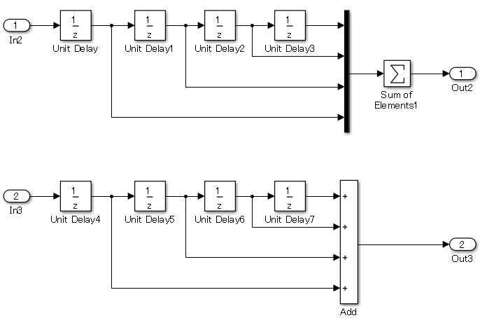
При удержании предыдущих значений Tapped Delay (Simulink) блок должен использоваться, чтобы создать сигнал вектора от всех удерживаемых значений.
Неприменимо

Блок Tapped Delay (Simulink) не используется.

Идентификатор подраздела a:
Tapped Delay (Simulink) задается с массивами, которые хранят прошлые значения, что улучшает читаемость кода, чтобы помочь эффективности кода.
Идентификатор подраздела b:
Улучшает читаемость модели и эффективность кода.
Проверка Model Advisor: Проверяйте на каскадные блоки Unit Delay (Simulink Check)
R2020a
Руководство JMAAB jc_0624, которое доступно в Руководствах по моделированию алгоритма управления с использованием MATLAB, Simulink и Stateflow на MathWorks® веб-сайт.
Сигнальные линии (Simulink)