Линейная модель паровой турбины IEEE типа 1, регулирующая скорость
Simscape/Электрический/Управление/Turbine-Governors

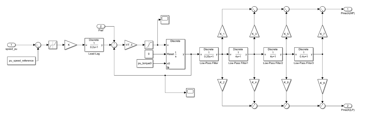
Блок Governor Type 1 моделирует модель IEEEG1 модели IEEEG1 регулятора паровой турбины.
Этот блок позволяет моделировать кросс-составные модули и имеет два набора фракций турбины:
LP Fraction, K_2, LP Fraction, K_4, LP Fraction, K_6, LP Fraction, K_8 для низкого давления (LP).
HP Fraction, K_1, HP Fraction, K_3, HP Fraction, K_5, HP Fraction, K_7 для с высоким давлением (HP).
Можно переключаться между непрерывной и дискретной реализациями блока при помощи параметра Sample time (-1 for inherited). Чтобы сконфигурировать регулятор на непрерывное время, задайте значение свойства Sample time (-1 for inherited) 0. Чтобы сконфигурировать регулятор на дискретное время, установите свойство Sample time (-1 for inherited) положительное, ненулевое значение или равным -1 наследование шага расчета из вышестоящего блока.
Эта схема иллюстрирует общую структуру блока:

[1] Динамические модели для паровых и гидротурбинных установок в исследованиях степеней, транзакциях IEEE на энергетических аппаратах и системах. Том PAS-92, № 6, 1973, с. 1904-1915.
[2] Целевая группа по моделированию губернаторов турбин, динамические модели для губернаторов турбин в исследованиях степеней, IEEE Power Energy Society, январь 2013 года.
[3] Руководство IEEE по применению систем регуляторов турбины для гидрогенерирующих модулей, IEEE Std 1207-2011.