В этом примере показано, как использовать библиотеку RF Blockset™ Circuit Envelope для моделирования эффективности архитектуры Low IF со следующими нарушениями RF:
Компонентный шум
Интерференция от сигналов блокировщика
Шум фазы LO
Область значений аналого-цифровой преобразователь (АЦП)
Несоответствие компонентов
Конструктивные переменные в радиочастотном фрагменте модели включают явную спецификацию усиления, шумового рисунка, IP3, входного/выходного импеданса, смещения фазы LO и шума фазы LO. Несущие частоты для форм волны, входящих в подсистемы RF Blockset, заданы в блоках Inport. Конструктивные переменные для стороны передатчика радиочастотного интерфейса включают несущую частоту, схему модуляции, степень сигнала и уровень степени блокатора. Переменные проекты основной полосы частот являются количеством бит и полномасштабных областей значений АЦП.

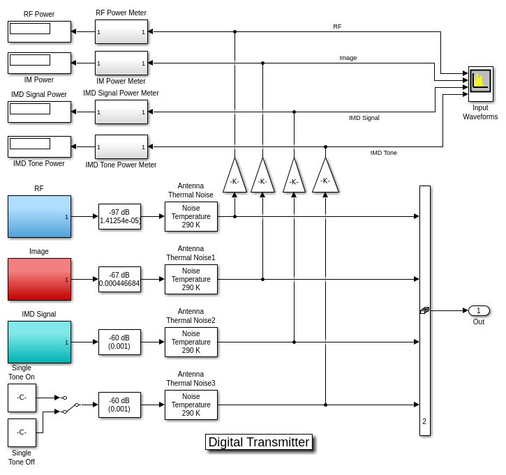
Эта модель иллюстрирует проектирование и симуляцию приемника Полосы ISM. Первичные подсистемы включают в себя цифровой передатчик, RF-приемник, АЦП, блок фазового шума для шумного моделирования LO и цифровой приемник. Эти оставшиеся блоки используются для анализа.


Цифровой передатчик состоит из трех модулированных FSK форм волны и тонального сигнала высокой степени. Три генератора формы волны FSK используют полосообразующий фильтр, который подавляет боковые полосы FSK ниже ожидаемого уровня теплового шума. Целевая форма волны на 2450 МГц имеет уровень степени полосы пропускания 1 Ом приблизительно -70 дБм. Точно так же определенные формы волны блокатора искажения изображения и интермодуляции (IMD) имеют степени полосы пропускания приблизительно -40 дБм и -33 дБм, соответственно. Тональный сигнал IMD, который соединяется с блокатором IMD для генерации внутриполосных IM3 продуктов, имеет степень полосы пропускания -33 дБм. Поскольку обработка основной полосы определяет комплексные формы волны огибающей, вычисление степени полосы пропускания требует вставки коэффициента усиления 1/sqrt (2), как показано на проекте. IF 2 МГц может быть выведен путем проверки спектра входного сигнала демодулятора, где для отображения задано смещение 2 МГц.

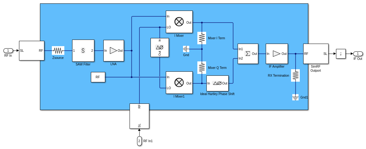
Приемник Low IF состоит из приемного полосового SAW фильтра, каскада преобразования частоты, каскада отклонения изображения и двух каскадов усиления. Резисторы используются для входа и выхода модели импеданса. Каждый нелинейный блок имеет спецификацию шумового рисунка. Нелинейности степени в малошумном усилителе (LNA), усилителе ПЧ и смесителях заданы IP3. Отклонение изображения осуществляется с помощью проекта Хартли, и одиночные блоки LO и фазового сдвига обеспечивают условия косинуса и синуса для смешения с I и Q ветвями, соответственно. Блок суммирования рекомбинирует сигналы I ветви и сдвинутой по фазе Q ветви. Качеством отторжения изображения можно управлять непосредственно путем установки неидеального смещения фазы в блоке Phase Shift. Чтобы захватить сигналы RF, Image, IMD Signal и IMD Tone формы/спектры, выберите Основные тональные сигналы, которые должны быть 2450 МГц, 1 МГц и Гармонический Порядок как 1 для первого тонального сигнала и 8 для второго тонального сигнала в блоке Configuration. Чтобы смоделировать тепловой шумовой пол в окружение RF Blockset, Температура в разделе Системных параметров в блоке Configuration устанавливается на шумовую температуру 290,0 K.

АЦП моделируется с использованием 12-битного квантователя. Квантователь учитывает полномасштабные и динамические области значений АЦП, правильно моделируя его уровень шума квантования.
Цифровой приемник демодулирует форму волны для вычисления частоты битовой ошибки. Этот некогерентный приемник FSK принимает идеальную временную синхронизацию, так что каждый импульс FSK интегрирован по одному и только одному символу.
Выполнение примера моделирует проект, которая соответствует незакодированной спецификации BER менее 1%. Модификации сигналов и спецификаций компонентов в приемник и АЦП оказывают непосредственное влияние на приемник эффективности. Ручные переключатели позволяют вам:
Выберите уровень степени для тонального сигнала блокировщика IMD -33 д Бм или -45 д Бм
Выберите идеальный или шумный LO.
Другие возможные изменения в проекте включают:
Коэффициент отклонения изображения (IRR) проекта Хартли. IRR настоящего проекта (dPhi = 0,01 степени) составляет -40 дБ. Для получения дополнительной информации о вычислении IRR, смотрите пример Measuring Image Rejection Ratio in Receivers Коэффициент отклонения изображений в приемниках >.
Схемы модуляции
Опции фильтрации основной полосы частот
Степени сигнала
Несущие частоты сигнала
Шумовые рисунки
Нелинейные параметры усиления
Межступенчатое совпадение
Длина бита АЦП и полная шкала области значений


