exponenta event banner

Импорт HDL

Импортируйте HDL-код в Simulink® моделирование среды с помощью функции importhdl

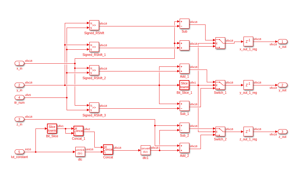
Используйте HDL import, чтобы импортировать синтезируемый HDL-код в среду моделирования Simulink. Когда вы запускаетесь importhdl функция, импорт HDL анализирует файл входа HDL и генерирует модель Simulink. Когда генерация несвязанных компонентов модели, которые непосредственно не способствуют выходу, удалена. Модель визуально представляет HDL-код в терминах функциональности и поведения. Можно скомпилировать и запустить модель, чтобы проверить функциональность HDL-кода.

Генерации кода туда и обратно с импортом HDL не рекомендуют. Не используйте импорт HDL, чтобы импортировать HDL-код, который был ранее сгенерирован из модели Simulink при помощи программного обеспечения HDL Coder™. Модель Simulink, которую вы создаете, обычно на более высоком уровне абстракции. Модель, сгенерированная импортом HDL, может быть на более низком уровне абстракции. HDL-код вы генерируете от этой силы модели не быть применимыми для производственного кода.

Чтобы сгенерировать производственный HDL-код, разработайте свой алгоритм при помощи блоков Simulink, MATLAB® код или Stateflow® графики. Затем используйте HDL Coder, чтобы сгенерировать код.

Функции

importhdlИмпортируйте код Verilog и сгенерируйте модель Simulink

Темы

Импортируйте код Verilog и сгенерируйте модель Simulink

Что такое импорт HDL Verilog и как импортировать HDL-код и сгенерировать модель Simulink.

Поддерживаемые построения Verilog для импорта HDL

Поддерживаемые построения HDL, которые можно импортировать в среду модельно-ориентированного проектирования.

Моделирование потока данных Verilog с импортом HDL

Поддерживаемые шаблоны потока данных HDL, которые можно использовать при импорте HDL-кода в среду модельно-ориентированного проектирования.

Рекомендуемые примеры