Этот пример показывает встроенную многоэлементную дизельную систему впрыска. Это состоит из распредвала, насоса лифта, четырех встроенных насосов закачки и четырех инжекторов.

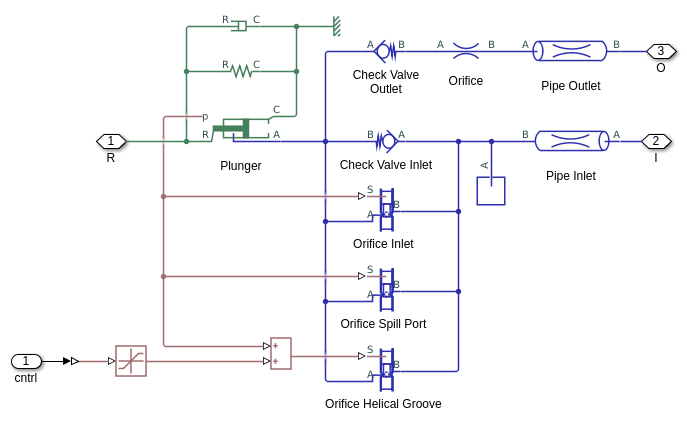
Дизельную систему впрыска, симулированную этой моделью, показывают в схематическом ниже.

Рисунок 1: принципиальная схема системы впрыска
Структура системы воспроизводится от Х. Хайслера, Транспортного средства и Технологии Engine (второй выпуск), 1999, и категоризирована как встроенная многоэлементная система впрыска. Это состоит из следующих основных единиц:
Распредвал
Снимите насос
Встроенный насос закачки с четырьмя насосными элементами, одним элементом на цилиндр механизма
Инжекторы
Распредвал несет пять бегунков. Первый является эксцентриковым бегунком, чтобы привести в движение насос лифта. Остающиеся четыре управляют ныряльщиками насоса закачки. Бегунки установлены таким способом, которым качающие элементы поставляют топливо в порядке увольнения и в правильный момент в цикле механизма операции. Насос лифта предоставляет топливо к потреблению элементов насоса закачки. Каждый элемент насоса закачки состоит из управляемого бегунком ныряльщика, клапана доставки и блока регулятора. Цель регулятора состоит в том, чтобы управлять объемом топлива, поставленного ныряльщиком цилиндру механизма.
Цель симуляции состоит в том, чтобы исследовать целую работу системы. Цель диктует степень идеализации каждого компонента в системе. Все системные модули будут описаны более подробно в следующих разделах.
Примечание: модель системы не представляет никакой конкретной системы впрыска. Все параметры рабочей области были присвоены на основе практических факторов и не представляют никаких конкретных параметров производителя.

Модель распредвала создана пяти моделей бегунка. Существует четыре параболических бегунка профиля и один эксцентриковый бегунок. Этот профиль движения вычисляется в зависимости от угла вала, полученного путем интеграции угловой скорости вала. Бегунок, который управляет ныряльщиком насоса закачки, имеет параболический профиль, под которым последователь двигается вперед-назад на постоянном ускорении. Это описано следующей системой уравнений:

![$$ x = s \left[1 - 2 \left(1 - \frac{\theta - \theta_E}{\alpha}\right)^2 \right], \quad \textrm{if} \quad \theta_E + \frac{\alpha}{2} \le \theta < \theta_E + \alpha $$](../../../examples/sh_product/win64/sscfluids_diesel_injection_eq13116301103552164646.png)

![$$ x = s \left[1 - 2 \left(\frac{\theta - \theta_R}{\beta}\right)^2 \right], \quad \textrm{if} \quad \theta_R \le \theta < \theta_R + \frac{\beta}{2} $$](../../../examples/sh_product/win64/sscfluids_diesel_injection_eq05114822569471347447.png)

где
положение последователя
диапазон последователя
угол бегунка (со считавшим углом фазы)
запуск дополнительного угла
дополнительный угол
запуск угла сокращения
угол сокращения
В результате в начале дополнительного угла последователь запускает перемещение и достигает его ключевой позиции после того, как вал повернет дополнительный дополнительный угол. Последователь запускает обратный ход в начале угла сокращения, и это берет угол сокращения, чтобы завершить это движение. Различие между концом расширения и запуском сокращения устанавливает жить угол в полностью расширенном положении. Профиль реализован в файле языка Simscape ParabolicCam.ssc использование блока Simscape Component.
Каждый из четырех параболических бегунков возмещен друг от друга углом фазы. Соответствующие положения ныряльщика насоса закачки таким образом также возмещены друг от друга. Достигнуть этого, в течение краткого периода initialization_time после запуска симуляции соответствующая скорость вала инициализации отправляется в каждый параболический бегунок, чтобы вращать его к правильному углу фазы. После initialization_time, основной фрагмент системной симуляции системы впрыскивания топлива начинается.
Следующий график показывает расширение каждого насоса закачки, когда распредвал вращается. Когда расширение является нулем, все топливо было удалено из насоса. Порядок увольнения цилиндров механизма 1-3-4-2.

Профиль эксцентрикового бегунка вычисляется с формулой

где
эксцентриситет. Уравнение реализовано с помощью блоков физического сигнала в Библиотеке Основы Simscape.


Модель насоса лифта, который является насосом типа поршня-и-диафрагмы, создана блока Single-Acting Actuator (IL) и двух Запорных клапанов (IL) блоки. Вход модели запорных клапанов и клапаны выхода, установленные с обеих сторон насоса лифта (см. рисунок 1). Контакт между роликом стержня насоса и бегунком представлен блоком Translational Hard Stop. Модели блока Translational Spring две пружины в насосе, которые обеспечивают постоянный контакт между роликом и бегунком.

Встроенный насос закачки является четырехэлементным насосным модулем. Каждый элемент предоставляет топливо к инжектору, который удаляет топливо к его цилиндру механизма. Все четыре элемента идентичны проектом. Подсистема Насоса закачки представляет поршень насоса и механизм управления насоса, в то время как подсистема Инжектора моделирует инжектор, установленный непосредственно на цилиндре механизма (см. рисунок 1).
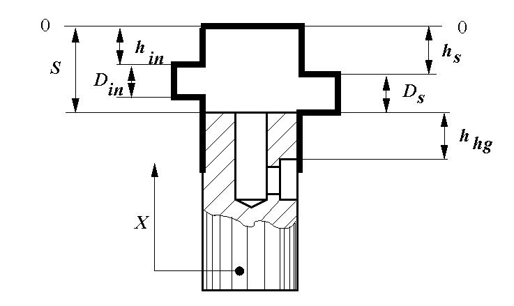
Поршень насоса колеблется в барреле насоса, управляемом бегунком (см. рисунок 1). Ныряльщик моделируется как блок Single-Acting Actuator (IL). Когда ныряльщик спускается, емкость ныряльщика заполнена топливом, под давлением разработанным насосом лифта. Топливо входит через два отверстия, входной порт и порт разлива (см. рисунок 2 ниже).

Рисунок 2: взаимодействие ныряльщика с отверстиями управления в барреле
Модель механизма управления ныряльщика основана на следующих предположениях:
1. Существует три отверстия переменного сечения, смоделированные Отверстием Золотника (IL) блоки в схеме управления: вставьте порт, порт разлива и отверстие, сформированное спиральной канавкой и портом разлива. Открытия входа и отверстий разлива зависят от движения ныряльщика, в то время как открытие спирального отверстия канавки является функцией движения ныряльщика и вращения ныряльщика. Ради простоты смещение, сгенерированное вращением ныряльщика, представлено как источник линейного движения, которое объединено с перемещением ныряльщика.
2. Рисунок ниже показывает все размерности, необходимые, чтобы параметрировать Отверстие Золотника (IL) блоки:

Рисунок 3: Схематичный из инжекционных размерностей ныряльщика
где схематические обозначения и соответствующие названия параметра рабочей области
входной диаметр отверстия порта (inlet_orifice_diameter)
диаметр отверстия порта разлива (spill_orifice_diameter)
диапазон ныряльщика (plunger_stroke)
расстояние между входным отверстием и главным положением ныряльщика (-plunger_stroke + safety_gap + inlet_orifice_diameter + inlet_offset)
расстояние между отверстием порта разлива и главным положением ныряльщика (-plunger_stroke + safety_gap + spill_orifice_diameter)
расстояние между отверстием порта разлива и верхним ребром спиральной канавки
Входное отверстие обычно располагается выше, чем отверстие разлива. Это представлено параметром рабочей области inlet_offset.
3. В параметризации отверстий ключевая позиция ныряльщика занята как источник, и движение в восходящем направлении рассматривается как движение в положительном направлении. Поэтому вход и отверстия порта разлива должны собираться открыться отрицательным смещением золотника, в то время как спиральное отверстие канавки должно собираться открыться положительным смещением золотника, поскольку это открывается, когда ныряльщик перемещается вверх.
4. Ныряльщиком эффективный диапазон является plunger_stroke - safety_gap - inlet_orifice_diameter - inlet_offset. Расстояние между отверстием порта разлива и верхним ребром спиральной канавки
, может быть настроен путем вращения ныряльщика. Эта корректировка моделируется путем сдвига сигнала положения ныряльщика к спиральному отверстию канавки управляющим сигналом. Чем больше управляющий сигнал, тем раньше спиральное отверстие канавки открыто, таким образом уменьшив объем топлива, поставленного цилиндру. Максимальное значение управляющего сигнала равно эффективному диапазону. В этом значении спиральное отверстие канавки остается открытым все время.

Модель инжектора основана на блоке Single-Acting Actuator (IL) и блоке Needle Valve (IL). Клапан иглы обычно закрывается силой, разработанной к предварительно загруженной пружине. Когда сила, разработанная в полости привода, преодолевает упругую силу, клапан иглы открывает и позволяет топливу быть введенным в цилиндр механизма.

Этот график показывает положения и скорости потока жидкости выхода Насоса закачки 1 и Инжектор 1. Эффект профиля бегунка показывают в смещении Насоса закачки 1. Во время второй половины диапазона бегунка топливо выходит из насоса закачки и передает в инжектор. Топливо выходит из инжектора через клапан иглы. Инжектор моделируется как полость привода с предварительно загруженной пружиной, которая действует, чтобы сохранить топливо от насоса закачки временно и продвинуть его из инжектора более гладко.
