exponenta event banner

Управляйте системными данными

Импортируйте данные измерений, сгенерируйте симулированные данные, организуйте данные для использования в командной строке и в приложении

Анализ данных является основой мониторинга состояния и прогнозирующего обслуживания. Разработка алгоритмов для прогнозирующего обслуживания требует организации и анализа больших объемов данных при отслеживании системы и подготавливает данные, представляет.

Predictive Maintenance Toolbox™ обеспечивает инструменты для данных о датчике управления, хранимых локально и удаленно, а также для генерации симулированных данных путем выполнения Simulink® модель. Основной модуль для организации и управления многоаспектные наборы данных в Predictive Maintenance Toolbox является ансамблем. ensemble является набором наборов данных, созданных путем измерения или симуляции системы при различных условиях. Управляйте своими объектами datastore ансамбля использования ансамбля. Для получения дополнительной информации о том, как работают ансамбли и как использовать их, смотрите Ансамбли Данных для Мониторинга состояния и Прогнозирующего Обслуживания.

Приложение Diagnostic Feature Designer включает интерактивные инструменты для обработки данных и извлечения функций. Приложение принимает наборы данных в различных формах, консолидирует данные в рамках приложения и управляет теми данными внутренне во время сеанса. Для получения дополнительной информации о приложении смотрите, Исследуют Данные Ансамбля и Сравнивают Функции Используя Diagnostic Feature Designer.

Объекты

fileEnsembleDatastoreУправляйте данными ансамбля в пользовательском формате файла
simulationEnsembleDatastoreУправляйте данными ансамбля, сгенерированными generateSimulationEnsemble или путем логгирования данных моделирования в Simulink
workspaceEnsembleУправляйте данными ансамбля, хранимыми в рабочем пространстве MATLAB с помощью кода, сгенерированного Diagnostic Feature Designer

Функции

generateSimulationEnsembleСгенерируйте данные ансамбля путем выполнения модели Simulink
readСчитайте данные члена из datastore ансамбля
writeToLastMemberReadЗапишите данные члену datastore ансамбля
hasdataОпределите, доступны ли данные для чтения
resetСброс Datastore к начальному состоянию
subsetСоздайте новый datastore ансамбля из подмножества существующего datastore ансамбля
numpartitionsКоличество разделов datastore
partitionРазделите datastore
progress Определите, сколько данных было считано
tallСоздание tall array

Темы

Основы Datastore ансамбля

Ансамбли данных для мониторинга состояния и прогнозирующего обслуживания

Проект алгоритма с Predictive Maintenance Toolbox использует данные, организованные в ансамблях. Можно сгенерировать данные ансамбля из модели Simulink или создать ансамбли из существующих данных, хранимых на диске.

Сгенерируйте и используйте смоделированный ансамбль данных

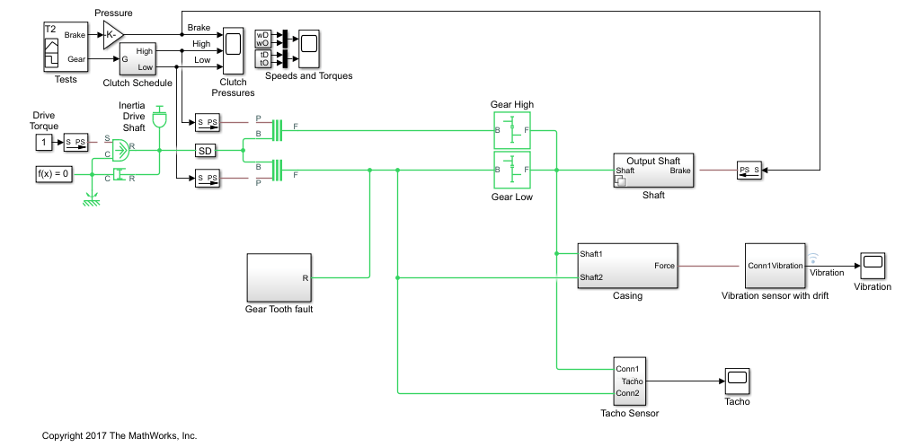
Если у вас есть модель Simulink вашей системы при условиях отказа, можно сгенерировать ансамбль симулированных данных для разработки алгоритмов прогнозирующего обслуживания.

Datastore ансамбля файла с результатами измерений

Используйте datastore ансамбля файла, чтобы справиться и взаимодействовать с большими наборами данных, собранных от операции вашей системы при различных условиях.

Хранилище ансамблей файлов с использованием данных в текстовых файлах

Создайте и используйте fileEnsembleDatastore объект управлять ансамблем данных, хранимых в формате простого текста.

Управление данными в Diagnostic Feature Designer

Исследуйте данные ансамбля и сравните функции Используя Diagnostic Feature Designer

Следуйте за этим рабочим процессом для того, чтобы в интерактивном режиме исследовать и обработать данные ансамбля, разработку и ранжирование признаков из тех данных и экспортирования данных и выбранных функций и генерации кода MATLAB.

Организуйте системные данные для Diagnostic Feature Designer

Организуйте измерения и информацию для нескольких систем в наборы данных, которые можно импортировать в приложение.

Импортируйте и визуализируйте данные ансамбля в Diagnostic Feature Designer

Импортируйте таблицу-участник ансамбля из своего MATLAB® рабочая область, задайте типы переменных и просмотрите данные с помощью интерактивных опций графического вывода.

Подготовьте матричные данные к Diagnostic Feature Designer

Преобразуйте матрицы одно члена в таблицу ансамбля для импорта в приложение.

Рекомендуемые примеры