Преобразуйте сигнал RF Blockset в выходные сигналы Simulink
RF Blockset / Конверт Схемы / Утилиты
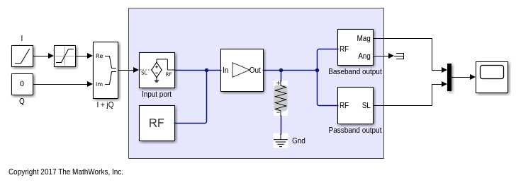
Блок Outport выходная модуляция несущей сигнализирует в среде моделирования огибающей схемы RF Blockset™ как Simulink® сигнал. Для введения в симуляцию RF смотрите пример, Симулируйте Высокочастотные Компоненты.
Выходной порт распознается текущий и конверт комплекса напряжения или действительные сигналы полосы пропускания. Комплексные сгенерированные модулированные сигналы состоят из синфазных (Ик) и квадратура (Qk) компоненты, сосредоточенные вокруг каждой заданной центральной частоты fk.
Параметр Sensor type определяет, какой сигнал меры по блоку и параметр Output задают формат Сигнала Simulink. Для получения дополнительной информации смотрите, Как Использовать Блок Выходного порта.
Примечание
Блок Outport Real passband выведите не делает основанной на опорной раме обработки (поддерживаемый блоками Configuration). Это блочные ошибки, если Samples per frame - больше чем 1 в Блоке Configuration.
Sensor type — Тип сигнала измеряется датчикомIdeal voltage (значение по умолчанию) | Ideal current | PowerТип сигнала, измеренного датчиком в виде:
Ideal voltage — Блок выводит модуляции сигнала напряжения в заданном Carrier frequencies в формате, заданном параметром Output. Это - рекомендуемая опция, чтобы обнаружить сигнал, не добавляя импеданс загрузки и изменение соответствия с условиями.
Ideal current — Блок выводит модуляции текущего сигнала в заданном Carrier frequencies в формате, заданном параметром Output.
Power — Блок выводит модуляции сигнала напряжения в заданном Carrier frequencies и масштабируемый относительно заданного импеданса загрузки. Это - рекомендуемая опция, чтобы обнаружить сигнал, сгенерированный в среде RF Blockset 50 Ом или различном ссылочном импедансе. Когда вы используете электропитание, выходной порт автоматически вставляет импеданс загрузки в вашу схему.
где Zl является значением параметра Load impedance (ohms).
Load impedance (Ohm) — Загрузите импеданс схемы RFinf (значение по умолчанию) | вектор из положительных целых чисел в ОмахЗагрузите импеданс схемы RF, используемой, чтобы измерить степень сигнала в виде вектора из положительных целых чисел в Омах. Когда вы используете электропитание, выходной порт автоматически вставляет импеданс загрузки в вашу схему. Когда вы используете несколько блоков Outport в качестве источников питания в том же узле в данной схеме, получившаяся загрузка является параллельной комбинацией заданных импедансов загрузки.
Чтобы включить этот параметр, выберите Power в Sensor type.
Output — Формат выходных сигналовComplex Baseband (значение по умолчанию) | In-phase and Quadrature Baseband | Magnitude and Angle Baseband | Real PassbandФормат выходных сигналов в виде одного из следующего:
Complex Baseband — Блок выводит вектор из сигналов с комплексным знаком Ik (t) + j · Qk (t) в порте пометил SL. k th элемент вектора является k th частота, заданная параметром Carrier frequencies.
In-phase and Quadrature Baseband — Блок выходные параметры два вектора из вещественных сигналов Ik (t) и Qk (t) в порте I и порте Q, соответственно. Сигнал в порте I содержит синфазные компоненты, и сигнал в порте Q содержит квадратурные компоненты. k th элемент вектора является k th частота, заданная параметром Carrier frequencies. Квадратурный компонент сигнала с несущей частотой, равной 0 Гц, является нулем.
Magnitude and Angle Baseband — Выходные параметры блока два вектора с действительным знаком, элементами которых является величина и угол фазы модуляции. Выходы порта Mag |Ik (t) + j · Qk (t) | и Аргумент выходов порта Ang [Ik (t) + j · Qk (t)]. k th элемент вектора является k th частота, заданная параметром Carrier frequencies.
Real Passband — Блок выходные параметры действительная полоса пропускания сигнализирует путем объединения конверта и сигналов несущей для всех частот, перечисленных под Carrier frequencies. При использовании Real Passband опция, решатель занимает время шаги, достаточно маленькие, чтобы разрешить несущую. Таким образом улучшения скорости симуляции от симуляции конверта могут быть ограничены.
где t значение параметра Load impedance (ohms).
Automatically compute output step size — Определите оптимальный временной шаг, чтобы разрешить самую высокую перечисленную несущую частотуon (значение по умолчанию) | offОпределите оптимальный временной шаг, чтобы разрешить самую высокую перечисленную несущую частоту в виде on или off. Выберите этот параметр, чтобы позволить RF Blockset определять оптимальный временной шаг, чтобы разрешить самую высокую перечисленную несущую частоту. Очистите выбор параметра, чтобы ввести значение для размера шага.
Step size — Временной шаг1e-6 s (значение по умолчанию) | положительное целое число в секундахВременной шаг в виде положительного целого числа в секундах. Размер шага должен быть малым достаточно, чтобы разрешить самый быстрый сигнал несущей. Размер помогает избежать полосы пропускания выход субдискретизирующие и искажающие эффекты.
Установите значение временного шага к -1 наследовать временной шаг, заданный от Step size в блоке Configuration.
Carrier frequencies — Несущие частоты0 Hz (значение по умолчанию) | вектор из положительных целых чисел в ГцНесущие частоты в виде вектора из положительных целых чисел в Гц. В несущих частотах элементами является комбинация основных тонов и соответствующих гармоник в блоке Configuration.
Ground and hide negative terminals — Заземлите терминалы схемы RFon (значение по умолчанию) | offЗаземлите терминалы схемы RF в виде on или off. Выберите этот параметр, чтобы заземлить и скрыть отрицательные терминалы. Очистите параметр, чтобы отсоединить отрицательные терминалы. Путем представления этих терминалов можно соединить их с другими частями модели.
По умолчанию эта опция выбрана.
Используя Inport блок можно задать комплексные конверты входных сигналов и импортировать их, когда RF сигнализирует для симуляции мультинесущей.
Блок Configuration автоматически определяет основные тоны, заданные во входных портах, и предлагает подходящий гармонический порядок получить нелинейность системы. Можно также вручную задать гармонический порядок для каждого основного тона в симуляции.
Во входном порту можно задать столько несущих частот, сколько вы хотите. Рекомендуется, чтобы вы обменяли полосу пропускания симуляции (обратно пропорциональный шагу времени симуляции) и общее количество частот симуляции.

Опция Normalized carrier power в блоке Configuration задает формулу полосы пропускания:
Когда эта опция выбрана, RF Blockset интерпретирует комплексный конверт сигнал I+jQ для kth несущая как,
Когда эта опция не выбрана, сигнал на kth
В обоих случаях сигналом для нулевой частоты (DC) несущая является x (t) = I (t). Сигнал окончательного результата вычисляется как s (t) = сумма ( s k)
Формула для выбранного временного шага:
f является самой большой перечисленной несущей частотой.
h является временным шагом, перечисленным в блоке Configuration.
Считайте цепь RF составленной несколькими этапами. Вы хотите обнаружить и смотреть поведение сигнала в различных промежуточных узлах.
Используйте порт входной мощности и порт датчика степени при вводе и выводе вашей цепи как шлюзы между Simulink (ссылка 1 Ом) и областью RF.
Используйте напряжение или порты текущей производительности, соединенные с промежуточными узлами и ветвями, которые вы хотите смотреть. Чтобы измерить степень сигнала напряжения, измените спектр по умолчанию импеданс ссылки анализатора в 50 Ом.

Выходной сигнал является комбинацией (цифровой связи) комплексные эквивалентные сгенерированные модулированные сигналы (я, Q). Для каждого конверта примите неявную центральную частоту для сигнала, который равен несущей частоте, Fc.
Введите массив Fc в параметре Carrier Frequencies, соответствующем центральной частоте конвертов, которые вы хотите обнаружить. Выходные сигналы являются массивом комплекса (я, Q) конверты.
Выходной порт степени типа датчика обеспечивает завершение (значением по умолчанию 50 Ом) в конце цепи.
Размер шага симуляции в блоке Configuration совпадает с шагом расчета Сигнала Simulink, и это не связано с несущей частотой.

Выходной сигнал (цифровая связь), комплексный сгенерированный модулированный сигнал (я, Q) следовал из прямого приемника преобразования. Примите, что никакая несущая не сопоставлена с выходным сигналом.
Используйте два блока Выходного порта для меня и компонентов Q сигнала. Установите параметр Carrier Frequencies каждого блока Outport к 0. Используйте действительную опцию полосы пропускания, чтобы обнаружить действительный сигнал, а не комплексный сигнал с квадратурным компонентом, равным 0.
Выходные порты степени типа датчика обеспечивают завершение (значением по умолчанию 50 Ом) в конце цепи.
К вниз - преобразуют сигнал, используют блок IQ Demodulator. Установите Local oscillator frequency на Fc равняйтесь центральной частоте входного сигнала (прямое преобразование).
Размер шага симуляции в блоке Configuration совпадает с шагом расчета Сигнала Simulink, и это не связано с Локальной частотой Генератора.

Выходной сигнал является комплексным эквивалентным сгенерированным модулированным сигналом (цифровой связи) (я, Q) вниз преобразованный в промежуточную частоту (IF). Примените методы цифровой обработки сигналов для обработки комплексной эквивалентной основополосной информации сигнала.
Установите параметр Carrier frequencies блока Outport к IF. Используйте комплексную основополосную опцию.
Используйте блок Mixer для понижающего преобразования. Установите несущую частоту LO на LO = RF-IF. Выходной порт будет вести себя как идеальный фильтр и выбирать только вниз преобразованный сигнал. Конверт в RF+LO = 2RF-IF частота симулирована, но она не обнаруживается выходным портом.
Размер шага симуляции в блоке Configuration совпадает с шагом расчета входного сигнала Simulink, и это не связано с IF, RF или частотами LO.

Выходной сигнал является (цифровая связь) сигналом (я, Q) вниз преобразованный в промежуточную частоту (IF). Примените методы обработки аналогового сигнала к выходному сигналу.
Установите параметр Carrier frequencies блока Output к IF. Используйте действительную опцию полосы пропускания.
Если промежуточная частота в полосе пропускания симуляции, заданной в блоке Configuration, Использование тот же размер шага в выходе без потребности в передискретизации сигнала.
Если промежуточная частота не в полосе пропускания симуляции, заданной в блоке Configuration, необходимо передискретизировать сигнал (как описано в формуле действительной полосы пропускания), чтобы правильно передискретизировать несущую.
Используйте блок Mixer. Установите несущую частоту LO на LO = RF-IF. Выходной порт будет вести себя как идеальный фильтр и выбирать только вниз преобразованный сигнал. Конверт в RF+LO = 2RF-IF частота симулирована, но она не обнаруживается выходным портом.
Размер шага симуляции в блоке Configuration совпадает с шагом расчета входного сигнала Simulink. Все блоки в сети RF Blockset, соединенной с блоком Configuration, выполняются с тем же размером шага. Временной шаг выходного порта, когда действительная опция полосы пропускания выбрана, может отличаться от временного шага входного Сигнала Simulink и набора временного шага в блоке Configuration.

Значки маски блока Outport являются динамическими и показывают текущий формат выходного сигнала. Эта таблица показывает вас, как значки на этом блоке варьируются на основе формата выходного сигнала, который вы устанавливаете на параметре Output на блоке.
Вывод : Complex Baseband | Вывод : In-phase and Quadrature Baseband | Вывод : Magnitude and Angle Baseband | Вывод : Real Passband |
|---|---|---|---|
|
|
|
|
|
Поведение изменяется в R2021b
Начиная в R2021b, значок блока Outport теперь обновляется. Когда вы открываете модель, созданную, прежде чем R2021b, содержащий блок Outport, программное обеспечение заменит значок блока на версию R2021b.
1. Если смысл перевода понятен, то лучше оставьте как есть и не придирайтесь к словам, синонимам и тому подобному. О вкусах не спорим.
2. Не дополняйте перевод комментариями “от себя”. В исправлении не должно появляться дополнительных смыслов и комментариев, отсутствующих в оригинале. Такие правки не получится интегрировать в алгоритме автоматического перевода.
3. Сохраняйте структуру оригинального текста - например, не разбивайте одно предложение на два.
4. Не имеет смысла однотипное исправление перевода какого-то термина во всех предложениях. Исправляйте только в одном месте. Когда Вашу правку одобрят, это исправление будет алгоритмически распространено и на другие части документации.
5. По иным вопросам, например если надо исправить заблокированное для перевода слово, обратитесь к редакторам через форму технической поддержки.

