Когда вы собираете требования для системы, вы идентифицируете компоненты модели. Можно идентифицировать, где интерфейсы компонента существуют даже с неполными техническими требованиями.
Чтобы задать компоненты модели, не влияя на результаты симуляции и задавая интерфейс, который может измениться, можно создать подсистемы и визуально организовать модель.
Некоторые компоненты, такие как цифровые контроллеры, должны выполниться как единый блок в модели. Для этих автономных компонентов с известными контурами можно использовать атомарную подсистему. Определение атомарных компонентов заранее предотвращает дорогостоящий рефакторинг, когда это необходимо, чтобы сгенерировать автономный код.
ex_modeling_components модели содержит четыре общих компонента модели.
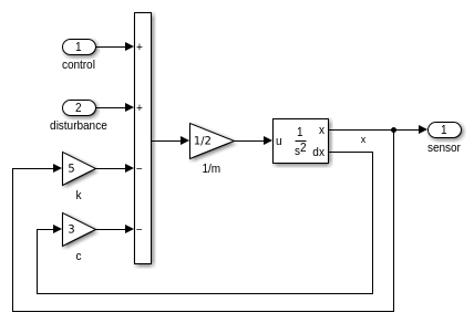
Механическая Система — масса, отделенная от поверхности, пружина и демпфер
Контроллер — Алгоритм, который управляет движением механической системы
Оператор — Логика, которая задает команды, отправленные контроллеру
Среда — Внешние возмущения, которые воздействуют на механическую систему

Более толстый вес линии на блоке Controller указывает, что контроллер является атомарной подсистемой.
Порты на каждом из блоков Subsystem соответствуют блокам ввода и вывода в подсистеме. Метка блока показывает имя соответствующего порта. Например, Inport блок пометил disturbance соответствует disturbance порт блока Mechanical System.

Эти четыре компонента модели взаимодействуют, чтобы определить положение массы.
Контроллер вычисляет силу, требуемую для перемещения механической системы в ее целевое положение.

Оператор определяет целевое положение массы и реализует связанную процедурную логику с графиком Stateflow®.

Среда генерирует возмущение, которое воздействует на механическую систему.

В процессе моделирования оператор говорит контроллеру ожидать 2 секунды, затем перемещать массу выше на 2 метра. Когда масса промахивается по целевому положению, оператор говорит контроллеру располагать массу на 1 метр выше своего исходного положения. После 5 секунд экологическое воздействие прикладывает устойчивую силу к физической системе, и контроллер реагирует, чтобы стабилизировать массу в целевом положении.
