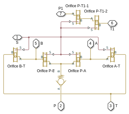
Этот пример показывает упрощенную версию системы приведения в действие, состоящей из лифта и наклонных цилиндров. Каждым цилиндром управляет открытый центр, 3-позиционный распределительный клапан с 6 путями. Клапаны соединяются последовательно посредством их разгрузки ветви, таким образом, что системный насос разгружен, когда оба рычага команды находятся в нейтральном положении. Если или команда наклона или лифта применяется, разгружающийся путь закрывается.
Насос управляется дизельным двигателем, симулированным с моделью, которая составляет изменение скорости, вызванное нагрузкой на выходной вал. Распределительный клапан является пользовательской моделью, состоявшей из Отверстия с Переменной областью Круглые блоки Отверстий и блок Check Valve.
Типичный цикл системы приведения в действие переднего загрузчика симулирован со всем движением и командами загрузки, сгенерированными в зависимости от времени.



Графики ниже показа перепад давлений в лифте и наклонных цилиндрах и положении в каждом цилиндре.
