Этот пример демонстрирует кислородное устройство концентратора, связанное с моделью легкого. Одно из двух решет отфильтровывает азот от воздуха, чтобы произвести сконцентрированный кислород в баке продукта. Два решета периодически переключаются так, чтобы, в то время как одно решето фильтрует, другой, мог произвести чистку адсорбированного азота. Когда модель легкого вдыхает, часть богатого кислородом газа от бака продукта смешана в дыхательный поток.
Эта модель показывает один вариант использования изменения свойств по умолчанию в Moist Air Properties (MA). "Сухой воздух по умолчанию" был заменен кислородом, и значение по умолчанию "прослеживают газ", был заменен азотом. Таким образом, блок Controlled Trace Gas Source (MA) может использоваться, чтобы удалить "газ трассировки" (i.e., азот) от потока до решета.
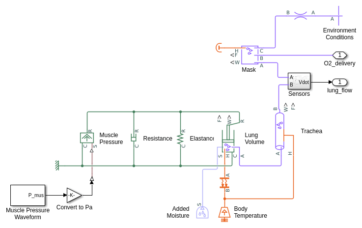
Легкие представлены Поступательным Механическим Конвертером (MA), который преобразует давление в поступательное движение. Путем установки Интерфейсной площади поперечного сечения на единицу смещение в механической поступательной сети становится прокси для изменений объема, сила становится прокси при давлении, коэффициент упругости становится прокси для дыхательной диэлектрической емкости, и коэффициент демпфирования становится прокси для дыхательного сопротивления.
Устройство имеет два режима работы: непрерывный или пульсирующий. Симуляция запускается в непрерывном режиме, который поставляет постоянный богатый кислородом поток модели легкого. В t = 70 с, симуляция переключается на пульсирующий режим, который синхронизирует поступление кислорода с вдохновением. Flow™ состояния используется, чтобы оценить дыхания в минуту и управлять клапаном сохранения в устройстве.







Этот график показывает объем, поставленный устройством, вычисленным на основе скорости потока жидкости скользящего среднего значения. Во время непрерывного режима устройство поставляет приблизительно 1,2 L/min. Во время пульсирующего режима, потому что поток только поставляется во время вдыхания, устройство поставляет приблизительно 0,2 L/min. Поставленный богатый кислородом поток смешан в маску наряду с воздухом средой во время вдохновения.

Этот график показывает давление воздуха и объем в легком. Легкое моделируется с простой механической диэлектрической емкостью и сопротивлением. Сила давления мышц вызывает расширение объема легкого, который понижает давление легкого, чтобы чертить в воздухе от маски.
