Получите линейные аналитические точки из модели Simulink, блока Linear Analysis Plots или блока Model Verification
Открытая модель Simulink.
mdl = 'scdpwm';
open_system(mdl)

Эта модель содержит следующие линейные аналитические точки:
Введите возмущение при выходе блока Step
Выведите измерение при выходе блока Plant Model
Получите аналитические точки из модели.
io = getlinio(mdl)
2x1 vector of Linearization IOs: -------------------------- 1. Linearization input perturbation located at the following signal: - Block: scdpwm/Step - Port: 1 2. Linearization output measurement located at the following signal: - Block: scdpwm/Plant Model - Port: 1
Можно использовать эти аналитические точки для последующей линеаризации модели с помощью linearize команда или slLinearizer интерфейс.
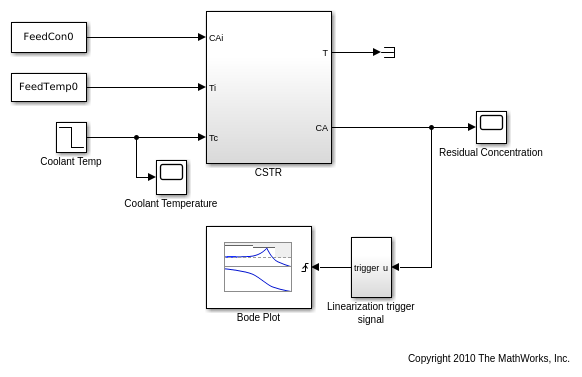
Открытая модель Simulink.
open_system('scdcstr')

Эта модель содержит блок Bode Plot, который сконфигурирован со следующими линейными аналитическими точками:
Введите возмущение при выходе блока Coolant Temp
Выведите измерение в CA выход блока CSTR
Получите аналитические точки из блока Bode Plot.
io = getlinio('scdcstr/Bode Plot')
2x1 vector of Linearization IOs: -------------------------- 1. Linearization input perturbation located at the following signal: - Block: scdcstr/Coolant Temp - Port: 1 2. Linearization output measurement located at the following signal: - Block: scdcstr/CSTR - Port: 2
mdl — Имя модели SimulinkИмя модели Simulink в виде вектора символов или строки. Модель должна быть в текущей рабочей папке или на MATLAB® path.
Если модель не является открытой или загруженной в память, getlinio загружает модель в память.
blockpath — Линейный блок Analysis Plots или блок Model VerificationЛинейный блок Analysis Plots или блок Model Verification в виде вектора символов или строки, которая содержит ее полный блок path. Модель, которая содержит блок, должна быть в текущей рабочей папке или на пути MATLAB.
Для получения дополнительной информации о:
Линейные блоки графика для анализа, смотрите Визуализацию В процессе моделирования.
Блоки верификации модели, смотрите Model Verification.
io — Аналитическая точка установленаАналитический набор точки, возвращенный как объект I/O линеаризации или вектор из объектов ввода-вывода линеаризации. Используйте io задавать входные параметры линеаризации, выходные параметры и открытия цикла при использовании linearize команда. Для получения дополнительной информации смотрите, Задают Фрагмент Модели, чтобы Линеаризовать.
Каждая аналитическая точка имеет следующие свойства:
| Свойство | Описание |
|---|---|
Active | Отметьте указание, использовать ли аналитическую точку для линеаризации в виде одного из следующего:
|
Block | Полный блок path блока, с которым аналитическая точка сопоставлена в виде вектора символов. |
PortNumber | Выходной порт, с которым аналитическая точка сопоставлена в виде целого числа. |
Type | Аналитическая точка вводит в виде одного из следующего:
Для получения дополнительной информации об аналитических типах точки смотрите, Задают Фрагмент Модели, чтобы Линеаризовать. |
BusElement | Соедините шиной имя элемента, с которым аналитическая точка сопоставлена в виде вектора символов или |
Description | Заданное пользователями описание аналитической точки, которую можно установить для удобства в виде вектора символов. |
У вас есть модифицированная версия этого примера. Вы хотите открыть этот пример со своими редактированиями?
1. Если смысл перевода понятен, то лучше оставьте как есть и не придирайтесь к словам, синонимам и тому подобному. О вкусах не спорим.
2. Не дополняйте перевод комментариями “от себя”. В исправлении не должно появляться дополнительных смыслов и комментариев, отсутствующих в оригинале. Такие правки не получится интегрировать в алгоритме автоматического перевода.
3. Сохраняйте структуру оригинального текста - например, не разбивайте одно предложение на два.
4. Не имеет смысла однотипное исправление перевода какого-то термина во всех предложениях. Исправляйте только в одном месте. Когда Вашу правку одобрят, это исправление будет алгоритмически распространено и на другие части документации.
5. По иным вопросам, например если надо исправить заблокированное для перевода слово, обратитесь к редакторам через форму технической поддержки.