PWM Write и блоки PWM Interface вместе позволяют множеству форм волны модуляции ширины импульса (PWM) и событий быть симулированным в модели SoC.
Периферийное устройство PWM, в минимуме, содержит внутренний таймер со счетчиком и одним или несколькими компараторами. Таймер управляет счетчиком на непрерывном цикле. Счетчик может действовать в одном из трех режимов:
– встречный шаг до максимального значения счетчика и затем переполняется, сбрасывая до нуля, чтобы обнулить, чтобы запустить количество снова. Счетчик формирует дискретную пилообразную форму волны.
Вниз – встречные декременты от максимального значения в противоречии с нулем и затем теряет значимость, сбрасывая к максимальному значению, чтобы запустить количество снова. Счетчик формирует дискретную пилообразную форму волны.
Вниз – встречный шаг от нуля до максимального значения счетчика и затем декрементов количества, пока количество не достигает нуля снова. Этот цикл повторяется, чтобы создать дискретную треугольную форму волны.
Дискретные формы волны, сгенерированные таймером и счетчиком, задают период и фазу итоговой формы волны PWM. Счетчик используется в качестве ссылки для компараторов, чтобы изменить состояние выходного сигнала, который становится формой волны PWM.
PWM содержит банк компараторов. Значение количества каждого компаратора добирается по сравнению со значением счетчика. Когда встречные кресты, которые считают значение, триггеры компаратора. Когда триггер происходит, компаратор может изменить состояние текущей производительности формы волны PWM (например, устанавливая выход на 0). Кроме того, триггер может сгенерировать событие, которое может использоваться блоком Task Manager или другими периферийными устройствами, такими как блок ADC Interface, чтобы скоординировать сигналы ввода и вывода в модуле микроконтроллера (MCU).
С комбинацией периода и регулировкой фазы внутреннего таймера и нескольких компараторов, можно создать множество форм волны PWM, чтобы поддержать определенные требования к приложению.
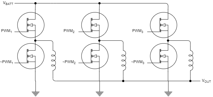
В этом примере показано, как сгенерировать возмещенные между фазой формы волны PWM. Можно использовать возмещенную между фазой форму волны PWM, чтобы управлять МОП-транзисторами в 3-фазовых схемах коммутируемой мощности, таких как чередованная схема конвертера DC/DC, показанная на рисунке theis. Каждая пара MOSFET управляется PWM той же частоты, где каждая фаза ветви возмещена на 120 °.

Модель
Эта модель содержит три блока Интерфейса PWM что каждый диск отдельный PWM выход. PWM 1 имеет фазу 0 °. Можно открыть PWM 2 и PWM 3 блоки и смотрят Фазу> смещение Фазы в степени (0-360) параметры, которые составляют 120 ° и 240 °, соответственно. Все блоки Интерфейса PWM в модели совместно используют базовый synchonization разрешение блока PWM выхода, чтобы быть synchonized с фазами смещения.
open_system("pwm_3phase_interleaved_top.slx");
Результаты
Во вкладке Simulation нажмите Run. Когда симуляция завершится, откройте Инспектора Данных моделирования, чтобы просмотреть получившиеся сигналы от PWM выходные параметры. Сигналы показывают PWM и дополнительные формы волны PWM от каждого Интерфейса PWM с каждым блоком, возмещенным на 120 °.

В этом примере показано, как сгенерировать событие для задачи в импульсном центре формы волны PWM. Можно использовать инициирование события в импульсном центре формы волны PWM, чтобы получить правильные текущие измерения от ADCs в схемах коммутируемой мощности, таких как схема понижающего конвертера, показанная в этом рисунке. Модель в этом примере показывает основную выборку ADC от PWM-управляемого переключателя.

Модель
Эта модель использует две задачи. Управляемая таймером задача устанавливает значения компаратора для блока PWM Write. Первое значение компаратора, 0.5, устанавливает рабочий цикл формы волны, произведенной блоком PWM Interface. Второе значение компаратора, 0.25, устанавливает значение компаратора, который инициировал событие. В блоке PWM Interface параметр режима Counter устанавливается на, и триггерный параметр режима События устанавливается, чтобы Выдержать сравнение 2. Эти настройки результат в событии сгенерировали каждый раз, когда внутренний счетчик PWM превышает 25% общего встречного значения. Выход блока PWM Interface управляет переключателем что выборки от блока Sine. Сигнал события соединяет и инициировал блок ADC Interface, чтобы произвести выход переключателя в центре импульсного центра PWM. Событийно-управляемая задача включает каждое событие и использует блок ADC Read, чтобы произвести измеренное значение.
open_system("soc_pwm_pulse_center_event_top")
Результаты
Во вкладке Simulation нажмите Run. Когда симуляция завершится, откройте Инспектора Данных моделирования, чтобы просмотреть получившиеся сигналы от PWM, ADC и сигналов события задачи. От контроля, ADC_Read событие имеет место в импульсном центре формы волны PWM. В результате Analog Measurement предупредите получает выборки от синусоиды при игнорировании разрывов с нулевым знаком, когда переключатель выключен.

В этом примере показано, как сгенерировать симметричную форму волны PWM. В переключающих схемах степени, таких как понижающий конвертер, показанный в этом рисунке, симметричные сигналы формы волны PWM могут сгенерировать меньше гармоник в выходных токах и напряжениях.

Модель
Эта модель содержит одну задачу с блоком Sine, который устанавливает ширину импульса формы волны PWM. Смотря связанный блок PWM Interface, параметр режима Main> Counter устанавливается на Up-Down, получившийся во внутреннем счетчике, формирующем треугольную волну. PWM выход> В начале параметра периода установлен в Low, и PWM, в котором выход> В выдерживает сравнение 1 количество и PWM выход>, выдерживает сравнение 1 вниз, параметры количества оба устанавливаются на Change. Эти настройки приводят к симметричной форме волны с импульсным центром в центре формы волны PWM.
open_system("soc_symmetric_pwm_waveform_top.slx");
Результаты
Во вкладке Simulation нажмите Run. Когда симуляция завершится, откройте Инспектора Данных моделирования, чтобы просмотреть получившиеся сигналы от блока PWM Interface и PWM_task выходные параметры . От контроля выходной сигнал блока PWM Interface симметричен и в центре в импульсе PWM.

PWM Interface | PWM Write | ADC Read | ADC Interface | Task Manager | Периферийная настройка