То В этом примере показано, как спроектировать HDL, оптимизировало приемник, который может восстановить первый Системный Блок информации (SIB1) с сигнала нисходящего канала LTE.
Этот проект основывается на Восстановлении MIB HDL LTE, добавляя обработку, требуемую декодировать SIB1. Это основано на Поиске Ячейки LTE Toolbox™, MIB и Восстановлении SIB1 (LTE Toolbox).
Для того, чтобы декодировать сообщение SIB1, дополнительные шаги требуются после того, как MIB (Основной Блок информации) декодировался. Этот проект добавляет функциональность, чтобы определить местоположение и декодировать PCFICH (Физический Канал Индикатора Формата Управления), PDCCH (Физический Нисходящий Канал Управления), и PDSCH (Физический Нисходящий Разделяемый Канал). Расширяемая архитектура, используемая в Восстановлении MIB HDL LTE, позволяет проекту быть расширенным при многократном использовании базовой функциональности внедрения системы восстановления MIB. Этот проект может быть реализован на платформах SoC с помощью элемента кода аппаратного программного обеспечения и пакетов аппаратной поддержки. Смотрите Развертывают Примеры готовых узлов HDL LTE на SoCs.
Начальные стадии восстановления SIB1 эквивалентны для Восстановления MIB HDL LTE, состоявшего из поиска ячейки, обнаружения PSS/SSS, демодуляции OFDM и декодирования MIB. Обнаружение сигнала LTE, синхронизация и синхронизация частоты и демодуляция OFDM выполняются на принятых данных, предоставляя информацию о номере подкадра, дуплексном режиме и ячейке ID принятой формы волны. Принятые данные буферизуются в буфер памяти подкадра сетки и, если полный подкадр хранился в памяти, оценка канала вычисляется. Оценка канала может затем использоваться, чтобы компенсировать сетку, когда данные определены от буфера. Когда подкадр 0 хранился в буфере и вычисленной оценке канала, Физический Канал телевизионного вещания (PBCH) может затем быть получен из сетки, компенсировал и декодировал, восстанавливая сообщение MIB.
Сообщение MIB содержит много параметров, которые требуются, чтобы декодировать последующие каналы. Один из этих параметров является Системным номером системы координат (SFN). SFN требуется, чтобы определять местоположение сообщения SIB1, поскольку сообщение SIB1 только отправляется в четных системах координат (mod(SFN,2) = 0). Следовательно, если бы сообщение MIB декодировалось в нечетной системе координат, приемник должен ожидать, пока следующие даже не структурируют прежде, чем попытаться декодировать SIB1. Когда приемник декодировал сообщение MIB и получил подкадр 5 из даже система координат, попытка декодирования SIB1 может быть предпринята.
Сообщение MIB также обеспечивает системный параметр NDLRB, указывая на Количество Нисходящих Блоков Ресурса, используемых передатчиком. Для различных значений NDLRB (различные полосы пропускания) количество активных поднесущих отличается. Следовательно NDLRB влияет на индексацию памяти сетки ресурса для каждого из каналов, обработанных после PBCH.
NDLRB сначала используется, чтобы вычислить Элементы Ресурса (REs), выделенный Физическому Каналу Индикатора Формата Управления (PCFICH), и соответствующие символы могут быть получены из сетки ресурса. Декодер PCFICH затем пытается декодировать данные CFI с помощью символов, полученных из сетки ресурса.
CFI указывает на количество символов OFDM, выделенных Физическому Нисходящему Каналу Управления (PDCCH). CFI, в сочетании с параметрами MIB, которые NDLRB, Длительность PHICH, и Ын, используется, чтобы вычислить, какие Элементы Ресурса (REs) выделяются PDCCH. Эти REs требуют от сетки и передают декодеру PDCCH. Если декодируемый сигнал использует Дуплекс деления времени (TDD), выделение PDCCH варьируется на основе используемой настройки TDD. Поскольку настройка TDD не, знают в этой точке, каждую из настроек TDD, которые влияют на выделение PDCCH, пробуют до успешного декодирования.
Если PDCCH декодировался, поиск вслепую общего пространства поиска PDCCH проводится, чтобы найти DCI (Нисходящая Управляющая информация) сообщением для SIB1. Этому сообщению DCI скремблировали CRC с SI-RNTI (Радиосеть информации о Системе Временный Идентификатор) и несет информацию о выделении и кодировании сообщения SIB1 в PDSCH. Поисковая операция вслепую пытается декодировать сообщения DCI со многими возможными форматами от многих кандидатов. Если декодируемый сигнал будет использовать TDD, и сообщение DCI не найдено во время поиска, то декодирование PDCCH будет повторно предпринято для любых непроверенных настроек TDD.
После того, как расположенный, сообщение DCI анализируется, давая тип выделения DCI, RIV и параметры Разрыва, требуемые для вычисления распределения ресурсов PDSCH. Физические Блоки Ресурса (PRBs), выделенный сообщению SIB1 в PDSCH, могут затем быть вычислены. Парсинг сообщения DCI также предоставляет информацию о транспортных версиях длины блока и сокращения, требуемых декодировать PDSCH.
Используя информацию о выделении PRB может быть вычислен REs, выделенный сообщению SIB1 в PDSCH. PDSCH, декодирующий затем, обрабатывает полученные данные от сетки ресурса. Если декодирование безошибочно, биты сообщения SIB1 возвращены.
Архитектура спроектирована, чтобы быть расширяемой, позволив подсистемам обработки канала быть добавленной, удаленной или обмененной на альтернативные реализации. Эта расширяемость проиллюстрирована сложениями, сделанными к проекту MIB произвести проект SIB1. Базовая функциональность является тем же самым с дополнительной обработкой и управлением, добавленным для трех дополнительных каналов, требуемых декодировать SIB1.

Чтобы позволить повторное использование и совместное использование основных подсистем модели, пример использует Модели - ссылки. Ссылка модели позволяет, чтобы модульное тестирование каждой из подсистем, и для моделей было инстанцировано в нескольких различных примерах. Поиск Ячейки HDL LTE, Восстановление MIB HDL LTE и восстановление LTE HDL SIB1 все образцы модели доли.
Поиск ячейки, синхронизация и демодуляция OFDM выполняют начальные стадии обнаружения нисходящего сигнала и синхронизации. Некомпенсируемые данные о сетке передаются потоком, чтобы быть буферизованными в памяти сетки для последующей обработки.
Центральные ресурсы памяти сетки, оценки канала и эквализации канала группируются с интерфейсом, таким образом, что данные могут быть запрошены путем обеспечения адреса сетке, и компенсируемые символы выводятся для обработки этапами декодирования.
Подсистемы индексации запрашивают данные от сетки путем обеспечения номера поднесущей, номера символа OFDM, и чтение включает флаг. Эти сигналы группируются в шине для более легкой маршрутизации в модели Simulink. Только одна подсистема индексации может получить доступ к сетке за один раз. Контроллер используется, чтобы избежать конкуренции и включить подсистемы индексации в правильное время. Каждая из подсистем индексации имеет соответствующую подсистему декодирования, которая пытается декодировать данные, запрошенные от сетки подсистемой индексации.
Подсистемы декодирования получают компенсируемые комплексные символы от сетки с сигналом, указывающим, когда входящие данные допустимы. Подсистемы декодирования должны быть включены, прежде чем они начнут обрабатывать допустимые выборки во входе, и ожидается, что только одна из подсистем декодирования будет включена в любом моменте времени. Центральный контроллер для декодера SIB1 включает подсистемы декодирования в подходящее время.
Подсистема управления отслеживает состояние декодера и включает декодирование и индексацию подсистем в правильной последовательности с помощью сделанного, допустимого, обнаруженного и сигналов ошибки (как соответствующих) для различных этапов обработки.
Функция распределения ресурсов DCI (ltehdlDCIResourceAllocation) была выбрана для реализации на программном обеспечении как часть реализации элемента кода оборудования/программного обеспечения. Эта функция была выбрана из-за низкой частоты вычисления и комплексного поведения цикла, делающего его неэффективный, чтобы реализовать в оборудовании.
Верхний уровень ltehdlSIB1Recovery модели показан на рисунке ниже. Подсистема HDL LTE SIB1 поддерживает генерацию HDL-кода. SW подсистема Распределения ресурсов DCI представляет фрагмент программного обеспечения проекта, разделенного для реализации элемента кода оборудования/программного обеспечения. stateViewer блок MATLAB function генерирует текстовые информационные сообщения на основе сигнала decoderState от HDL LTE SIB1 и распечатывает эту информацию и к Средству просмотра Диагностики Simulink и к графическому окну MATLAB. stateViewer также производит сигнал stopSimulation, который останавливает симуляцию, когда декодер достигает конечного состояния, как обозначено текстовыми информационными сообщениями.

SW распределение ресурсов DCI
SW подсистема Распределения ресурсов DCI содержит экземпляр ltehdlDCIResourceAllocation модели. Шины используются здесь, чтобы упростить маршрутизацию сигнала к и от этой подсистемы.

dciRecourceAllocation
ltehdlDCIResourceAllocation модель - ссылка выполняет парсинг битов сообщения DCI, генерирует параметры DCI, затем использует параметры DCI, чтобы выполнить вычисление выделения Физического блока ресурса (PRB) DCI. Эти операции эквивалентны функциям LTE Toolbox lteDCI и lteDCIResourceAllocation. Из-за сложности вычисления выделения PRB, эта часть проекта была выбрана для реализации в программном обеспечении, когда реализация HDL потребует большой суммы аппаратных ресурсов.

Подсистема HDL LTE SIB1 содержит 2 подсистемы. Нисходящая Синхронизирующая подсистема Demod является экземпляром ltehdlDownlinkSyncDemod модели, которая описана в примере Поиска Ячейки HDL LTE. Это выполняет поиск ячейки, синхронизацию и синхронизацию частоты и демодуляцию OFDM. MIB HDL + подсистема Декодера SIB1 выполняет операции декодирования канала, требуемые декодировать MIB и сообщения SIB1, аналогичные описанному ниже.

MIB HDL + декодер SIB1
MIB HDL + структура Декодера SIB1 виден ниже. Это получает OFDM, демодулировал данные о сетке из Нисходящей Синхронизирующей подсистемы Demod и хранит данные в буфере подкадра, Памяти Сетки Ресурса. Это затем вычисляет оценку канала для принятых данных в подсистеме Оценки Канала и использует это, чтобы компенсировать данные, когда это читается из Памяти Сетки Ресурса. Серия шагов декодирования канала затем выполняется для того, чтобы декодировать сообщение SIB1. Всего существует 10 моделей, на которые ссылаются, на этом уровне иерархии: 4 декодера канала, 4 подсистемы генерации индекса канала и 2 подсистемы, выполняющие буферизацию сетки ресурса, оценку канала и эквализацию.
Индексация PBCH, Память Сетки Ресурса, Эквализация Канала и Декодер MIB все инстанцируют тех же моделей, на которые ссылаются, используемых в примере MIB. Для более подробной информации об операции этих моделей, на которые ссылаются обратитесь к Восстановлению MIB HDL LTE.

Индексация подсистем
Существует 4 подсистемы индексации, соответствуя 4 каналам, которые должны декодироваться для того, чтобы получить сообщение SIB1: PBCH, PCFICH, PDCCH и PDSCH. Каждая из подсистем индексации имеет соответствующую подсистему декодирования. Подсистемы индексации используют адресную шину, состоя из адреса чтения, соответствующего номеру поднесущей, банк чтения, соответствующий символу OFDM, и чтение включает сигналу управлять доступом к сетке. read_selector блок MATLAB function выбирает между выходными параметрами 4 подсистем индексации на основе чтения, включают сигнал. Это принято, что только одна подсистема индексации попытается читать из сетки в любом моменте времени с подсистемой УПРАВЛЕНИЯ, отвечающей за включение подсистем индексации в подходящее время.
Индексация PBCH
Блок PBCH Indexing ссылается на ltehdlPBCHIndexing модель. Это выполняет генерацию индекса для PBCH и эквивалентно функции LTE Toolbox ltePBCHIndices.

Индексация PCFICH
Блок PCFICH Indexing ссылается на ltehdlPCFICHIndexing модель. Это генерирует индексы, требуемые считать символы PCFICH из памяти сетки, и эквивалентно функции LTE Toolbox ltePCFICHIndices. PCFICH всегда находится в первом символе OFDM (первый сегмент памяти буфера сетки) и является 16 символами в длине в 4 группах из 4 символов. 4 группы символов распределяются в четвертях занимаемой полосы со смещением, зависящим от ID Ячейки.

Индексация PDCCH
PDCCH Индексация подсистемы генерирует индексы, требуемые считать символы PDCCH из памяти сетки. Это ссылается на ltehdlPDCCHIndexing модель и эквивалентно функциям LTE Toolbox ltePDCCHIndices и ltePDCCHDeinterleave. PDCCH охватывает между 1 и 4 символами OFDM, как задано значением, декодируемым от PCFICH. Количество поднесущих, заполненных PDCCH, зависит от NDLRB. В результате количество символов, считанных из сетки, варьируется, который обозначается nSymbols выход. PDCCH занимает все символы OFDM, обозначенные CFI, но должен исключить любые местоположения, которые были уже выделены другим каналам, таким как PCFICH и PHICH. Основное вычисление индексации выполняется подсистемой PDCCH_Index_Gen. Это вычисляет местоположения PCFICH, и PHICH затем исключает эти местоположения из области значений индексов, занятых PDCCH. В количестве режима TDD символов, занятых PHICH, варьируется на основе настройки TDD. Для различных настроек TDD существует три возможных значения ми (0, 1, и 2), как задано в разделе 6.9 из [1], который является множителем к размеру области, выделенной PHICH. Когда в дуплексе режим является FDD, ми всегда равняется 1. Размер PDCCH в терминах обоих квадруплетных (группы из 4 символов) и символов дан Mquad и Msymb выходные параметры.
ramAddrCalc и lk_ram подсистемы используются, чтобы выполнить циклический сдвиг на квадруплетных с помощью заключенного. Поскольку сообщение DCI для SIB1 всегда передается в общем пространстве поиска PDCCH, возможно сократить количество символов, которые читаются из памяти сетки путем получения только символов из общего пространства поиска. Для того, чтобы сделать это PDCCH, устранение чередования операции выполняется, и первые 576 символов требуют от сетки. Если там будут меньше 576 символов в PDCCH затем, то все символы будут требовать. В LTE Toolbox PDCCH устранение чередования операции выполняется как часть ltePDCCHDecode функция. Однако, когда эта функция просто переупорядочивает данные и не изменяет содержимое данных, возможно переместить этот этап обработки в более раннюю точку в приемнике. Путем перемещения deinterleaver, чтобы действовать на индексы, а не данные, и сокращения до общего пространства поиска после устранения чередования, уменьшаются требования к памяти для deinterleaver и декодера PDCCH.

Индексация PDSCH
Индексация PDSCH вычисляет местоположения PDSCH в памяти сетки на основе набора Физического блока ресурса (PRB), который передается этому блоку из вычисления распределения ресурсов DCI в SW подсистема Распределения ресурсов DCI. Индексация PDSCH является экземпляром ltehdlPDSCHIndexing модели и эквивалентна функции LTE Toolbox ltePDSCHIndices. PDSCH занимает все символы в наборе PRB, которые не были ранее выделены другому каналу. Следовательно PDSCH, индексирующий функцию, должен исключить любые местоположения, которые выделяются PSS и SSS и всей области канала управления (i.e. символы OFDM, обозначенные PCFICH). Когда сообщение SIB1 всегда происходит в подкадре 5 из даже система координат, нет никакой потребности исключить местоположения PBCH, когда они только происходят в подкадре 0.

Подсистемы декодера
Существует 4 подсистемы декодера, каждая из которых имеет соответствующую подсистему индексации. Когда включено, процесс подсистем декодера компенсировал символы от подсистемы Эквализации Канала, выполняя операции, требуемые декодировать канал. Подсистема УПРАВЛЕНИЯ включает каждую из подсистем декодера в подходящее время. Выходные параметры от каждой из подсистем декодера используются, чтобы определить местоположение и декодировать последующие каналы в цепи. Чтобы гарантировать, что эта информация доступна при необходимости, каждая из подсистем декодера указывает декодируемую информацию при выходе для более позднего доступа. Выходные регистры очищены с помощью входа clearOutputReg на каждом из декодеров.
Декодер MIB
Декодер MIB использует ту же модель, на которую ссылаются, ltehdlPBCHDecoder, который используется в примере MIB HDL LTE. Это выполняет PBCH, и BCH декодируют операции, эквивалентные функциям LTE Toolbox ltePBCHDecode и lteMIB. Выходные параметры от этого блока предоставляют информацию, запрошенную, чтобы определить местоположение и декодировать информацию о канале для последующих каналов.

Декодер CFI
Декодер CFI использует ltehdlPCFICHDecoder модель, на которую ссылаются. Это выполняет PCFICH, и CFI декодируют операции, эквивалентные ltePCFICHDecode и lteCFIDecode функции в LTE Toolbox. Вход от Эквализации Канала является этими 16 символами, которые требует Индексация PCFICH. Подсистема Декодера PCFICH выполняет дескремблирование и демодуляцию QPSK на 16 символах PCFICH, чтобы произвести 32 мягких бита. Подсистема Экстракции CFI затем коррелирует мягкие биты с тремя кодовыми комбинациями CFI. Кодовая комбинация с самой сильной корреляцией дает значение CFI 1, 2, или 3. Значение CFI указывает на количество символов OFDM, занятых PCFICH. Если NDLRB больше десять, количество символов OFDM равно значению CFI (1, 2, или 3). Если NDLRB меньше чем или равен десять, количество символов OFDM является одним большим, чем значение CFI (2, 3, или 4). Эта информация используется Индексацией PDCCH и PDSCH Индексация подсистем.

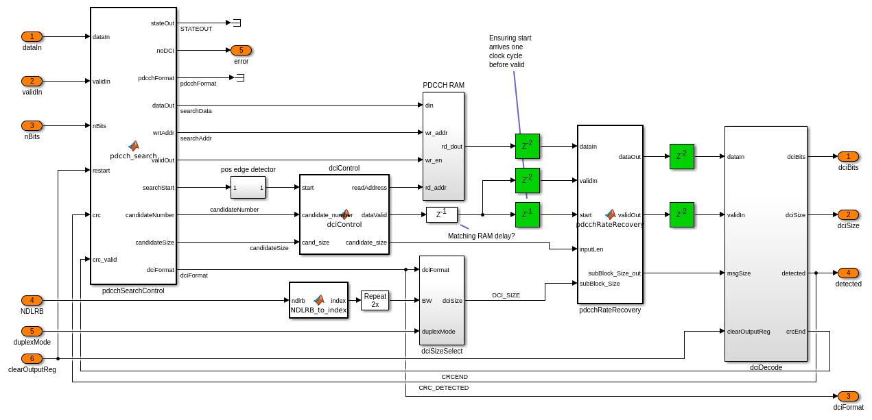
PDCCHDecodeSearch
Подсистема PDCCHDecodeSearch использует ltehdlPDCCHDecode модель, на которую ссылаются. Это выполняет PDCCH, декодируют, слепой поиск PDCCH, и DCI декодируют операции, требуемые определять местоположение и декодировать сообщение SIB1 DCI в PDCCH. Это примерно эквивалентно функциям LTE Toolbox ltePDCCHDecode, ltePDCCHSearch, и lteDCI (который используется в ltePDCCHSearch) с несколькими модификациями. Когда сообщение SIB1 DCI всегда в общем пространстве поиска PDCCH, только эти символы получены из буфера сетки, аналогичного описанному выше для Индексации PDCCH. Сообщение SIB1 DCI всегда является форматом 1A или 1C DCI. Это найдено в общем пространстве поиска PDCCH с помощью уровней 4 или 8 агрегации PDCCH, и CRC для сообщения DCI скремблирован с Радиосетью информации о Системе Временный Идентификатор (SI-RNTI). Используя эту информацию поиск может быть упрощен по сравнению с ltePDCCHSearch LTE Toolbox реализация. Для получения дополнительной информации о процессе поиска PDCCH LTE Toolbox смотрите Поиск вслепую PDCCH и DCI Декодирование (LTE Toolbox) пример. Подсистема PDCCHSearch вслепую пытается декодировать сообщения DCI от всех возможных кандидатов и комбинаций в общем пространстве поиска, пока сообщение DCI с правильной маской CRC не декодируется, указывая, что сообщение SIB1 DCI было найдено, или все кандидаты были предприняты, и № SIB1, которым было найдено сообщение DCI. Когда сообщение SIB1 DCI было найдено, поисковые остановки, и информация из декодируемого сообщения DCI возвращена в блок. Эта информация затем передается SW подсистема Распределения ресурсов DCI, чтобы проанализировать сообщение DCI и определить, какие ресурсы в PDSCH были выделены сообщению SIB1.
demod/descramble подсистема выполняет дескремблирование и демодуляцию QPSK, в то время как подсистема PDCCHSearch выполняет поисковый процесс, описанный более подробно ниже.

PDCCHSearch
В подсистеме PDCCHSearch существует много этапов обработки, которые объединяются, чтобы выполнить поисковую операцию PDCCH. pdcchSearchControl блок MATLAB function пишет входящие данные в RAM PDCCH, затем управляет поисковым процессом, выполняющим итерации через различные комбинации формата DCI, формата PDCCH и кандидатов PDCCH. dciControl блок MATLAB function генерирует адреса чтения для RAM PDCCH, учитывая номер кандидата PDCCH и размер. pdcchRateRecovery блок MATLAB function эквивалентен функции LTE Toolbox lteRateRecoverConvolutional, выполнение устранения чередования и восстановления уровня для сверточного декодера. dciDecode подсистема выполняет сверточное декодирование уровня, восстановил биты, затем проверяет CRC сообщения с SI-RNTI, чтобы определить, было ли сообщение SIB1 DCI найдено. Если успешно декодируется, биты сообщения DCI буферизуются и выводятся, и поисковый процесс останавливается. Процесс поиска PDCCH также остановится, если все возможные кандидаты проверялись, но никакое сообщение DCI для SIB1 не было найдено с утверждаемым выводом ошибок.

PDSCHDecode
Подсистема PDSCHDecode использует ltehdlPDSCHDecode модель, на которую ссылаются. Это эквивалентно ltePDSCHDecode и lteDLSCHDecode функции в LTE Toolbox. QPSKDemod и PDSCHPRBS демодулируют входящие сигналы и генерируют последовательность дескремблирования. Дескремблированные биты затем передаются TurboRateRecovery, который выполняет устранение чередования и восстановление уровня входящих битов. Подсистема SampleControlBusGeneration генерирует управляющие сигналы, требуемые взаимодействовать через интерфейс с Турбо Декодером LTE и Декодером CRC LTE, которые декодируют сигнал. Декодер CRC LTE указывает, что состояние CRC декодирует, утверждая допускать ошибку сигнал, наряду с сигналом конца в шине ctrl выход, если ошибки были обнаружены. Если CRC не обнаруживает ошибок затем, сообщение SIB1 успешно декодировалось, и sib1_bits передаются потоком от блока с bitsValid указание, когда sib1_bits допустимы. Если сообщение SIB1 было обнаружено, и биты выход от PDSCHDecode, остановок симуляции. Никакая попытка не предпринята, чтобы объединить различные Версии Сокращения (RVs) DLSCH.

УПРАВЛЯЙТЕ подсистемой
Подсистема УПРАВЛЕНИЯ отслеживает состояние декодера через различные этапы обработки канала, включая каждую индексацию и декодирование подсистем в свою очередь. Номер подкадра и номер системы координат взяты в качестве входных параметров, позволив функции frameCount отследить Системный номер системы координат (SFN). Подкадр и числа системы координат используются, чтобы определить, когда каналы будут доступны для декодирования (e.g. SIB1 только передается на подкадре 5 из четных систем координат). decoderState блок MATLAB function реализует простой конечный автомат, который отслеживает, которых этапы обработки были завершены, и которые подготавливают, чтобы включить затем. Состояние декодера выводится от диспетчера и анализируется stateViewer блоком MATLAB function в верхнем уровне модели, чтобы произвести человекочитаемые сообщения.
Когда полученный сигнал находится в режиме TDD, подсистема УПРАВЛЕНИЯ справляется с поиском вслепую каждой из настроек TDD, запуская Индексацию PDCCH и PDCCH Декодирование подсистем для каждого из трех возможных значений ми. Различные значения ми {0,1,2} результат в различных выделениях PHICH, следовательно различных выделениях PDCCH. Выделения PDCCH вычисляются, и PDCCH декодируют предпринятый для каждого значения ми, пока сообщение SIB1 DCI не найдено, или все возможности исчерпываются.

Имитационная модель сконфигурирована, чтобы остановить симуляцию при многих условиях:
Если поиск ячейки не находит ячеек.
Если обнаружение MIB имеет ошибку.
Если сообщение SI-RNTI DCI не обнаруживается во время поиска PDCCH.
В конце PDSCH, декодирующего попытку.
Если сообщение SIB1 успешно декодируется, оно выводится от sib1Bits порта с sib1BitsValid портом, указывающим, когда выход допустим. Данные буферизуются и отправляются в рабочее пространство MATLAB.
Окно рисунка информации о состоянии приемника LTE HDL SIB1 отображает текстовые сообщения, указывающие на текущее состояние декодера. Состояние системы прослежено подсистемой УПРАВЛЕНИЯ с сигналом decoderState, переданным до верхнего уровня модели, где statePrint блок MATLAB function генерирует сообщения информации о тексте.

Отображение блокирует в верхнем уровне модели show некоторые основные параметры, декодируемые каждым из этапов обработки канала. Много ключевых управляющих сигналов, из подсистемы УПРАВЛЕНИЯ, регистрируются для просмотра с анализатором логики.

Чтобы сгенерировать HDL-код для этого примера, у вас должна быть лицензия HDL Coder™. Обратите внимание на то, что генерация испытательного стенда для этого примера занимает много времени из-за продолжительности симуляции, требуемой создать тестовые векторы.
HDL-код для подсистемы HDL LTE SIB1 был сгенерирован с помощью рабочего процесса Генерации Ядра IP HDL Workflow Advisor для оценочной платы Xilinx® Zynq®-7000 ZC706, и затем синтезирован. Место сообщения и результаты использования ресурса маршрута показывают ниже. Проект соответствовал синхронизации с целевой тактовой частотой 150 МГц. Используя советника по вопросам рабочего процесса рабочий процесс генерации ядра IP позволяет портам ввода и вывода быть сопоставленными с AXI4-облегченными регистрами, сокращая количество FPGA контакты IO, требуемые, и позволяет проекту быть разделенным между аппаратным и программным обеспечением.
Resource Usage
_______________ ______
Slice Registers 128726
Slice LUTs 70032
RAMB18 52
RAMB36 193
DSP48 156
Для получения дополнительной информации см. Прототипные Алгоритмы Радиосвязей на Оборудовании.
stateViewer блок MATLAB function не поддерживается для симуляции в быстром режиме Accelerator. Этот блок может быть удален или закомментирован, если быстрая симуляция акселератора требуется.
Алгоритм оценки частоты оптимизирован для сценариев, где непрерывный сигнал LTE присутствует. Эффективность алгоритма ухудшается с разреженностью сигнала во временном интервале, такой как в настройках режима TDD с низкими отношениями нисходящего канала к восходящему каналу. Это ухудшение может уменьшать способность последующих этапов обработки обнаружить и декодировать сигнал.
1. 3GPP TS 36.211, "Физические каналы и модуляция"