В этом примере показано, как спроектировать систему поиска и выбора ячейки LTE, оптимизированную для генерации HDL-кода и аппаратной реализации.
Поиск ячейки и выбор являются первым шагом, сделанным Оборудованием пользователя (UE) в попытке получить доступ к сети LTE. Поиск ячейки и процедура отбора вовлекают кандидата обнаружения eNodeB сигналы и затем выбор того, чтобы синхронизироваться с. Это включает определение идентичности ячейки физического уровня выбранного eNodeB (ячейка ID) и дуплексный режим. Кроме того, UE получает частоту и временную синхронизацию во время этого процесса. Если эта процедура была завершена, UE может демодулировать сигнал OFDM, переданный ячейкой, и восстановить ее Основной блок информации (MIB). Модель MIB Recovery с возможностью генерации HDL-кода, которая снова использует функциональность поиска и выбора ячейки, показанную здесь, представлена в Восстановлении MIB HDL LTE.
Функциональность в существующем примере основана на функциональности поиска ячейки Поиска Ячейки LTE Toolbox, MIB и Восстановления SIB1 (LTE Toolbox). Однако алгоритмы были оптимизированы для генерации HDL-кода. LTE Toolbox использовался экстенсивно в разработке существующего примера. Модель HDL, описанная здесь, выполняет следующие функции:
Восстановление частоты
Первичная и вторичная синхронизация сигнализирует об обнаружении
Демодуляция OFDM
Алгоритм восстановления частоты в модели HDL может только откорректировать, возмещает меньше, чем +-7.5kHz. Большая частота возместила восстановление, больше, чем +-7.5kHz, возможно путем управления входом и контроля выходных параметров с внешним контроллером. Демонстрация большой коррекции смещения частоты может быть найдена в Сканере Восстановления и Ячейки MIB LTE Используя Аналоговые устройства AD9361/AD9364 (Пакет поддержки Communications Toolbox для Xilinx Находящееся в Zynq Радио) примером.
Если модель завершила поиск ячейки и процедуру отбора, это выводит ячейку ID, дуплексный режим и некомпенсируемую сетку ресурса ячейки. Эту функциональность показывают ниже. Модель поддерживает нисходящие сигналы с расстоянием между поднесущими на 15 кГц и нормальной длиной циклического префикса. Режимы Frequency Division Duplex (FDD) и Time Division Duplex (TDD) оба поддержаны. Дуплексный режим автоматически обнаруживается.

Стандарт LTE предоставляет два физических сигнала, чтобы помочь процессу поиска ячейки. Это Первичный сигнал синхронизации (PSS) и Вторичный сигнал синхронизации (SSS). Обратитесь к Приложению A для получения дополнительной информации о сигналах синхронизации нисходящего канала LTE.
Модель состоит из 5 файлов:
ltehdlCellSearch.slx: Это - верхний уровень модели и действует как испытательный стенд для ltehdlDownlinkSyncDemod.slx.
ltehdlDownlinkSyncDemod.slx: Модель - ссылка, которая реализует поиск ячейки, синхронизацию и функциональность демодуляции OFDM.
ltehdlCellSearch_init.m: Скрипт MATLAB® для генерации стимула.
ltehdlCellSearch_analyze.m: Скрипт MATLAB для анализа выхода и отображения графиков в конце симуляции.
ltehdlCellSearchTools.m: Класс MATLAB, содержащий вспомогательные методы для анализа и графического вывода результатов.
Примечание: ltehdlDownlinkSyncDemod.slx не появляется в примере рабочая папка, когда это совместно используется с другими примерами. Файл находится на пути MATLAB и может быть открыт путем ввода ltehdlDownlinkSyncDemod в командной строке MATLAB.
Структуру подсистемы поиска и выбора ячейки показывают ниже. Вход является комплексными 16-битными данными, произведенными в 30.72 членах Шотландского парламента. Сигнал передается двум информационным каналам обработки сигналов; один в 1.92 членах Шотландского парламента и один в 30.72 членах Шотландского парламента. Восстановление частоты и обнаружение PSS выполняются на этих 1.92 информационных каналах членов Шотландского парламента. Эта частота дискретизации используется по двум причинам. Во-первых, полоса пропускания ячейки не известна на данном этапе поэтому, самая маленькая полоса пропускания LTE 1,4 МГц принята для восстановления частоты. Этот подход работает независимо от фактической полосы пропускания ячейки. Во-вторых, PSS и SSS только занимают шесть центральных блоков ресурса (1,4 МГц). Поэтому обнаружение может быть выполнено эффективно в 1.92 членах Шотландского парламента, и методы разделения ресурсов могут использоваться, чтобы оптимизировать аппаратную реализацию.

Следующие шаги описывают работу приемника.
Блок оценки частоты оценивает смещение частоты более чем период на 10 мс.
Блоки коррекции частоты затем активируются на обоих потоках сэмплирования 1.92 Msps и 30.72 Msps.
Обнаружение PSS сразу начинается после того, как этап оценки частоты был завершен.
Обнаружение SSS начинается, когда обнаружение PSS обнаруживает допустимый сигнал PSS. Если допустимый SSS найден, это означает, что допустимая ячейка была обнаружена, и дуплексный режим теперь известен.
Ячейка ID и система координат запускаются, положение вычисляются.
На границе следующего кадра приемник начинает извлекать символы OFDM из потока сэмплирования 30.72 Msps. Каждый символ передается через БПФ с 2048 точками, чтобы выполнить демодуляцию OFDM.
Приложение B предоставляет больше подробную информацию алгоритма поиска ячейки и алгоритма выбора, используемого в этом примере.
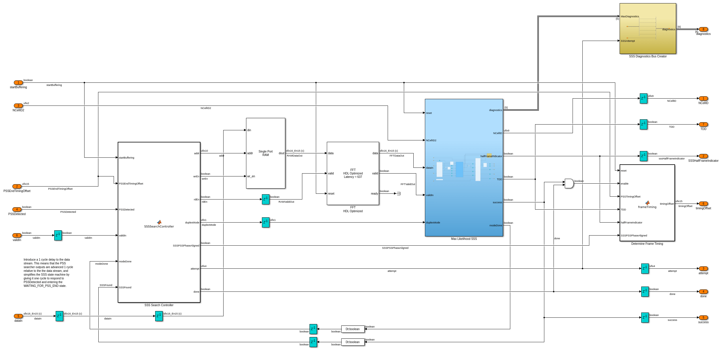
Верхний уровень ltehdlCellSearch.slx показан ниже. Этот модели - ссылки ltehdlDownlinkSyncDemod.slx. ltehdlCellSearch_init.m вызван InitFcn коллбэк и ltehdlCellSearch_analyze.m вызван StopFcn 'callback'. Модель использует приемник Остановки, чтобы отключить симуляцию, когда любой (i) subframeNum выход 5 или (ii) cellSearchDone является утверждаемый true и никакая ячейка не обнаруживается. HDL-код может быть сгенерирован для подсистемы HDL Поиска Ячейки.

Подсистема HDL Поиска Ячейки является, в основном, оберткой для ltehdlDownlinkSyncDemod модели. Это содержит блок Model (Нисходящий Синхронизирующий Demod) который ссылки ltehdlDownlinkSyncDemod.slx, и Диагностика К подсистеме Рабочей области, которая регистрирует все диагностические выходные параметры. Диагностические выходные параметры используются ltehdlCellSearch_analyze.m сгенерировать графики, показывающие внутреннюю операцию.

ltehdlDownlinkSyncDemod модель - ссылка реализует весь поиск ячейки, синхронизацию и функциональность демодуляции OFDM. Приложение B детализирует алгоритм поиска ячейки и алгоритм выбора, реализованный этой моделью. Верхний уровень ltehdlDownlinkSyncDemod тесно совпадает с архитектурой, которая была представлена ранее.
Входные параметры модели:
dataIn: Комплексные знаковые 16-битные данные, несущие входной сигнал основной полосы.
validIn: Boolean, указывая, допустимо ли dataIn.
запуск: Boolean. Утверждайте этот вход true для одного цикла в любое время, чтобы инициировать поиск ячейки. Это упоминается как команда запуска.
Выходные параметры модели:
NCellID: 9-битная ячейка ID обнаруженного eNodeB.
TDDMode: Boolean, указывая на дуплексный режим обнаруженной ячейки: false для FDD, true для TDD.
timingOffset: 19-битная синхронизация возмещена. Указывает на количество отсчетов от первой выборки, чтобы ввести приемник в первую выборку первой полной системы координат, от 0 до 307 199.
freqEst: 14-битная оценка смещения частоты со знаком. Умножьте этот выход на 15e3 / 2^14 для того, чтобы преобразовать в Гц как показано в модели LTEHDLCellSearch.
cellDetected: Boolean, указывая, что ячейка была найдена.
cellSearchDone: Boolean, указывая, что поиск ячейки завершился. Если ячейка найдена, cellDetected, и cellSearchDone будет утверждаться верный одновременно. Если никакая ячейка не будет найдена, то cellDetected останется false и cellSearchDone будет утверждаемый true в 100 мс данной команды запуска. Время, потраченное для cellSearchDone, который будет утверждаться, зависит от того, сколько попыток взято, чтобы обнаружить PSS и SSS. Дополнительную информацию см. в Приложении B.
subframeNum: 4-битное беззнаковое целое. Указывает, какой подкадр в настоящее время передается из gridData порта, от 0 до 9.
griddata: 16-битные данные, несущие демодулируемую сетку ресурса.
gridValid: Boolean, указывая, допустим ли gridData.
диагностика: Соедините шиной сигнал, неся различные диагностические выходные параметры.
ltehdlDownlinkSyncDemod использует две функции, взятых в качестве примера, Wireless HDL Toolbox™ во время инициализации: ltehdlDefineReceiverBuses и ltehdlDownlinkSyncDemodConstants. ltehdlDefineReceiverBuses совместно используется с другими примерами Wireless HDL Toolbox и задает набор шин Simulink. Эта функция вызвана в InitFcn из ltehdlDownlinkSyncDemod. Только detectorDiagnosticsBus выход функции используется здесь. Объект шины хранится в Базовом рабочем пространстве, делая его доступным и для ltehdlDownlinkSyncDemod и для ltehdlCellSearch моделей.
[~,~,~,~,detectorDiagnosticsBus] = ltehdlDefineReceiverBuses();
Модель использует предварительно вычисленные константы и интерполяционные таблицы, сохраненные в структуре под названием cellDetectorConfig. Эта структура сгенерирована ltehdlDownlinkSyncDemodConstants функционируйте и используется только в ltehdlDownlinkSyncDemod модели - ссылке. Поэтому это задано в Рабочем пространстве модели, а не Базовом рабочем пространстве. Используйте Model Explorer, чтобы просмотреть Рабочее пространство модели, которое содержит следующий код инициализации.
cellDetectorConfig = ltehdlDownlinkSyncDemodConstants(30.72e6);
Внутреннюю структуру ltehdlDownlinkSyncDemod показывают.

Подсистема Децимирующих фильтров передискретизирует входные данные от 30.72 членов Шотландского парламента 1.92 членам Шотландского парламента. Это состоит из децимации CIC, компенсации усиления CIC, компенсации свисания CIC и переходного удаления. Цепь фильтра спроектирована, чтобы иметь групповую задержку, которая равна целому числу выборок в 1.92 членах Шотландского парламента. Блок Transient Removal удаляет начальный переходный процесс из-за этой групповой задержки от демонстрационного потока. Это важно, потому что смещение синхронизации системы координат измеряется на этих 1.92 потоках членов Шотландского парламента и затем используется, чтобы восстановить синхронизацию на этих 30.72 потоках членов Шотландского парламента. Удаление начального переходного процесса от цепи децимирующего фильтра упрощает логику, которая передает время выполнения.

Подсистема FrequencyEstimation использует циклический префикс, чтобы оценить смещение частоты входящего сигнала. Каждые 960 выборок, подсистема AngleAtMaximum выбирает самый сильный пик корреляции и записывает его угол фазы. Подсистема AngleFilter реализует фильтр усреднения с длительностью окна 10 мс. Получившийся угол фазы служит оценкой частоты. Алгоритм оценки частоты оптимизирован для сценариев, где непрерывный сигнал LTE присутствует. Эффективность алгоритма ухудшается с разреженностью сигнала во временном интервале, такой как в настройках режима TDD с низкими отношениями нисходящего канала к восходящему каналу. Это ухудшение может уменьшать способность последующих этапов обработки обнаружить и декодировать сигнал. Приложение B предоставляет больше информации о том, как циклический префикс может использоваться, чтобы оценить смещение частоты.

Синхронизирующая Поисковая подсистема Сигнала реализует PSS и обнаружение SSS. Синхронизация крайне важна для этой части проекта, потому что Искатель SSS использует время выполнения системы координат от Искателя PSS, чтобы идентифицировать местоположения поиска SSS. Искатель PSS обеспечивает сигнал validOut, который используется блоком Stream Synchronizer, чтобы задержать входной поток и компенсировать задержку трубопровода Искателя PSS. Синхронизация входного потока к PSS Searcher выходные параметры упрощает проект Искателя SSS.

Искатель PSS составлен из двух подсистем: Корреляторы и Искатель Пика Max. Вместе, эти подсистемы реализуют алгоритм поиска PSS, описанный в Приложении B.

Подсистема Корреляторов содержит согласованный фильтр для каждой из трех последовательностей PSS и набора подсистем для определения порога. Нижний предел применяется к порогу, чтобы предотвратить маленькие сигналы, инициировавшие ложные предупреждения. Корреляторы PSS и пороговая логика генерации имеют различные задержки трубопровода, поэтому, потоковый синхронизатор используется, чтобы перестроить их выходные параметры.

Если поиск ячейки идет полным ходом, Искатель SSS постоянно хранит выборки в кольцевом буфере. Если PSS обнаруживается, он продолжает загружать выборки в буфер, пока местоположение поиска SSS не было достигнуто и сохранено. Местоположение поиска SSS вычисляется из времени выполнения PSS, обеспеченного сигналом PSSEndTimingOffset. Затем выборки местоположения FDD читаются из буфера, прошел через БПФ с 128 точками и Вероятность Max, подсистема SSS вычисляет метрики корреляции и порог. Та же операция затем применяется к выборкам местоположения TDD. Подсистема SSS Вероятности Max выбирает максимальную метрику корреляции, которая превысила порог и определяет синхронизация системы координат и дуплексный режим. Наконец, смещение синхронизации системы координат вычисляется.

Скрипт инициализации
ltehdlCellSearch_init.m называется в InitFcn коллбэк ltehdlCellSearch.slx. Стимул может или загрузиться из файла, содержащего полученную не воздушную форму волны, или сгенерирован с LTE Toolbox.
% ltehdlCellSearch model initialization script % Generates workspace variables needed by the ltehdlCellSearch model. SamplingRate = 30.72e6; simParams.Ts = 1/SamplingRate; % Choose to load a captured off-the-air waveform from a file, % or generate a test waveform with LTE Toolbox. loadfromfile = true; if loadfromfile % Load captured off-the-air waveform. load('eNodeBWaveform.mat'); dataIn = resample(rxWaveform,SamplingRate,fs); else % Generate a test waveform with LTE Toolbox. dataIn = hGenerateDLRXWaveform(); end % Scale signal level to be in the range -1 to +1. dataIn = 0.95 * dataIn / max(abs(dataIn)); % Start 1 subframe into the waveform (chosen arbitrarily). startIn = false(length(dataIn),1); startIn(1e-3*SamplingRate) = true; % Configure PSS and SSS attempts PSSAttempts = 2; SSSAttempts = 4; % Determine stop time. simParams.stopTime = (length(dataIn)-1)/SamplingRate;
Аналитический скрипт
ltehdlCellSearch_analyze.m называется в StopFcn коллбэк ltehdlCellSearch.slx. Этот скрипт полагается в большой степени на ltehdlCellSearchTools.m анализировать выход модели и отобразить графики.
% ltehdlCellSearch model analysis script % Post-processes model outputs and generates plots. % Check if any simulation output exists to analyze. if exist('out','var') && ~isempty(out.PSSDetected) % Post-process the model output to extract key cell parameters, % diganostics and signals. [signals, report] = ltehdlCellSearchTools.processOutput(dataIn,startIn,out); % Plot results ltehdlCellSearchTools.figure('Input waveform and search stages'); clf; ltehdlCellSearchTools.plotSearchStates(signals,report); ltehdlCellSearchTools.figure('Frequency estimation'); clf; ltehdlCellSearchTools.plotFrequencyEstimate(signals,report); ltehdlCellSearchTools.figure('PSS search'); clf; ltehdlCellSearchTools.plotPSSCorrelation(signals,report); ltehdlCellSearchTools.figure('SSS search'); ltehdlCellSearchTools.plotSSSCorrelation(signals,report); end
Аналитический класс инструментов
Этот класс содержит функции помощника для анализа и графического вывода выхода модели. Обратитесь к ltehdlCellSearchTools.m для получения дополнительной информации.
Чтобы выполнить симуляцию, используйте кнопку Run в ltehdlCellSearch модели. Simulink автоматически вызовет ltehdlCellSearch_init и ltehdlCellSearch_analyze через коллбэки InitFcn и StopFcn соответственно. Обратите внимание на то, что это будет требовать времени, чтобы создать ltehdlDownlinkSyncDemod модель - ссылку на первом показе. Симуляция генерирует два основных типа выходного: (i) Отображение блокируется в верхнем уровне ltehdlCellSearch ключевых show параметров обнаружения блок-схемы и (ii) четыре графика сгенерированы в конце симуляции.
NCellID, TDDMode, timingOffset, freqEst, cellDetected, и cellSearchDone выходные параметры все сопоставили блоки Отображения. Их значения показывают ниже в конце симуляции, которая использовала полученную не воздушную форму волны (eNodeBWaveform.mat) как стимул.

Входная форма волны и поисковый график этапов показывают:
Величина входной формы волны по сравнению со временем.
Окно времени, во время которого происходит оценка частоты.
Окно поиска PSS для каждой попытки (один в этом случае) и местоположение обнаруженного PSS.
Окна поиска SSS для TDD и FDD для каждой попытки (один в этом случае), и местоположение обнаруженного SSS.

График оценки Частоты показывает выход средства оценки частоты по сравнению со временем. В конце окна времени оценки частоты на 10 мс оценка частоты загружается в регистр и используется, чтобы откорректировать смещение частоты. Это значение также показывают на графике. В этом случае смещение частоты чуть ниже 500 Гц, который является хорошо в от-7.5 кГц до рабочего диапазона на +7.5 кГц алгоритма восстановления частоты.

Ячейка ID составлена из двух компонентов, NCellID1 и NCellID2, где NCellID1 порядковый номер SSS и NCellID2 порядковый номер PSS (См. Приложение A). График поиска PSS показывает всем трем корреляторам PSS выходные параметры и порог PSS. PSS был обнаружен приблизительно 17 мс в форму волны на PSS № 1, поэтому NCellID2 = 1.

График поиска SSS показывает метрики корреляции для успешной попытки обнаружения SSS и порога SSS. Как ранее обсуждено, алгоритм обнаружения SSS определяет дуплексный режим и половину положения системы координат, а также ячейки ID. В результате 4*168 = 672 метрики корреляции вычисляются во время каждой попытки. Метрики корреляции показывают в следующем порядке вдоль оси X:
FDD1: метрики в местоположении FDD для последовательностей SSS, соответствующих 1-й половине системы координат
FDD2: метрики в местоположении FDD для последовательностей SSS, соответствующих 2 половинам системы координат
TDD1: метрики в местоположении TDD для последовательностей SSS, соответствующих 1-й половине системы координат
TDD2: метрики в местоположении TDD для последовательностей SSS, соответствующих 2 половинам системы координат
SSS был обнаружен в месте FDD для последовательности SSS, соответствующей 1-й половине системы координат. Порядковый номер SSS равняется 25 поэтому NCellID1 = 25. Итоговая ячейка ID поэтому:
NCellID = 3*NCellID1 + NCellID2 = 76.

Чтобы сгенерировать HDL-код для этого примера, у вас должна быть лицензия HDL Coder™. Используйте makehdl и makehdltb команды, чтобы сгенерировать HDL-код и испытательный стенд HDL для подсистемы HDL Поиска Ячейки. Обратите внимание на то, что генерация испытательного стенда может требовать времени из-за длины тестовых векторов, которые сгенерированы.
Подсистема HDL Поиска Ячейки синтезировалась на оценочной плате Xilinx® Zynq®-7000 ZC706. Место сообщения и результаты использования ресурса маршрута показывают в приведенной ниже таблице. Проект соответствовал синхронизации с тактовой частотой 200 МГц.
Resource Usage
_______________ _____
Slice Registers 44658
Slice LUTs 20271
RAMB18 25
RAMB36 11
DSP48 110
LTE обеспечивает два физических сигнала, чтобы помочь процессу поиска и синхронизации ячейки. Это Первичный сигнал синхронизации (PSS) и Вторичный сигнал синхронизации (SSS).
Ячейка ID eNodeB закодирована в PSS и SSS. Дуплексный режим, длина циклического префикса и синхронизация системы координат могут быть определены из их положений в полученном сигнале. PSS и SSS передаются дважды каждая система координат. Существует 3 возможных последовательности PSS, и eNodeB передает тот же PSS каждая половина системы координат. Для каждого PSS существует 168 возможных последовательностей SSS в первой половине системы координат и 168 различных возможных последовательностей SSS во второй половине системы координат. Это означает, что, если SSS был обнаружен, приемник знает, находится ли это в первой или второй половине системы координат. PSS и последовательности SSS зависят от ячейки ID, поэтому, существует 3 * 168 = 504 возможных ячейки IDs. Ячейка ID
NCellID = 3*NCellID1 + NCellID2
где NCellID2 является порядковым номером PSS от 0 до 2, и NCellID1 является порядковым номером SSS от 0 до 167. Каждый экземпляр PSS занимает центральные 62 поднесущих одного символа OFDM, когда действительно каждый инстанцирует SSS. Для нормального циклического префиксного режима местоположения PSS и сигналов SSS, следует:
Режим FDD: PSS находится в символе 6 из подкадра 0, SSS находится в символе 5 из подкадра 0
Режим TDD: PSS находится в символе 2 из подкадра 1, SSS находится в символе 13 из подкадра 0
Существует 14 символов в каждом подкадре, пронумерованном от 0 до 13. Поэтому в режиме FDD, PSS передается один символ OFDM после SSS, тогда как в режиме TDD PSS передается три символа OFDM после SSS. Это различие в относительной синхронизации позволяет приемнику различать между двумя дуплексными режимами. Положения PSS и SSS в радио-системах координат в режиме FDD и TDD проиллюстрированы ниже.

Для получения дополнительной информации смотрите Сигналы Синхронизации (PSS и SSS) (LTE Toolbox).
В этом разделе описываются алгоритм, используемый моделью, чтобы обнаружить сигналы eNodeB. Алгоритм спроектирован, чтобы справиться с условиями реального мира, такими как смещения частоты, шум и интерференция и изменение ОСШ PSS и SSS в зависимости от времени. Чтобы обнаружить eNodeB в присутствии таких условий, пример использует три метода:
Восстановление частоты применяется до PSS и обнаружения SSS.
Динамические пороги используются, чтобы подтвердить PSS и метрики корреляции SSS и минимизировать вероятность ложного предупреждения.
Несколько попыток предприняты, чтобы обнаружить PSS и SSS; например, если ни одна из метрик корреляции для определенного экземпляра SSS не превысит порог, детектор будет ожидать половина системы координат и попробует еще раз до предопределенного количества попыток.
Восстановление частоты
Восстановление частоты выполняется путем использования доменной структуры времени полученного сигнала. В LTE (как с другим OFDM основывал системы), каждый символ состоит из полезной части и Циклического префикса (CP). CP сгенерирован путем копирования маленького среза с конца символа и предварительного ожидания его к запуску символа. Это может быть использовано в приемнике путем умножения полученного сигнала с сопряженным комплексным числом задержанной версии себя, и затем интеграции через длительность CP, где задержка является длительностью полезной части. В действительности полученный сигнал перекрестный коррелируется с задержанной версией себя. Величина интегратора выход имеет peaks на контурах символа. Угол фазы сигнала в этом peaks связан со смещением частоты. Этот подход используется в существующем примере и объединяется с дополнительным усреднением, чтобы оценить смещение частоты. Алгоритм может обнаружить смещения частоты от-7.5 кГц до +7.5 кГц.
Обнаружение PSS
Обнаружение PSS выполняется путем непрерывной перекрестной корреляции полученного сигнала со всеми тремя возможными последовательностями PSS во временном интервале. Кроме того, энергия сигнала в промежутке корреляторов вычисляется на каждом временном шаге и затем масштабируется, чтобы сгенерировать порог. Алгоритм обнаружения PSS стремится выбирать самую сильную ячейку путем выбора максимальной метрики корреляции PSS в окне времени на 10 мс. Следующий псевдокод описывает алгоритм поиска:
initialize position of first 10 ms search window
for k = 1 to 4 (number of PSS attempts)
find correlation levels which exceed the threshold
if any correlation levels exceed the threshold
find the max correlation level of those which exceed the threshold
PSS detected: break loop and start SSS search
else
PSS not detected: move search window to next 10ms period
end
endОбнаружение SSS
Если PSS расположен, детектор может сузить положение SSS к двум возможным местам; один для FDD и один для TDD. Метрики корреляции SSS вычисляются в частотном диапазоне путем оценки скалярного произведения последовательности. Следующий алгоритм используется, чтобы искать и выбрать последовательность SSS.
initialize SSS search window
for k = 1 to 8 (number of SSS attempts)
for each duplex mode in [FDD, TDD]
extract 128 point search window for current duplex mode
compute FFT and extract SSS subcarriers
compute correlation metrics for SSS sequences corresponding to 1st half frame
compute correlation metrics for SSS sequences corresponding to 2nd half frame
compute signal energy-based threshold
end discard correlation metrics which do not exceed the threshold
if any metrics exceeded the threshold
pick maximum correlation metric from surviving metrics
SSS detected: break loop and proceed to next processing stage
else
SSS not detected: move SSS search window later by half a frame
endend
Рисунок поиска ячейки
Алгоритм поиска ячейки показывают ниже для сценария, где PSS и SSS каждый берет 2 попытки обнаружить допустимые сигналы. Рисунок также показывает этап восстановления частоты. Первоначально, приемник не знает о полученной синхронизации системы координат сигнала. В модели Simulink (и на оборудовании), вход запуска используется, чтобы инициировать процесс обнаружения. Приемник начинается путем измерения смещения частоты, которое берет 10 мс. Затем первый поиск PSS на 10 мс происходит. В этом случае никакой PSS не обнаруживается, поэтому инициируется второй поиск PSS. На этот раз PSS обнаруживается. Первый поиск SSS происходит только за исключением 10 мс после местоположения обнаруженного PSS, избегая потребности буферизовать существенное количество данных, и делая оборудование алгоритма дружественным. Как показано SSS также берет две попытки в этом случае. От местоположения обнаруженного SSS приемник знает дуплексную модель (FDD в этом случае) и синхронизация системы координат.

1. 3GPP "физический уровень" TS 36.214