exponenta event banner

imextendedmax

Расширенные максимумы преобразовывают

Синтаксис

BW = imextendedmax(I,H)
BW = imextendedmax(I,H,conn)

Описание

пример

BW = imextendedmax(I,H) возвращается расширенные максимумы преобразовывают для I, который является региональными максимумами H - максимумы преобразовывают. Региональные максимумы являются соединенными компонентами пикселей с постоянным значением интенсивности, и чьи внешние граничные пиксели у всех есть нижнее значение.

BW = imextendedmax(I,H,conn) вычисляет расширенные максимумы, преобразовывают, где conn задает пиксельную возможность соединения.

Примеры

свернуть все

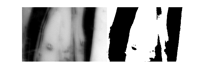
Считайте изображение в рабочую область.

I = imread('glass.png');

Вычислите расширенные максимумы преобразовывают.

BW = imextendedmax(I,80);

Отобразите оригинальное изображение и преобразованное изображение бок о бок.

imshowpair(I,BW,'montage')

Входные параметры

свернуть все

Введите изображение, заданное как числовой массив любой размерности.

Пример: I = imread('glass.png');

Типы данных: single | double | int8 | int16 | int32 | int64 | uint8 | uint16 | uint32 | uint64

H-максимумы преобразовывают, заданный как неотрицательный скаляр.

Пример: BW = imextendedmax(I,80);

Типы данных: single | double | int8 | int16 | int32 | int64 | uint8 | uint16 | uint32 | uint64

Пиксельная возможность соединения, заданная как одно из значений в этой таблице. Возможностью соединения по умолчанию является 8 для 2D изображений и 26 для 3-D изображений.

Значение

Значение

Двумерные возможности соединения

4

Пиксели соединяются, если их ребра затрагивают. Окружение пикселя является смежными пикселями в горизонтальном или вертикальном направлении.

8

Пиксели соединяются, если их ребра или углы затрагивают. Окружение пикселя является смежными пикселями в горизонтали, вертикальным, или диагональным направлением.

3D возможности соединения

6

Пиксели соединяются, если их поверхности затрагивают. Окружение пикселя является смежными пикселями в:

  • Одно из этих направлений: в, левый, правильный, и вниз

18

Пиксели соединяются, если их поверхности или ребра затрагивают. Окружение пикселя является смежными пикселями в:

  • Одно из этих направлений: в, левый, правильный, и вниз

  • Комбинация двух направлений, таких как право вниз или в -

26

Пиксели соединяются, если их поверхности, ребра или углы затрагивают. Окружение пикселя является смежными пикселями в:

  • Одно из этих направлений: в, левый, правильный, и вниз

  • Комбинация двух направлений, таких как право вниз или в -

  • Комбинация трех направлений, такой как "в праве" или "в сниженном"

Для более высоких размерностей imextendedmax использует значение по умолчанию conndef(ndims(I),'maximal').

Возможность соединения может также быть задана более общим способом к любой размерности путем определения 3-by-3-by-... Матрица-by-3 0 s и 1 s. 1 - оцененные элементы задают местоположения окружения относительно центрального элемента conn. Обратите внимание на то, что conn должен быть симметричным о своем центральном элементе. Смотрите Задающие Пользовательские Возможности соединения для получения дополнительной информации.

Типы данных: single | double | int8 | int16 | int32 | int64 | uint8 | uint16 | uint32 | uint64

Выходные аргументы

свернуть все

Преобразованное изображение, возвращенное как логический массив тот же размер как I.

Ссылки

[1] Soille, P. Морфологический Анализ изображения: Принципы и Приложения. Springer-Verlag, 1999, стр 170-171.

Расширенные возможности

Смотрите также

| | | |

Представлено до R2006a