При работе над большой моделью можно разделить его на несколько файлов так, чтобы члены команды могли разработать различные компоненты модели одновременно. Можно снова использовать эти компоненты многократно в модели и в других моделях.
Модель и файлы библиотеки обеспечивают один источник для нескольких экземпляров того же компонента модели. Можно сослаться на модель, чтобы выполнить его как независимый модуль в родительской модели. Можно также добавить соединенные блоки в модель, которые выводят их содержимое от исходного блока в библиотеке. Чтобы изучить, когда необходимо будет использовать каждый из этих методов компонентизации, см. Компонентно-ориентированные Руководства по моделированию.
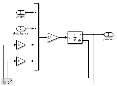
Образцовый ex_modeling_component_reuse использует два соединенных блока, чтобы представлять идентичные механические подсистемы.

Когда вы перешли в соединенный блок, вы видите представление только для чтения его содержимого.

Каждый из этих соединенных блоков выводит свое содержимое от одного блока в файле библиотеки ex_modeling_library.slx. Чтобы отредактировать содержимое, необходимо или отключить ссылку на исходный блок или отредактировать содержимое напрямую в исходной библиотеке.

В дополнение к использованию блоков, соединенных с файлом библиотеки, файл модели ссылок модели ex_modeling_component_reuse ex_modeling_controller.slx. Код контроллера часто развертывается на встраиваемых системах, так наличие модели автономного контроллера полезно.

Встраиваемый процессор не может поддержать свойства по умолчанию для контроллера. Поскольку модели контроллеров могут использоваться, чтобы сгенерировать код для встраиваемого процессора, эти ограничения применяются к моделям контроллеров, на которые ссылаются, и интерфейсу с его родительской моделью:
Фиксированные Атрибуты Сигнала — Чтобы потребовать, чтобы шины в интерфейсах модели совместно использовали те же атрибуты сигнала, объекты шины, задают атрибуты сигнала в трех наборах портов ввода и вывода.
Дискретный Шаг расчета — Чтобы задать дискретный шаг расчета, модель ex_modeling_controller задает дискретную область выполнения и скрипт, ex_modeling_data_controller.m задает дискретные значения ПИД-регулятора.
Фиксированный Тип данных — Чтобы применить тип данных с одинарной точностью, требуемый встраиваемым процессором, блоки Преобразования типа данных преобразовывают типы данных элементов шины, прежде чем они достигнут интерфейса модели.