Когда вы собираете требования для системы, можно идентифицировать определенные компоненты модели в высокоуровневой организации входных параметров, выходных параметров и систем. Чтобы идентифицировать компоненты модели, требования и проект могут быть только частично заданы. Например, вы можете знать, где интерфейс среди компонентов будет существовать несмотря на наличие неполной спецификации, чтобы описать тот интерфейс. Чтобы задать компоненты модели, не влияя на результаты симуляции и не инвестируя время, задавая неоднозначный интерфейс, можно использовать блоки Subsystem, чтобы визуально организовать модель.
Образцовый ex_modeling_components содержит четыре общих компонента модели.
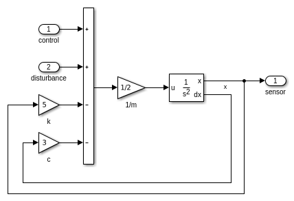
Механическая Система — масса, отделенная от поверхности, пружина и демпфер
Контроллер — алгоритм, который управляет движением физической системы
Оператор — логика, которая задает команды, отправленные контроллеру
Среда — внешние воздействия, которые влияют на механическую систему

Порты на каждом из блоков Subsystem соответствуют блокам ввода и вывода в подсистеме. Метка блока показывает имя соответствующего порта. Например, блок Inport маркировал disturbance, соответствует порту disturbance механического системного блока Subsystem.

Эти четыре компонента модели взаимодействуют, чтобы определить положение массы.
Контроллер вычисляет силу, требуемую для перемещения механической системы в ее целевое положение.

Оператор определяет целевое положение массы и реализует связанную процедурную логику с графиком Stateflow®.

Среда генерирует силу воздействия, которая влияет на механическую систему.

Во время симуляции оператор говорит контроллеру ожидать 2 секунды, затем перемещать массу выше на 2 метра. Когда масса промахивается по целевому положению, оператор говорит контроллеру располагать массу на 1 метр выше своего исходного положения. После 5 секунд экологическое воздействие прикладывает устойчивую силу к физической системе, и контроллер реагирует, чтобы стабилизировать массу в целевом положении.
