Этот пример показывает, как создать мозаику из видео последовательности. Видео mosaicking является процессом сшивания кадров видео вместе, чтобы сформировать полное представление о сцене. Получившееся мозаичное изображение является компактным представлением видеоданных. Блок Video Mosaicking часто используется в сжатии видео и приложениях наблюдения.
Этот пример иллюстрирует, как использовать блок Corner Detection, блок Estimate Geometric Transformation, блок Projective Transform и блок Compositing, чтобы создать мозаичное изображение из видео последовательности.
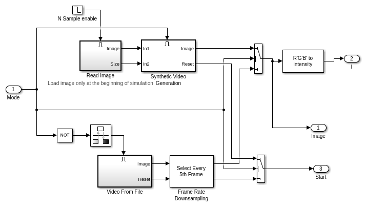
Следующие данные показывают модель Video Mosaicking:

Входная подсистема загружает видео последовательность или из файла или генерирует синтетическую видео последовательность. Выбор является определяемым пользователем. Во-первых, блок Corner Detection находит точки, которые являются соответствующими между последовательными кадрами Угловой подсистемой Соответствия. Затем блок Estimate Geometric Transformation вычисляет точную оценку матрицы преобразования. Этот блок использует алгоритм RANSAC, чтобы устранить точки ввода выброса, уменьшая ошибку вдоль швов выходного изображения мозаики. Наконец, подсистема Mosaicking накладывает текущий кадр видео на выходное изображение, чтобы сгенерировать мозаику.
Входная подсистема может быть сконфигурирована, чтобы загрузить видео последовательность из файла или сгенерировать синтетическую видео последовательность.

Если вы принимаете решение использовать видео последовательность из файла, можно уменьшать время вычисления путем обрабатывания только некоторых кадров видео. Это сделано путем установки уровня субдискретизации в подсистеме Субдискретизации Частоты кадров.
Если вы выбираете синтетическую видео последовательность, можно установить скорость перевода и вращения, размера выходного изображения и источника и уровня шума. Вывод синтетического видео генератора последовательности подражает изображениям, полученным перспективной камерой с произвольным движением по плоской поверхности.
Подсистема находит угловые функции в текущем кадре видео в одном из трех методов. Пример использует Локальное сравнение интенсивности (Rosen & Drummond), которая является самым быстрым методом. Другие доступные методы являются детектированием углов методом Харриса (Harris & Stephens) и Минимальное Собственное значение (Shi & Tomasi).

Угловая Подсистема Соответствия находит количество углов, местоположения и их метрических значений. Подсистема затем вычисляет расстояния между всеми функциями в текущем кадре с теми в предыдущем кадре. Путем поиска минимальных расстояний подсистема находит лучшие функции соответствия.
Путем накопления матриц преобразования между последовательными кадрами видео подсистема вычисляет матрицу преобразования между током и первым кадром видео. Подсистема затем накладывает текущий кадр видео на выходном изображении. Путем повторения этого процесса подсистема генерирует мозаичное изображение.

Подсистема сбрасывается, когда видео последовательность перематывается или когда блок Estimate Geometric Transformation не находит достаточно inliers.

Окно Corners показывает угловые местоположения в текущем кадре видео.

Окно Mosaic показывает получившееся мозаичное изображение.

Окно Corners показывает угловые местоположения в текущем кадре видео.

Окно Mosaic показывает получившееся мозаичное изображение.
