exponenta event banner

imextendedmin

Расширенные минимумы преобразовывают

Описание

пример

BW = imextendedmin(I,H) вычисляет расширенные минимумы, преобразовывают, который является региональными минимумами H- минимумы преобразовывают. Региональные минимумы являются соединенными компонентами пикселей с постоянным значением интенсивности, и чьи внешние граничные пиксели у всех есть более высокое значение. h неотрицательный скаляр.

BW = imextendedmin(I,H,conn) вычисляет расширенные минимумы, преобразовывают, который является региональными минимумами H-минимумов, преобразовывают.

Примеры

свернуть все

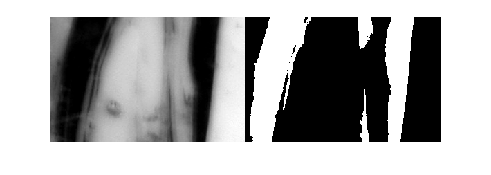
Считайте изображение в рабочую область.

I = imread('glass.png');

Вычислите расширенные минимумы преобразовывают.

BW = imextendedmin(I,50);

Отобразите оригинальное изображение и преобразование рядом друг с другом.

imshowpair(I,BW,'montage');

Входные параметры

свернуть все

Входной массив, заданный как числовой массив любой размерности.

Пример: I = imread('glass.png');

Типы данных: single | double | int8 | int16 | int32 | int64 | uint8 | uint16 | uint32 | uint64

H-минимумы преобразовывают, заданный как неотрицательный скаляр.

Пример: BW = imextendedmin(I,80);

Типы данных: single | double | int8 | int16 | int32 | int64 | uint8 | uint16 | uint32 | uint64

Пиксельная возможность соединения, заданная как одно из значений в этой таблице. Возможностью соединения по умолчанию является 8 для 2D изображений и 26 для 3-D изображений.

Значение

Значение

Двумерные возможности соединения

4

Пиксели соединяются, если их ребра затрагивают. Окружение пикселя является смежными пикселями в горизонтальном или вертикальном направлении.

8

Пиксели соединяются, если их ребра или углы затрагивают. Окружение пикселя является смежными пикселями в горизонтали, вертикальным, или диагональным направлением.

3D возможности соединения

6

Пиксели соединяются, если их поверхности затрагивают. Окружение пикселя является смежными пикселями в:

  • Одно из этих направлений: в, левый, правильный, и вниз

18

Пиксели соединяются, если их поверхности или ребра затрагивают. Окружение пикселя является смежными пикселями в:

  • Одно из этих направлений: в, левый, правильный, и вниз

  • Комбинация двух направлений, таких как право вниз или в -

26

Пиксели соединяются, если их поверхности, ребра или углы затрагивают. Окружение пикселя является смежными пикселями в:

  • Одно из этих направлений: в, левый, правильный, и вниз

  • Комбинация двух направлений, таких как право вниз или в -

  • Комбинация трех направлений, такой как "в праве" или "в сниженном"

Для более высоких размерностей, imextendedmin использует значение по умолчанию conndef(ndims (I), 'максимальный').

Возможность соединения может также быть задана более общим способом к любой размерности путем определения 3-by-3-by-... Матрица-by-3 0s и 1s. 1- ценные элементы задают местоположения окружения относительно центрального элемента conn. Обратите внимание на то, что conn должно быть симметричным о его центральном элементе. Смотрите Задающие Пользовательские Возможности соединения для получения дополнительной информации.

Типы данных: single | double | int8 | int16 | int32 | int64 | uint8 | uint16 | uint32 | uint64

Выходные аргументы

свернуть все

Преобразованное изображение, возвращенное как логический массив тот же размер как I.

Ссылки

[1] Soille, P. Морфологический Анализ изображения: Принципы и Приложения. Springer-Verlag, 1999, стр 170-171.

Расширенные возможности

Смотрите также

| | | |

Представлено до R2006a